來源:壹芯微 發布日期
2021-12-21 瀏覽:-SDU05N04場效應管參數 (MOS管) SDU05N04規格書參數代換〔壹芯微〕
SDU05N04中文參數,SDU05N04封裝引腳圖,SDU05N04數據手冊,MOS管選型替代(生產廠家)

SDU05N04場效應管主要參數(最大額定值):
漏源電壓(VDSS):400V
柵源電壓(VGSS):±30V
漏極電流-連續(TJ=25°C)(ID):4A
漏極電流-連續(TJ=70°C)(ID):3.3A
漏極電流-脈沖(IDM):12A
單脈沖雪崩能量(EAS):2.5mJ
功耗(TC=25°C)(PD):68W
功耗(TC=70°C)(PD):48W
工作與貯存溫度范圍(TJ,TSTG):-55~175°С
熱阻-結到外殼(RθJC):2.2°C/W
熱阻-結到環境(RθJA):50°C/W

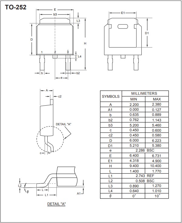
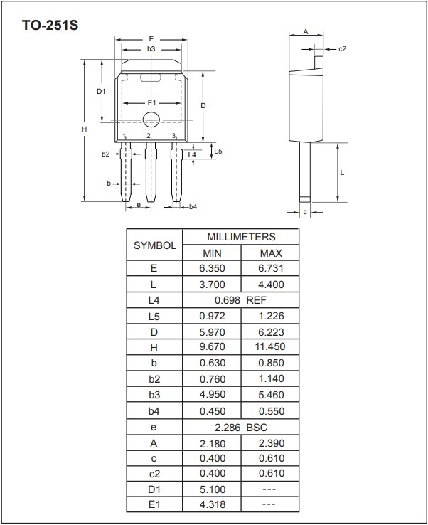
SDU05N04場效應管封裝規格:
TO-252(D-PAK),TO-251S(I-PAK),TO-251L(I-PAK)



〔壹芯微〕國內功率半導體制造廠商,主營各類貼片與直插,二極管、三極管、MOS(場效應管)、可控硅、三端穩壓管、整流橋,IC(集成電路);參數達標,質量保障,工廠直銷(價省20%),免費送樣,選型替代,技術支持,專業售后,如需了解產品詳情或最新報價,歡迎咨詢官網在線客服。
手機號/微信:13534146615
QQ:2881579535(點擊可咨詢)
工廠地址:安徽省六安市金寨產業園區
深圳辦事處地址:深圳市福田區寶華大廈A1428
中山辦事處地址:中山市古鎮長安燈飾配件城C棟11卡
杭州辦事處:杭州市西湖區文三西路118號杭州電子商務大廈6層B座
電話:13534146615
企業QQ:2881579535

深圳市壹芯微科技有限公司 版權所有 | 備案號:粵ICP備2020121154號