來源:壹芯微 發布日期
2020-03-26 瀏覽:-開關三極管分類-開關三極管的使用誤區解
開關三極管分類
開關三極管因功率的不同可分為小功率開關管、中功率和大功率開關管。常用小功率開關管有3AKl-5、3AKll-15、3AKl9-3AK20、3AK20-3AK22、3CKl-4、3CK7、3CK8、3DK2-4、3DK7-9。
常用的高反壓、大功率開關管有:2JD1556、2SD1887、2SD1455、2SD1553、2SD1497、2SD1433、2SD1431、2SD1403、2SD850等,它們的最高反壓都在1500V以上。
開關三極管的使用誤區
數字電路設計中,常常需要把數字信號經過開關擴流器件來驅動蜂鳴器、LED、繼電器等需要交大電流的器件,用得最多的就是三極管。然而在使用過程中,如果設計不當,三極管就無法工作在正常開關狀態,無法達到預期效果。

如圖(a)所示,用NPN三極管,蜂鳴器連接到三極管的集電極,驅動信號是常見的3.3V或者5V
TTL電平,高電平導通,電阻按照經驗值取4.7KΩ,三極管導通時假設高電平為5v,基極電流為:
Ib=(5-0.7)V÷4.7KΩ=0.9mA
它可以使三極管完全飽和。
如圖(b)所示,用NPN三極管,同樣把蜂鳴器連接到三極管集電極,不同的是是還用的驅動信號是5V的TTL電平。
以上兩個電路都可以正常工作,只要PWM驅動信號工作在合適的頻率下,蜂鳴器(有源)就會發出最大的聲音。

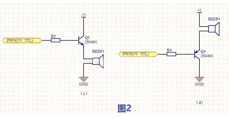
圖2和圖1對比,最大的區別就是被驅動器件連接到了三極管的發射機。
如圖(c)所示,三極管導通時假設高電平是5V,基極電流為
Ib=(5-0.7-UL)V÷4.7KΩ
其中,UL為被驅動器件上的壓降。可以看出,同樣取積極電阻為4.7KΩ,流過基極的電流會比圖1中的(a)電路電流要小,小多少需要看UL為多少:如果UL較大,那么相應的Ib也就會很小,很有可能導致三極管無法工作在飽和狀態,使得驅動器件無法動作。有人認為把基極電阻調小就好了,可是被驅動器件的壓降是很難獲知的,有些被驅動器件的壓降是變動的,這樣一來,基極電阻就很難選擇合適:阻值選的太大,會導致驅動失敗;阻值選擇太小,損耗又變大。所以,不在萬不得已的情況下,不建議用圖2的兩種電路。

如圖3,驅動信號為3.3V電平,而被驅動器件導通電壓需要5V。在3.3V單片機電路中,若不小心,就容易設計出這兩種電路。
如圖(e)所示,這是典型的“發射極正偏,集電極反偏”的放大電路,或者叫做射極輸出器。當PWM信號為3.3V時,三極管發射極電壓為3.3V-0.7V=2.6V,無法達到期望的5V。
如圖(f)所示,這是一個失敗的電路。首先,這個電路無法斷開,當驅動信號PWM為3.3V高電平是,Ube=5V-3.3V=1.7V仍然可以使三極管導通,于是電路無法斷開。在這里,有人會說用過這個電路,他沒有問題,而且單片機的電壓也是3.3V。筆者個人認為這個人用的是OD(開漏)驅動方式,而且是真正的OD或者是5V可以容忍的OD,比如STM32的很多IO都可以設置為OD門驅動方式,輸出高電平,信號就變成了高阻態,流過基極電流為0,三極管可以有效截止,這時候圖(f)依然有效。

綜上幾種電路,得到上圖兩種最優電路。與圖(1)不同,圖(4)在基極和發射機之間增加了一個100KΩ的電阻,這個電阻有一定的作用,可以讓三極管有一個已知的默認狀態。當輸入信號被除去的時候,三極管還處于截止狀態。從安全性方面考慮,多加這個電阻還是很有必要的,或者說可以讓三極管工作在更好的開關狀態。
壹芯微科技針對二三極管,MOS管作出了良好的性能測試,應用各大領域,如果您有遇到什么需要幫助解決的,可以點擊右邊的工程師,或者點擊銷售經理給您精準的報價以及產品介紹
工廠地址:安徽省六安市金寨產業園區
深圳辦事處地址:深圳市福田區寶華大廈A1428
中山辦事處地址:中山市古鎮長安燈飾配件城C棟11卡
杭州辦事處:杭州市西湖區文三西路118號杭州電子商務大廈6層B座
電話:13534146615
企業QQ:2881579535

深圳市壹芯微科技有限公司 版權所有 | 備案號:粵ICP備2020121154號