來源:壹芯微 發布日期
2020-03-25 瀏覽:-紅外接收二極管制作遙控檢測電路圖
元件選擇:

T1~T3應采用9013型等硅NPN三極管,β≥100,BVceo≥25V。V1為紅外光敏二極管,D、D2為IN4148型硅開關二極管,D;~D6為IN4001型等硅整流二極管,D,為1/2W、15V穩壓二極管,如2CW20型等。LED可用普通紅色發光二極管。
Rp可用WH7型微調電阻器,其余電阻均用RTX-1/8W型碳膜電阻器。C1、C2可采用CD11-25V型電解電容器,C3要用CBB-400V型聚苯電容器。K可用JRX-13F、CD12V小型電磁繼電器,要求有兩組轉換接點。
發射器:LED1、LED2最好采用與V:相配套的紅外發光二極管。R為RJ-1/2W金屬膜電阻器。SB可用6X6小型輕觸按鍵開關,也可用磷銅皮自制。;
3,安裝與調試
自行設計印刷電路,選擇合適元件安裝在自己制作的印刷電路板上。
全部元器件安裝好后,再進行調試。首先將微調電阻器RP的中心端旋到阻值中間位置,在插座X處先接一只40W白熾燈泡作為被控電器,將遙控發射器對準接收器VI,點按一下發射器的按鍵SB,看燈泡是否能被點亮;再長按一下發射器的按鍵SB,看燈泡是否立刻熄滅。如符合要求,再逐漸拉開距離試之,要求在8~10m內能可靠控制。如不合要求應檢查線路是否有誤,并可調整可變電阻Rp試之。調整Rp,可以改變遙控器的接收靈敏度,Rp阻值調得大,光控靈敏度相應要高些,但易受雜光干擾。調試合格后,將兩機分別裝人兩只塑料小盒里,即可投人使用。
紅外線遙控控制器:
這種紅外線遙控器,只要點按一下紅外光發射器,被控電器就通電工作;按動發射器的時間稍長,被控電器就斷電停止工作。
遙控控制器的電路如圖1所示。D3~D、C2、C3組成簡單的電容降壓橋式整流穩壓電路,接通電源后,C2兩端即輸出15V左右的穩定直流電壓供整個電子線路用電。平時三極管T~T;均處于截止狀態,繼電器K釋放,其常開接點K-、K-2均打開,插在插座X里的被控家用電器無電不工作。
如按一下紅外光發射器,紅外光接收二極管VI,受紅外光照射立刻呈低電阻狀態,T,導通,電源一路經T1、D1、R2注人T3的基極,使T,迅速導通,繼電器K通電吸合,其常開接點K-。、K-2閉合。K-:使繼電器K自鎖,K-2接通被控電器電源,電器就通電工作,同時發光二極管LED點亮發光表示遙控器對外送電。電源另-路經T1、R:向電容C1充電,由于紅外光照射V1的時間極短,故T很快就恢復截止狀態,所以C1兩端電壓不可能充到T2的開門電平,T2仍能保持截止狀態,對線路無任何影響。需要關閉電器時,只要按動發射器的時間長-一些,使C;兩端電壓充到約0.65V左右,T2就由截止狀態進人導通態,T2的集電極輸出低電平,T2就由導通態進人截止態,繼電器K失電釋放,K-K-2打開,線路回復到原來的關機狀態。
圖2是紅外光發射器電路,采用兩只紅外發光二極管LED,和LED2的目的是增強紅外光線,能有效加大遙控距離。為防止可見光的干擾,可在接收器的紅外光敏二極管V;前面加裝濾色片。此遙控器也可采用普通手電筒取代紅外光發射器,但V1前面的濾色片應去除,為防止雜光干擾,可在V1周圍加裝遮光筒,使只有手電筒發出的直射光線才能照射到V]。
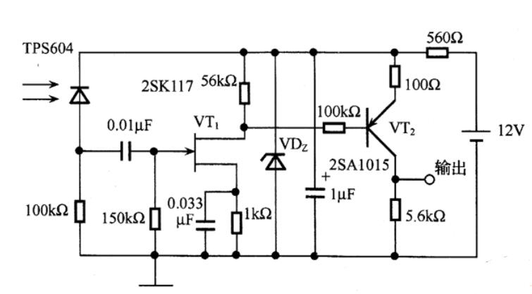
簡單的紅外接收二極管遙控接收電路圖
如圖所示,圖是紅外線遙控接收裝置實例。紅外線傳感器有多種,這里選用光電二極管TPS604。工作原理簡介如下:光電二極管TPS604接收到被調制的紅外線的微弱信號,先經場效應晶體管VT1的前級放大,再經晶體管VT2進行適當的放大,由UT2的集電極輸出相應信號控制有關電路。
VDZ穩壓管為 +5V、 VT1為3DJ6 VT2為 C8550。
紅外接收二極管制作遙控檢測電路
壹芯微科技針對二三極管,MOS管作出了良好的性能測試,應用各大領域,如果您有遇到什么需要幫助解決的,可以點擊右邊的工程師,或者點擊銷售經理給您精準的報價以及產品介紹
工廠地址:安徽省六安市金寨產業園區
深圳辦事處地址:深圳市福田區寶華大廈A1428
中山辦事處地址:中山市古鎮長安燈飾配件城C棟11卡
杭州辦事處:杭州市西湖區文三西路118號杭州電子商務大廈6層B座
電話:13534146615
企業QQ:2881579535

深圳市壹芯微科技有限公司 版權所有 | 備案號:粵ICP備2020121154號