來源:壹芯微 發布日期
2019-12-09 瀏覽:-無輸入整流橋的單級PFC變換器
傳統AC/DC變換器由于輸入整流橋后面直接接儲能大電容,導致變換器輸入諧波大,功率因素低,并且對電網造成污染。為了減小對諧波的污染,要求 AC/DC變換器必須進行功率因素校正。比較常用的方法是在變換器中加入一級有源功率因數校正環節,也就是兩級變換器。但是兩級變換器增加了變換器的成本和復雜度,特別在小功率場合,尤其不適合。為此,提出了單級PFC的概念,也就是將PFC級和DC/DC級集成在一起,共用開關管。隨后提出了新型的單級 PFC族受到了廣泛的關注,單級PFC的各種拓撲和控制方法紛紛出現。
2 無輸入整流橋的單級PFC變換器
PFC級常用的方法是在電網輸入后加全橋整流,而工頻的整流橋不但體積大而且帶來損耗。文獻[1]將單相PWM整流器集成到PFC級,省掉了輸入整流橋,從而提高效率。圖1為PWM整流器的兩種拓撲結構。

圖1(a)和(b)的工作原理類似,都相當于兩個Boost電路,可以在輸入交流電壓正負半波的時候切換工作。圖(b)的優點是兩個MOSFET共源極,這樣就不用采用隔離驅動,簡化設計。而圖(a)中隱藏著一個半橋開關管橋臂,文獻[2]成功的將圖1(a)中PWM整流器應用到電子鎮流器中,設計出無輸入整流橋的半橋結構單級PFC電子鎮流器,并且做出實驗結果。
本文在此基礎上,將圖1(a)中的PWM整流器和對稱半橋集成在一起,設計無輸入整流橋的單級PFC。

3 工作模態分析
圖2所示的單級PFC電路集成PWM整流器和半橋電路,從而省去了輸入整流橋。當交流輸入Vin處于正半波的時候上管作為PFC級和DC/DC級的集成開關管,當交流輸入Vin為負半波的時候,下管為集成開關管。兩組boost電路在工頻周期里實現PFC,而電感Lpfc上的電流始終保持斷續模式,以讓其峰值電流自動跟隨輸入電壓。

由于后級為半橋dc/dc變換器,兩個開關管的占空比都為D, 則后級工作在連續模式時輸出電壓
這里Vo為輸出電壓,n=ns/np為次級繞組比初級繞組的比值,如果次級采用平衡繞組,則兩個次級繞組和初級繞組的比值為n1=n2=n。VC為儲能電容上的電壓。
圖3為Q1和Q2的控制信號。

以下分析各開關模態的工作狀態,在此之前先做一些假設:
1.假設輸出濾波電感和變壓器勵磁電感足夠大,其上的電流可認為是恒流。
2.元器件均為理想器件。
a.輸入電壓為正半波時,Q1占空比為D,Q2占空比也為D:
模態1,圖(4-a):此模態中Q1導通,Lpfc上電流上升儲能,同時C1通過Q1給變換器次級提供能量。
模態2,圖(4-b):此模態中Q1關斷,電感Lpfc電流經D1以及Q2的體二極管給C1,C2充電。變壓器漏感Lr電流和勵磁電流經Q2的體二極管給C2充電。
模態3,圖(4-c):此時Q2導通,C2經變壓器給次級提供能量。
模態4,圖(4-d):此模態中Q2關斷,變壓器漏感Lr電流和勵磁電流經Q1的體二極管給C1充電。

b.輸入電壓為負半波時,Q1,Q2占空比也為D:
在這半個工頻周期內,Q2作為PFC級和DC/DC級的共用開關管。但是其工作原理與正半波的時候完全類似。
4 仿真電路及其波形
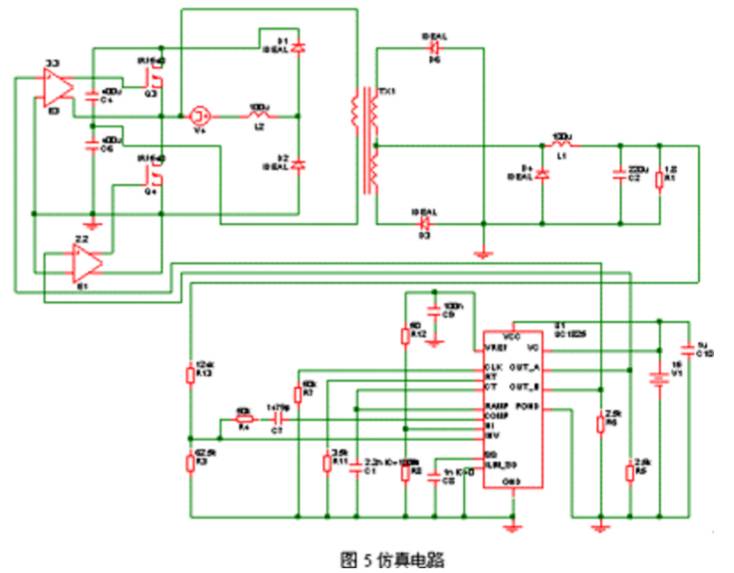
本文利用SIMetrix仿真軟件對無輸入整流橋的單級PFC變換器進行仿真分析。電路參數設置為:輸出功率 =50W,輸入電壓 =200 ,輸出電壓 =12V,電感 =100?H,開關頻率 =100kHZ,輸出濾波電容 =400uF, =400uF。采用芯片為uc1825,兩路控制信號輸出,圖5是仿真電路。仿真輸出波形與理論分析完全相符。輸出電壓12V以及電容(C1C2兩端)電壓,電感Lpfc上電流波形如圖6所示,從圖中可以看出輸入電流跟隨輸入電壓。仿真結果表明上文對基于無輸入整流橋的單級PFC變換器的工作分析是正確的,該電路實現了對系統的功率因數校正功能。


5 穩態分析
為保證高的功率因素單級PFC電路的PFC級工作在DCM,而DC/DC級工作在CCM下,要注意電路功率平衡的問題。
當輸出功率減小的時候,則前級boost電路占空比會減小,則DC/DC級的占空比也會減小(因為共用開關管),就會導致直流母線上的電壓上升從而縮窄脈寬達到新的功率平衡。反之當輸出功率增加的時候,則前級boost電路占空比會增加,則DC/DC級的占空比也會增加(因為共用開關管),就會導致直流母線上的電壓下降從而達到新的功率平衡。所以輕載下,直流母線電壓會達到滿載時候的幾倍以上,這就限制了單級PFC的實際應用。通常采用的方法是對直流母線采取鉗位措施,或者當電壓上升到一定的值,讓DC/DC級也進入DCM模式。當負載變輕時,占空比必然會減小,因此沒有不平衡功率存在,儲能電容的電壓不會因為負載變輕而增加。但是這種組合存在導通損耗和功率開關電流應力大,效率低的缺點
假設開關頻率遠遠高于電網頻率。可令:

這里,Vim為輸入電壓的峰值。如果PFC級占空比為D,開關周期為T,可以得到輸入電流的低頻平均表達式:

那么輸入功率為:

將式(2)和(3)代入式(4),可以的到

這里

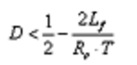
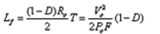
對于DC/DC級,連續模式和斷續模式的臨界條件

當

的時候將會進入連續模式,此時電壓關系式為:

當

的時候將會進入不連續模式,此時電壓關系式為:

這里:

由前面的推導可知通過適當的選擇Lf等參數(根據

此式來選擇)當負載變輕時使DC/DC級也進入DCM模式。當負載變重時使DC/DC級也進入CCM模式來降低電容電壓。
6 結 語
本文介紹了一種新的單級功率因數校正拓撲,由于整流橋和DC/DC變換共用開關管,節省了兩個整流管,減小損耗,提高了效率。給出了仿真電路圖和結果,另外還討論降低儲能電容電壓的方法。
壹芯微科技針對二三極管,MOS管作出了良好的性能測試,應用各大領域,如果您有遇到什么需要幫助解決的,可以點擊右邊的工程師,或者點擊銷售經理給您精準的報價以及產品介紹
工廠地址:安徽省六安市金寨產業園區
深圳辦事處地址:深圳市福田區寶華大廈A1428
中山辦事處地址:中山市古鎮長安燈飾配件城C棟11卡
杭州辦事處:杭州市西湖區文三西路118號杭州電子商務大廈6層B座
電話:13534146615
企業QQ:2881579535

深圳市壹芯微科技有限公司 版權所有 | 備案號:粵ICP備2020121154號