來源:壹芯微 發布日期
2019-12-09 瀏覽:-常見整流橋電路圖匯總
整流電路也分四種類型。
第一種是半波整流,半波整流電路一般情況下只需要一個二極管。詳細的情況我們可以看下下面的圖1,在圖1中你能看到在交流電正半周時 VD 導通,負半周時 VD 截止,負載 R 上得到的是脈動的直流電。
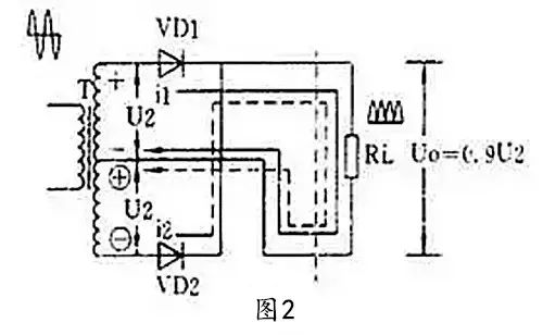
第二種是全波整流,全波整流則是要用到二個二極管,ASEMI工程上也會要求需要有帶中心抽頭的兩個次級線圈,這兩個次級線圈需要圈數相同,以保證相同的電阻。詳細的情況我們可以看下圖2,負載RL得到的就是全波整流電流,輸出電壓比半波整流電路要高。

第三種就是我們常見的全波橋式整流,像我們ASEMI的整流橋一般情況下也都是全波橋式整流,全波橋式整流用的是4個二極管組成的橋式電路,這種電路只能有單個次級線圈的變壓器。見圖3,負載上的電流波形和輸出電壓值與第二種全波整流電路是完全相同的。

最后一種就是倍壓整流。這種整流電路會用多個二極管和電容器來獲得較高的直流電壓。
壹芯微科技針對二三極管,MOS管作出了良好的性能測試,應用各大領域,如果您有遇到什么需要幫助解決的,可以點擊右邊的工程師,或者點擊銷售經理給您精準的報價以及產品介紹
工廠地址:安徽省六安市金寨產業園區
深圳辦事處地址:深圳市福田區寶華大廈A1428
中山辦事處地址:中山市古鎮長安燈飾配件城C棟11卡
杭州辦事處:杭州市西湖區文三西路118號杭州電子商務大廈6層B座
電話:13534146615
企業QQ:2881579535

深圳市壹芯微科技有限公司 版權所有 | 備案號:粵ICP備2020121154號