來源:壹芯微 發布日期
2019-11-19 瀏覽:-雙向晶閘管交流調壓電路解析
同學:老師,雙向晶閘管看起來與單向晶閘管的外形差不多,也有三個電極(圖 2 ),它的主要工作特性是什么呢?


教師:雙向晶閘管相當于兩個單向晶閘管的反向并聯(圖 3 ),但只有一個控制極。這樣,雙向晶閘管在正、反兩個方向上都能夠控制導電,而單向晶閘管卻是一種可控的單方向導電器件。給雙向晶閘管的控制極加正的或負的觸發脈沖,都能使管子觸發導通。這樣,觸發電路的設計就具有很大的靈活性,可以采用多種不同的觸發方式。此外,雙向晶閘管的兩個主電極不再分為陽極和陰極,而是稱為第一電極 T1 和第二電極 T2 。雙向晶閘管在電路中不能用作可控整流元件,主要用來進行交流調壓、交流開關、可逆直流調速等等。
同學:雙向晶閘管觸發電路(圖 1 )中,使用了雙向觸發二極管,我們過去沒有聽說過這種管子,這是一種什么樣的器件呢?
老師:雙向觸發二極管(圖 4 )從結構上來說,是一種沒有控制極的晶閘管,我們可以把它看成是兩個二極管的反向并聯。這樣,無論在雙向觸發二極管的兩極之間外加什么極性的電壓,只要電壓的數值達到管子的轉折電壓值,就能使它導通。值得注意的是,雙向觸發二極管的轉折電壓較高,一般在 20 ~ 40V 范圍。


同學:老師,您給我們講講雙向觸發二極管組成的雙向晶閘管觸發電路的工作原理吧。
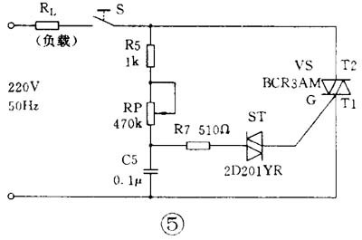
老師:調壓器電路主要由阻容移相電路和雙向晶閘管兩部分組成。我們單獨畫出這兩部分電路(圖 5 ), R5 、 RP 和 C5 構成阻容移相電路。合上電源開關 S ,交流電源電壓通過 R5 、 RP 向電容器 C5 充電,當電容器 C5 兩端的電壓上升到略高于雙向觸發二極管 ST 的轉折電壓時, ST 和雙向晶閘管 VS 相繼導通,負載 RL 得電工作。當交流電源電壓過零瞬間,雙向晶閘管自行關斷,接著 C5 又被電源反向充電,重復上述過程。分析電路時,大家應該意識到,觸發電路是工作在交流電路中的,交流電壓的正、負半周分別會發出正、負觸發脈沖送到雙向晶閘管的控制極,使管子在正、負半周內對稱地導通一次。改變 R P 的阻值,就改變了 C5 的充電速度,也就改變了雙向晶閘管的導通角,相應地改變了負載 RL 上的交流電壓,實現了交流調壓。

同學:您剛剛畫出的電路圖(圖 5 )是不是可以直接作交流調壓器使用呢?
老師:可以。這就是一個簡易型調壓器,在要求不高的場合(如燈具調光)完全可以使用。這種調壓器的缺點有兩個:一是負載RL 上的電壓不能從零伏起調,最低只能調到 20V 。當 RP 調到最大值時, C5 充電速度變得很慢,以致在交流電壓的半個周期時間內, C5 上的電壓還來不及上升到雙向觸發二極管的轉折電壓,雙向晶閘管就不能導通。為了克服這一缺陷,增加了由 R4 、 C4 和 R6 組成的另一條阻容移相電路(圖 1 )。當 RP 調到極限值以上時, C4 上的電壓可經 R6 向 C5 充電,使 C5 上的電壓達到雙向觸發二極管的轉折電壓,以保證在低輸出電壓下雙向晶閘管仍能導通。適當調節 R4 ,就可以得到較低的起調電壓。另一個缺點是雙向晶閘管導通瞬間的突變電流形成的脈沖干擾,會影響調幅收音機和一些通信設備的正常工作,簡易型調壓器不能抑制這種脈沖干擾。
同學:怎么抑制晶閘管導通瞬間產生的電磁干擾呢?
老師:可以利用濾波電路。大家再看電路圖(圖 1 )。電感 L 串聯在主電路上,對突變電流呈現很大的阻抗,起到了平滑濾波作用; R1 、 C1 支路并聯在電源線上,將高頻干擾電流旁路。此外,與負載 R L 并聯的 R2 、 C3 支路進一步濾除了負載電流突變產生的脈沖干擾。這樣,由于采用了雙重濾波電路,起到了較強的抑制干擾的作用。
同學:調壓器的氖管閃光電路的原理我還不太明白。
老師:由二極管 VD 、氖管 ND 、電容器 C2 和電阻 R3 組成了氖管閃光指示電路,它并聯在負載兩端,負載 RL 兩端的交流電壓,經二極管 VD 半波整流后得到的半波脈動直流電壓給 C2 充電,當 C2 上的電壓達到氖管的導通電壓時, C2 通過氖管迅速放電,使氖管閃亮一下。 C2 放電后又繼續被充電,氖管就會不停地閃亮。
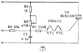
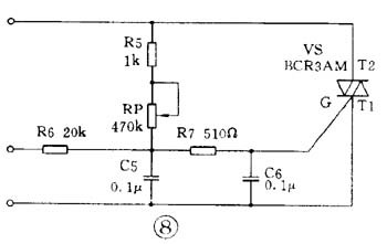
同學:我提個問題。如果手頭上沒有雙向觸發二極管,可以用哪些元器件代換呢?
老師:問題提得很好。雙向晶閘管觸發電路的形式是多種多樣的。我舉幾種電路方案供同學們參考。一種是用試電筆里的氖管替換雙向觸發二極管(圖 6 ),當 C5 上的電壓上升到氛管的導通電壓時,雙向晶閘管就會被觸發導通。另一種是用兩個 NPN 型三極管反向串聯(基極開路)代替雙向觸發二極管(圖 7 ),調壓效果還不錯。再有一種是用 RC 電路取代雙向觸發二極管(圖 8 ),調壓效果要差一些,在對調壓器性能要求不高的情況下可以使用。



同學:雙向晶閘管能不能也采用單結晶體管張弛振蕩器組成的觸發電路呢?
老師:大家知道,雙向晶閘管的特點是不論給它的控制極加上正的或負的觸發脈沖都能使它導通,所以,單結晶體管張弛振蕩器同樣可以作為雙向晶閘管的觸發電路(圖 9 )。這種觸發電路調壓效果很好,只是電路比較復雜。由于單結晶體管張弛振蕩器必須由直流電源供電,所以應用橋式整流電路得到全波脈動直流電壓,再經過穩壓管 VD 削波成為梯形波電壓,為張弛振蕩器供電。

同學:為什么使用梯形波電壓而不用濾波電容器得到平滑的直流電壓呢?
老師:一定要用梯形波電壓,絕對不能使用平滑的直流電壓。這是為了能使觸發脈沖與交流電源同步。經過全波整流、穩壓管削波后得到的梯形波電壓與主電路電壓是同步變化的,即二者同時經過零值,同時上升,同時下降。這樣,當晶閘管上承受的主電壓過零時,與之相應的每一個梯形波電壓的前沿都從零值開始上升,電容器 C 在每個梯形波電壓作用下的第一次充電都是以 Uc 為零開始,并經過相同的時間充電到使 Uc 等于單結晶體管的峰點電壓 Up ,使單結晶體管導通而放電,正是在這一放電瞬間輸出的第一個尖脈沖使晶閘管導通。
總之,雙向晶閘管觸發電路必須包括三個基本環節:同步電壓發生器(產生梯形波同步電壓);觸發脈沖形成器(單結晶體管觸發電路)和移相控制器(電位器 RP )。
壹芯微科技針對二三極管,MOS管作出了良好的性能測試,應用各大領域,如果您有遇到什么需要幫助解決的,可以點擊右邊的工程師,或者點擊銷售經理給您精準的報價以及產品介紹
工廠地址:安徽省六安市金寨產業園區
深圳辦事處地址:深圳市福田區寶華大廈A1428
中山辦事處地址:中山市古鎮長安燈飾配件城C棟11卡
杭州辦事處:杭州市西湖區文三西路118號杭州電子商務大廈6層B座
電話:13534146615
企業QQ:2881579535

深圳市壹芯微科技有限公司 版權所有 | 備案號:粵ICP備2020121154號