來源:壹芯微 發布日期
2019-11-19 瀏覽:-晶閘管可控硅控制電路的制作13案例
一、本活動說明
根據《電子控制技術教學指導意見》,了解常見無觸點繼電器,知道晶閘管的構造和電路符號。了解晶閘管的簡單的工作原理。知道晶閘管的簡單應用電路。.通過晶閘管自動控制器電路的制作活動,了解晶閘管控制電路的基本原理和基本作用。
本活動時間約需90分鐘,通過了解電子元件的基礎上,按照《活動手冊》中的“活動提示”逐步進行安裝。特別要注意的是:1、部分元件插入的位置和高度等;2、關于焊接是否符合要求;3、調試時首先檢查各元件是否安裝正確;教師可以根據實際情況,在學生動手活動時巡回指導,并與學生探討并作一指導。
二、教學建議
可控硅是一種新型的半導體器件,它具有體積小、重量輕、效率高、壽命長、動作快以及使用方便等優點,活動導入以可控硅實際應用案例的展示,以激發學生的活動興趣。

活動提示1:可調電壓插座
電路如圖,可用于調溫(電烙鐵)、調光(燈)、調速(電機),使用時只要把用電器的插頭插入插座即可,十分方便。
V1為雙向二極管2CTS,V2為3CTSI雙向可控硅,調節RP可使插座上的電壓發生變化。
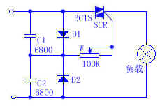
活動提示2:簡易混合調光器

根據電學原理可知,電容器接入正弦交流電路中,電壓與電流的最大值在相位上相差90°。根據這一原理,把C1和C2串聯聯接,并從中間取出該差為我所用,這比電阻與電容串聯更穩定。電路中,D1和D2分別對電源的正半波及負半波進行整流,并加到A觸發和C1或C2充電。進一步用W來改變觸發時間進行移相,只要調整W的阻值,就可達到改變輸出電壓的目的。D1和D2還起限制觸發極的反相電壓保護雙向可控硅的作用。
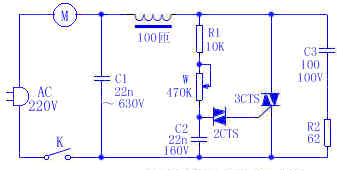
活動提示3:可調速吸塵器
這種吸塵器使用可控硅元件構成調速電路,能根據需要控制電機轉速,以發跡管道吸力的大小。下圖所示的調速電路比較成熟,普遍使用在高檔大功率吸塵器中。

活動提示4:光控電子開關
光控電子開關,它的“開”和“關”是靠可控硅的導通和阻斷來實現的,而可控硅的導通和阻斷又是受自然光的亮度(或人為亮度)的大小所控制的。該裝置適合作為街道、宿舍走廊或其它公共場所照明燈,起到日熄夜亮的控制作用,以節約用電。

工作原理:電路如上圖所示,220V交流電通過燈泡H及整流全橋后,變成直流脈動電壓,作為正向偏壓,加在可控硅VS及R支路上。白天,亮度大于一定程度時,光敏二極管D呈現底阻狀態≤1KΩ,使三極管V截止,其發射極無電流輸出,單向可控硅VS因無觸發電流而阻斷。此時流過燈泡H的電流≤2.2mA,燈泡H不能發光。電阻R1和穩壓二極管DW使三極管V偏壓不超過6.8V,對三極管起保護作用。夜晚,亮度小于一定程度時,光敏二極管D呈現高阻狀態≥100KΩ,使三極管V正向導通,發射極約有0.8V的電壓,使可控硅VS觸發導通,燈泡H發光。RP是清晨或傍晚實現開關轉換的亮度選擇元件。
安裝與調試:安裝時,將裝焊好的印制板放入透明塑料盒內并固定好,將它與受控電燈H串聯,并讓它正對著天幕或房子采光窗前較明亮的空間,避免3米以內夜間燈光的直接照射。調試宜傍晚時進行,調節RP阻值的大小,使受控電燈H在適當的亮度下始點亮。
活動提示5:自動延時照明開關
夜晚離開房間,總要先關掉照明燈。可如果燈開關不在門口,那么關上燈再摸黑走到門口,十分不方便。
本文介紹的一種開關僅用9個元件,可方便地加在原來的開關上,使您的燈在關掉后延時幾十秒鐘,讓您有充足的時間離開房間,免受摸黑之苦。
工作原理:電路原理如下圖所示。A、B分別接在原開關兩端。合上開關S時,交流電的正半周經D6、R2、R1、D1和可控硅控制極,觸發可控硅導通;交流電的負半周經D4、R2、R1、D1和可控硅控制極,觸發可控硅導通。可控硅導通后,相當于短路C、D兩點,因而A、B兩點也經過二極管和導通的可控硅閉合起來。此時照明燈亮。

斷開開關S后,由于電容C1經R1、D1和可控硅控制極放電,使可控硅仍有觸發電流維持導通。放電電流逐漸減小,一段時間后,可控硅截止,燈滅。此電路延時時間約為40~50秒。
元件選擇:可控硅選最大電流1A、耐壓400V的。D1、D3~D6可用1N4004。C1用耐壓630V、35μF的彩電電容。如果合上開關S燈不亮,可適當減小R1的阻值。
活動提示6:聲控音樂彩燈
彩燈控制器的電路如下圖,R1、R2、D和C組成電阻降壓半波整波電路,輸出約3V的直流電供SCR的控制回路用。壓電陶瓷片HTD擔任聲-電換能器,平時調W使BG集電極輸出低電平,SCR關斷,彩燈不亮。當HTD接收到聲波信號后,BG集電極電平升高,SCR即開通,所以彩燈能隨室內收錄機播出的音樂節奏而閃爍發光。

W可用來調節聲控靈敏度,W由大調小時,聲控靈敏度愈高,但W過小時,電燈常亮,這時就失去聲控作用,使用調試時,將W由大逐漸調小至某一阻值時,電燈即點亮,再將W退回少許(即稍微調大),電燈就熄滅,這時聲控靈敏度最高,離HTD二三米遠處普通談話聲就能使彩燈閃爍。如嫌靈敏度太高,只要將W調大些即可,電燈長亮不熄,表示BG的放大倍數β值過小,應更換β大些的三極管。電阻均為1/8W碳膜電阻。
活動提示7:簡易延時照明燈
本文介紹的這種延時照明燈非常簡單,安裝也十分方便,將它直接連接于普通開關的兩端即可。使用時,打開開關電燈點亮,關燈后由于延時電路的作用使電燈仍亮幾秒鐘后自動熄滅。本電路安全可靠,適合初學者自制。
電路原理:該延時照明燈的電路如附圖所示。延時電路如虛線框內所示。圖中K為拉線開關或墻壁開關,當K閉合后,該延時電路不工作,電燈處于正常的發光狀態。當K被關斷后,該電壓一方面經R1向電容C充電,由于在C的充電期間沒有電流流過R2,則三極管V一直處于截止狀態;另一方面,該電壓經R3、R4向可控硅SCR提供觸發電壓,使可控硅處于導通狀態,因此在關燈后電燈亮一段時間。當電容C被充足電后,使三極管V由截止轉為導通狀態,將可控硅SCR關斷,電燈也就熄滅了。

本電路關燈延時期間,延時時間由R1、C的取值來確定,讀者也可根據各自需要自行確定。本電路中的可控硅,筆者選用的為單向可控硅,在關燈延時期間電燈的亮度約為開燈時亮度的一半,以適合人們的視覺上的需要,同時又可節能。
電路制作:圖中單向可控硅SCR選用MCR100-8,耐壓須為600V以上。燈泡的功率不大于100W為宜。二極管VD為1N4007,V為C1815。電阻均為1/8W碳膜電阻。
制作時,用一小塊電路板將圖中虛線框內各元器件焊裝上。最好將本電路裝在拉線開關底部凹槽內,用膠水粘牢并將引線接至開關兩接線端即可。
活動提示8:單鍵自鎖開關

單鍵自鎖開關說明
1、上電不動作。
2、按鈕按下后再釋放,繼電器吸合。
3、按鈕長按時,繼電器釋放,松開后繼電器吸合。
4、按鈕點按時:繼電器釋放 ←→ 吸合循環動作。
5、因為47Ω電阻有壓降,繼電器可以用DC9V的。
活動提示9:簡單的停電自鎖開關

電網供電正常時,它象普通開關一樣使用。按一下K1,220V交流電經R1和R2分壓給雙向可控硅提供一觸發電壓,使雙向可控硅導通。可控硅導通后,在電源電壓正半周期間,少量電流經R4、D向C充電,同時經R3、R2分壓觸發可控硅;在負半周期間,C向R3和R2放電并觸發雙向可控硅,這樣使雙向可控硅繼續導通,保證負載正常工作。一旦電網突然停電,C上的電荷經R3和R2放電。在電網恢復供電后,由于K1常開,C上又無電壓,不能使雙向可控硅觸發導通,電路呈斷開自鎖狀態,因此沒有電流流過負載。只有重按一下K1,負載才能正常工作,從而有效地防止了因斷電后恢復供電造成的浪費和事故。常閉按鈕K2用于正常供電情況下關斷電路。
活動提示10:雙色彩燈
本彩燈是以多諧振蕩器為控制信號,燈光交替閃耀,可給節日晚上(尤其是舞會)增加不少光彩和歡快氣氛。
工作原理如下圖所示。交流220V電源經C1、VD1、VD2及VD3降壓、整流、濾波后,在VD3兩端得到3V的穩定電壓。多諧振蕩器中的VT1、VT2輪流導通,其集電極電流控制雙向晶閘管VS1和VS2工作,彩燈將交替閃爍著光彩。

元器件選擇:電容C1為0.47μ/400V(滌綸電容)、C2為220μ/6V,C3、C4為50μ/16V。電阻R1為1M/1W,R2、R3為20K/1/4W。二極管VD1、VD2選1N4004。穩壓二極管VD3選3V/1W。發光二極管VD4、VD5為FG114001。雙向晶閘管VS1、VS2為TLC3A/400V。三極管VT1、VT2為3CK9D,60≤β≤120。
使用方法:
(1)如彩燈不亮,將3V穩壓管換成4.5V穩壓管。
(2)為防止流過發光二極管VD4、VD5的電流過大,最好在其回路中分別串入一個300Ω的限流電阻。
(3)調整時,改變R1、R2或C1、C2的大小,則可直接控制彩燈相互變化的快慢節奏。
(4)如雙向晶閘管VS1、VS2用3A/400V,最好負載功率在300W以下,切忌不可超過最高限額500W。如想增大功率,可選用電流大于3A的晶閘管,但C1的容量還需增加。如原用0.47μ/400V可換成0.68~1μ/400V即可。
(5)本裝置采用塑料作外殼,以避免市電源對人的觸電,這樣更為安全。
活動提示11:可控硅交流調壓器
交流調壓器采用可控硅調壓器。電路簡單、裝置容易、控制方便的可控硅交流調壓器,這可用作家用電器的調壓裝置,進行照明燈調光,電風扇調速、電熨斗調溫等控制。本活動調壓器的輸出功率達100W,一般家用電器都能使用。
1:電路原理:電路圖如下

可控硅交流調壓器由可控整流電路和觸發電路兩部分組成,從圖中可知,二極管D1—D4組成橋式整流電路,雙基極二極管T1構成張弛振蕩器作為可控硅的同步觸發電路。當調壓器接上220V交流電通過負載電阻RL經二極管D1—D4整流,在可控硅SCR的A、K兩端形成一個脈動直流電壓,該電壓由電阻R1降壓后作為觸發電路的直流電源。在交流電的正半周時,整流電壓通過R4、W1對電容C充電。當充電電壓Uc達到T1管的峰值電壓Up時,T1管由截止變為導通,于是電容C通過T1管的e、b1結和R2迅速放電,結果在R2上獲得一個尖脈沖。這個脈沖作為控制信號送到可控硅SCR的控制極, 使可控硅導通。可控硅導通后的管壓降很低,一般小于1V,所以張弛振蕩器停止工作。當交流電通過零點時,可控硅自關斷。當交流電在負半周時,電容C又從新充電……如此周而復始,便可調整負載RL上的功率了。
2:元器件選擇
調壓器的調節電位器選用阻值為470KΩ的WH114-1型合成碳膜電位器,這種電位器可以直接焊在電路板上,電阻除R1要用功率為1W的金屬膜電阻外,其佘的都用功率為1/8W的碳膜電阻。D1—D4選用反向擊穿電壓大于300V、最大整流電流大于0.3A的硅整流二極管,如2CZ21B、2CZ83E、2DP3B等。SCR選用正向與反向電壓大于300V、額定平均電流大于1A的可控硅整流器件,如國產3CT
活動提示12:電熱毯溫控器
市售電熱毯一般有高、低兩個溫度檔。使用時,撥在高溫檔,入睡后總被熱醒;撥在低溫檔,有時醒來會覺得熱度不夠。為此,筆者制作了這種電熱毯溫控器,它可以把電熱毯的溫度控制在一個適宜的范圍內。
工作原理:電路如下圖所示。圖中IC為NE555時基電路;RP3為溫度調節電位器,其滑動臂電位決定IC的觸發電位V2和閾電位Vf,且V5=Vf=2Vz。220V交流電壓經C1、R1限流降壓,D1、D2整流,C2濾波,DW穩壓后,獲得9V左右的電壓供IC用。室溫下接通電源,因已調V2<Vz、V6<Vf,IC③腳為高電位,BCR被觸發導通,電熱絲通電發熱,溫度逐漸升高。熱敏傳感器BG1隨溫度的升高,其穿透電流Iceo增大,V2、V6升高。當V2>Vz,V6≥Vf時,IC翻轉,③腳變為低電位,BCR截止郵電局熱絲停止發熱,溫度開始逐漸下降,BG1的Iceo隨之逐漸減小,V2、V6降低。當V6<Vf,V2≤Vz時,IC③腳回到高電位,BCR又被觸發導通,電熱絲又開始發熱。實踐證明,調節RP2使V2=1/2V6時,溫差為零;而V2=V6時最大。

元件選擇:BG1可選用3AX、3AG等PNP型鍺管;BCR用400V以上小型塑封雙向可控硅,其它元件可按圖標選用。
制作要點:熱敏傳感器BG1可用耐溫的細軟線引出,并將其連同管腳接頭裝入一電容器鋁殼內,注入導熱硅脂,制成溫度探頭。使用時,把該探頭放在適當部位即可。
活動提示13:安全省電的按鍵式床頭燈
一盞延時式床頭燈,對于許多讀者在夜晚使用是很方便的。本文介紹的按鍵式床頭燈能安全和方便的要求,電路原理如下圖所示。

該床頭燈由節電型單穩態電路和亮度可控照明燈兩部分組成。兩部分靠光電耦合器耦合,電氣部分完全獨立,使用十分安全。當K1斷開時,VT1截止,其集電極電壓為0V,VT2截止,NE555第①腳接地端開路而不工作,此時,電路的耗電僅為VT1、VT2的穿透電流,約3~5μA,四節電池能使用一年半以上。按下K1后,VT1飽和導通,R3兩端電壓接近電源電壓,VT2飽和導通,NE555工作,此時,NE555第②腳由高電平變為低電平,而且低于1/3的電源電壓,NE555翻轉,第③腳輸出高電平,其一路能過R7驅動光電耦合器4N25,使雙向可控硅VS導通,床頭燈H點亮;另一路通過二極管VD1、電阻R6向VT2提供足夠大的偏流,維持VT2飽和導通,此時,即使K1斷開,VT2的工作狀態也不變,即NE555的暫穩狀態不變。在此期間,電源經R5為C1充電,使C1兩端電壓不斷升高,當C1兩端電壓大于2/3電源電壓時,通過NE555的放電端第⑦腳放電,NE555的暫穩態結束,第三③腳由高電平變為低電平,VT2截止,進入另一個穩定狀態,只有在K1再次接通時,NE555才再次進入暫穩態,床頭燈再次點亮。
該床頭燈所用元件型號及數據如附圖所示,無特殊要求。整個床頭燈安裝容易,調試簡單,只要安裝無誤,就能正常使用。若延時時間太短,可加大R5的阻值或C1的容量,反之亦然。安裝時將按鍵部分外置,其余元件裝入塑料盒內,以確保使用安全。
壹芯微科技針對二三極管,MOS管作出了良好的性能測試,應用各大領域,如果您有遇到什么需要幫助解決的,可以點擊右邊的工程師,或者點擊銷售經理給您精準的報價以及產品介紹
工廠地址:安徽省六安市金寨產業園區
深圳辦事處地址:深圳市福田區寶華大廈A1428
中山辦事處地址:中山市古鎮長安燈飾配件城C棟11卡
杭州辦事處:杭州市西湖區文三西路118號杭州電子商務大廈6層B座
電話:13534146615
企業QQ:2881579535

深圳市壹芯微科技有限公司 版權所有 | 備案號:粵ICP備2020121154號