來源:壹芯微 發布日期
2021-12-28 瀏覽:-STD3NK50Z參數,中文資料,規格書 - 場效應MOS管 - 壹芯微
STD3NK50Z中文參數,STD3NK50Z封裝引腳圖,STD3NK50Z數據手冊,MOS管選型替代(生產廠家)

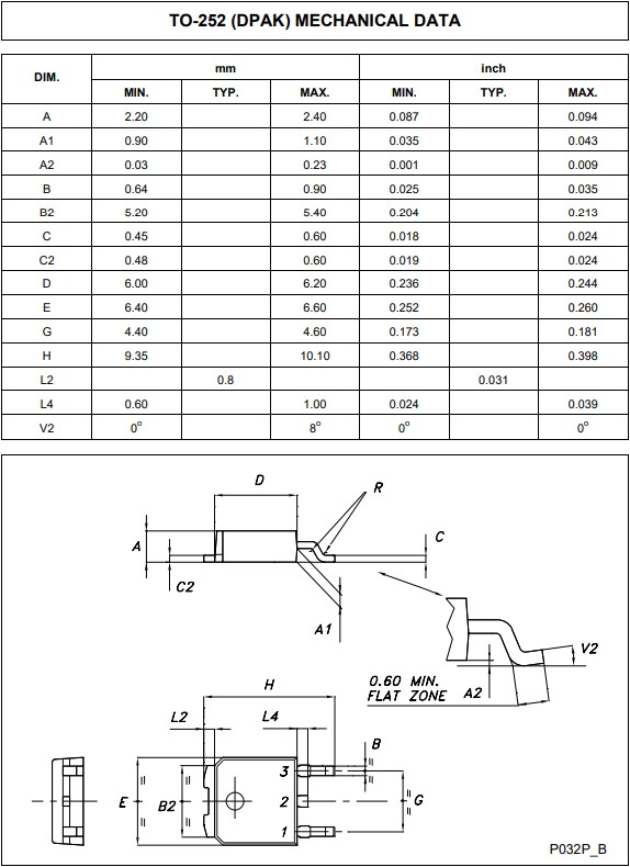
STD3NK50Z場效應管封裝TO-252,TO-251,TO-92,

特征
· 典型 RDS(on)=2.8Ω
· 極高的dv/dt能力
· ESD改進能力)
· 100%雪崩測試
· 新的高壓基準
· 柵極電荷最小化
絕對最大額定值(TC=25°C,除非另有說明)
漏源電壓(VDSS):500V
柵源電壓(VGSS):±30V
漏極電流-連續(TJ=25°C)(ID)
(TO-252/TO-251):2.3A
(TO-92):0.5A
漏極電流-脈沖(IDM)
(TO-252/TO-251):9.2A
(TO-92):2A
功耗(TC=25°C)(PD)
(TO-252/TO-251):45W
(TO-92):3W
二極管恢復峰值(dv/dt):4.5V/ns
工作與貯存溫度范圍(TJ,TSTG):-55~150°С
熱阻-結到外殼(RθJC)
(TO-252/TO-251):2.77°C/W
熱阻-結到環境(RθJA)
(TO-252):50(#)
(TO-251):100
(TO-92):-




〔壹芯微〕國內功率半導體制造廠商,主營各類貼片與直插,二極管、三極管、MOS(場效應管)、可控硅、三端穩壓管、整流橋,IC(集成電路);參數達標,質量保障,工廠直銷(價省20%),免費送樣,選型替代,技術支持,專業售后,如需了解產品詳情或最新報價,歡迎咨詢官網在線客服。
手機號/微信:13534146615
QQ:2881579535(點擊可咨詢)
工廠地址:安徽省六安市金寨產業園區
深圳辦事處地址:深圳市福田區寶華大廈A1428
中山辦事處地址:中山市古鎮長安燈飾配件城C棟11卡
杭州辦事處:杭州市西湖區文三西路118號杭州電子商務大廈6層B座
電話:13534146615
企業QQ:2881579535

深圳市壹芯微科技有限公司 版權所有 | 備案號:粵ICP備2020121154號