來源:壹芯微 發布日期
2020-08-20 瀏覽:-三極管-MOSFET-IGBT的區別 所有人都知道IGBT的標準定義,但是很少有人詳細地、系統地從這句話抽絲剝繭,一層一層地分析為什么定義里說IGBT是由BJT和MOS組成的,它們之間有什么區別和聯系,在應用的時候,什么時候能選擇IGBT、什么時候選擇BJT、什么時候又選擇MOSFET管。這些問題其實并非很難,你跟著我看下去,就能窺見其區別及聯系。
為什么說IGBT是由BJT和MOSFET組成的器件?
要搞清楚IGBT、BJT、MOSFET之間的關系,就必須對這三者的內部結構和工作原理有大致的了解。
BJT:
雙極性晶體管,俗稱三極管。內部結構(以PNP型BJT為例)如下圖所示。

BJT內部結構及符號
如同我上篇文章(IGBT這玩意兒——從名稱入手)講的,雙極性即意味著器件內部有空穴和電子兩種載流子參與導電,BJT既然叫雙極性晶體管,那其內部也必然有空穴和載流子,理解這兩種載流子的運動是理解BJT工作原理的關鍵。
由于圖中 e(發射極)的P區空穴濃度要大于b(基極)的N區空穴濃度,因此會發生空穴的擴散,即空穴從P區擴散至N區。同理,e(發射極)的P區電子濃度要小于b(基極)的N區電子濃度,所以電子也會發生從N區到P區的擴散運動。
這種運動最終會造成在發射結上出現一個從N區指向P區的電場,即內建電場。該電場會阻止P區空穴繼續向N區擴散。倘若我們在發射結添加一個正偏電壓(p正n負),來減弱內建電場的作用,就能使得空穴能繼續向N區擴散。
擴散至N區的空穴一部分與N區的多數載流子——電子發生復合,另一部分在集電結反偏(p負n正)的條件下通過漂移抵達集電極,形成集電極電流。
值得注意的是,N區本身的電子在被來自P區的空穴復合之后,并不會出現N區電子不夠的情況,因為b電極(基極)會提供源源不斷的電子以保證上述過程能夠持續進行。這部分的理解對后面了解IGBT與BJT的關系有很大幫助。
MOSFET:
金屬-氧化物-半導體場效應晶體管,簡稱場效晶體管。內部結構(以N-MOSFET為例)如下圖所示。

MOSFET內部結構及符號
在P型半導體襯底上制作兩個N+區,一個稱為源區,一個稱為漏區。漏、源之間是橫向距離溝道區。在溝道區的表面上,有一層由熱氧化生成的氧化層作為介質,稱為絕緣柵。在源區、漏區和絕緣柵上蒸發一層鋁作為引出電極,就是源極(S)、漏極(D)和柵極(G)。
上節我們提到過一句,MOSFET管是壓控器件,它的導通關斷受到柵極電壓的控制。我們從圖上觀察,發現N-MOSFET管的源極S和漏極D之間存在兩個背靠背的pn結,當柵極-源極電壓VGS不加電壓時,不論漏極-源極電壓VDS之間加多大或什么極性的電壓,總有一個pn結處于反偏狀態,漏、源極間沒有導電溝道,器件無法導通。
但如果VGS正向足夠大,此時柵極G和襯底p之間的絕緣層中會產生一個電場,方向從柵極指向襯底,電子在該電場的作用下聚集在柵氧下表面,形成一個N型薄層(一般為幾個nm),連通左右兩個N+區,形成導通溝道,如圖中黃色區域所示。當VDS>0V時,N-MOSFET管導通,器件工作。
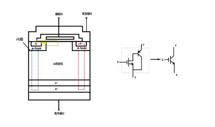
了解完以PNP為例的BJT結構和以N-MOSFET為例的MOSFET結構之后,我們再來看IGBT的結構圖↓

IGBT內部結構及符號
黃色色塊表示IGBT導通時形成的溝道。
首先看黃色虛線部分,細看之下是不是有一絲熟悉之感?
這部分結構和工作原理實質上和上述的N-MOSFET是一樣的。當VGE>0V,VCE>0V時,IGBT表面同樣會形成溝道,電子從n區出發、流經溝道區、注入n漂移區,n漂移區就類似于N-MOSFET的漏極。
藍色虛線部分同理于BJT結構,流入n漂移區的電子為PNP晶體管的n區持續提供電子,這就保證了PNP晶體管的基極電流。我們給它外加正向偏壓VCE,使PNP正向導通,IGBT器件正常工作。
這就是定義中為什么說IGBT是由BJT和MOSFET組成的器件的原因。
此外,圖中我還標了一個紅色部分,這部分在定義當中沒有被提及的原因在于它實際上是個npnp的寄生晶閘管結構,這種結構對IGBT來說是個不希望存在的結構,因為寄生晶閘管在一定的條件下會發生閂鎖,讓IGBT失去柵控能力,這樣IGBT將無法自行關斷,從而導致IGBT的損壞。具體原理在這里暫時不講,后續再為大家更新。
2、IGBT和BJT、MOSFET之間的因果故事
BJT出現在MOSFET之前,而MOSFET出現在IGBT之前,所以我們從中間者MOSFET的出現來闡述三者的因果故事。
MOSFET的出現可以追溯到20世紀30年代初。德國科學家Lilienfeld于1930年提出的場效應晶體管概念吸引了許多該領域科學家的興趣,貝爾實驗室的Bardeem和Brattain在1947年的一次場效應管發明嘗試中,意外發明了電接觸雙極晶體管(BJT)。
兩年后,同樣來自貝爾實驗室的Shockley用少子注入理論闡明了BJT的工作原理,并提出了可實用化的結型晶體管概念。
1960年,埃及科學家Attala及韓裔科學家Kahng在用二氧化硅改善BJT性能的過程中意外發明了MOSFET場效應晶體管,此后MOSFET正式進入功率半導體行業,并逐漸成為其中一大主力。
發展到現在,MOSFET主要應用于中小功率場合如電腦功率電源、家用電器等,具有門極輸入阻抗高、驅動功率小、電流關斷能力強、開關速度快、開關損耗小等優點。
隨著下游應用發展越來越快,MOSFET的電流能力顯然已經不能滿足市場需求。為了在保留MOSFET優點的前提下降低器件的導通電阻,人們曾經嘗試通過提高MOSFET襯底的摻雜濃度以降低導通電阻,但襯底摻雜的提高會降低器件的耐壓。這顯然不是理想的改進辦法。
但是如果在MOSFET結構的基礎上引入一個雙極型BJT結構,就不僅能夠保留MOSFET原有優點,還可以通過BJT結構的少數載流子注入效應對n漂移區的電導率進行調制,從而有效降低n漂移區的電阻率,提高器件的電流能力。
經過后續不斷的改進,目前IGBT已經能夠覆蓋從600V—6500V的電壓范圍,應用涵蓋從工業電源、變頻器、新能源汽車、新能源發電到軌道交通、國家電網等一系列領域。IGBT憑借其高輸入阻抗、驅動電路簡單、開關損耗小等優點在龐大的功率器件世界中贏得了自己的一片領域。
總體來說,BJT、MOSFET、IGBT三者的關系就像下面這匹馬

當然更準確來說,這三者雖然在之前的基礎上進行了改進,但并非是完全替代的關系,三者在功率器件市場都各有所長,應用領域也不完全重合。因此,在時間上可以將其看做祖孫三代的關系,但在技術、應用等方面更像是并列關系。
壹芯微科技針對二三極管,MOS管作出了良好的性能測試,應用各大領域,如果您有遇到什么需要幫助解決的,可以點擊右邊的工程師,或者點擊銷售經理給您精準的報價以及產品介紹
工廠地址:安徽省六安市金寨產業園區
深圳辦事處地址:深圳市福田區寶華大廈A1428
中山辦事處地址:中山市古鎮長安燈飾配件城C棟11卡
杭州辦事處:杭州市西湖區文三西路118號杭州電子商務大廈6層B座
電話:13534146615
企業QQ:2881579535

深圳市壹芯微科技有限公司 版權所有 | 備案號:粵ICP備2020121154號