來源:壹芯微 發布日期
2021-03-08 瀏覽:-三極管的開關應用知識
三極管的開關特性我們都明白了。在分析多諧振蕩器電路(圖1)時,兩個三極管VT1、VT2的電路是對稱的,合上電源開關S,電源VCC同時通過Rb1、Rb2向VT1、VT2提供基極電流,兩個管子同時導通并達到飽和,怎么能夠產生振蕩呢?
從電路圖(圖1)上看,VT1、VT2兩個三極管開關電路是對稱的,可是必須提醒大家記住,對稱總是相對的,不對稱是絕對的。兩只管子在導電性能不可避免地會存在著微小的差異。假設VT1管導通優先于VT2管,也就是Ib1上升得比Ib2稍快一些,這時Ic1也就上升得稍快一些,相應地Uc1下降得也會快一些,這個變化量通過電容器C1的耦合,使VT2管的基極電位Ub2下降,Ib2、Ic2下降,引起Uc2上升,這一變化量又通過電容器C2加到VT1管的基極,使VT2管的基極電流Ib1進一步增大,形成一邊倒的傾向,這樣的連鎖反應叫做正反饋。正反饋過程如同雪崩一樣,進行得極為迅速,幾乎在瞬間,使VT1管進入飽和狀態,VT2進入截止狀態。這就是說,VT1管相當于接通的開關,所以紅色發光二極管VD1點燃;VT2管相當于斷開的開關,所以綠色發光二極管VD2熄滅。這時,VT1管集電極輸出低電平,VT2管集電極輸出高電平。值得注意的是,這種狀態不是穩定的,只能稱作暫穩態。這主要是因為電路中接入了儲能元件——電容器。電容器的充電和放電,引起了電路狀態的交替轉換。現在哪個同學來分析一下電容器的充電過程。
先畫一個VT1管飽和、VT2管截止的等效電路(圖7)。從圖上可以看到,電源VCC通過Rb2向電容器C1充電,在C1上的充電電壓是左負右正。

是的。需要注意,電容器C1的充電過程是需要經歷一定的時間的,Rb2、C1越大,充電時間越長,暫穩態維持的時間也越長。在充電過程中,VT2管的基極電位Ub2在逐漸升高,當Ub2上升到VT2管的導通電壓Ube2≈0.5V時,VT2由截止變為導通,這時Ib2在逐漸增大,Ic2隨之增大,Uc2則逐漸下降,通過C2的耦合,使Ub1也逐漸下降……,出現了正反饋的連鎖反應,幾乎在瞬間,使VT2管飽和、VT1管截止,電路進入第二個暫穩狀態。
同學:再畫出等效電路(圖8)就更清楚了。這時候,電源VCC又通過Rb1向C2充電,使Ub1逐漸上升,最后導致VT1管飽和、VT2管截止,電源VCC再一次通過Rb1向C2充電……。這樣周而復始地進行下去,電路就產生了振蕩。

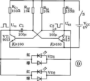
老師:分析得很好。多諧振蕩器接通電源以后,就能自己振蕩起來,它沒有穩定狀態,所以又叫它無穩態電路。由于兩只三極管不停地在飽和與截止兩種狀態下交替轉換,集電極輸出端U01、U02就交替地在低電平和高電平之間周期性地變換,產生了連續的矩形脈沖。所以,多諧振蕩器在數字電路中常常作為脈沖信號源。多諧振蕩器的應用是靈活的和多種多樣的。請同學們再來看這張電路圖(圖9),利用它可以制作一個眼睛會不斷改變顏色的小貓。電路中用了兩只雙色發光二極管,它們隨著多諧振蕩器的振蕩,交替地發出紅光和綠光。現在誰來分析一下發光二極管是怎么改變顏色的?

同學:這兩個雙色發光二極管是并聯跨接在多諧振蕩器兩個三極管的集電極輸出端之間。VT1管飽和時,VT2管截止,U01為低電平,U02為高電平,兩個雙色發光二極管中的紅色發光二極管正向偏置而導通,管子發紅光;電路轉換成VT1管截止、VT2管飽和時,U01變為高電平,Uc2變為低電平,兩個雙色發光二極管發綠光。
老師:是這樣。同學們已經開始學習和運用脈沖數字電路的分析方法。為了幫助大家熟悉三極管的開關應用,再來一起分析一個磁控開關電路(圖10)。這個電路用來控制三極管完成開關動作的元件是干簧管(也叫磁簧開關)。在沒有磁鐵靠近干簧管時,干簧管的接點是斷開的,VT1管沒有基極電流,處于截止狀態,紅色發光二極管VD1不亮,VT1的集電極為高電位,經電阻分壓耦合,使VT2飽和,綠色發光二極管VD2點燃。當有磁鐵靠近干簧管時,干簧管內部的簧片接點被磁化而吸合,接通了VT1管的基極回路,電源VCC通過R1向VT1管注入足夠大的基極電流,使VT1管飽和,紅色發光二極管VD1點燃。VT1飽和后,集電極輸出低電位,經電阻分壓耦合,使VT2管截止,綠色發光二極管VD2熄滅。這種形式的開關電路又稱為施密特電路。

壹芯微科技針對二三極管,MOS管作出了良好的性能測試,應用各大領域,如果您有遇到什么需要幫助解決的,可以點擊右邊的工程師,或者點擊銷售經理給您精準的報價以及產品介紹
工廠地址:安徽省六安市金寨產業園區
深圳辦事處地址:深圳市福田區寶華大廈A1428
中山辦事處地址:中山市古鎮長安燈飾配件城C棟11卡
杭州辦事處:杭州市西湖區文三西路118號杭州電子商務大廈6層B座
電話:13534146615
企業QQ:2881579535

深圳市壹芯微科技有限公司 版權所有 | 備案號:粵ICP備2020121154號