來源:壹芯微 發布日期
2021-12-01 瀏覽:-NDD05N50ZT4G場效應管參數,NDD05N50ZT4G規格書下載,中文資料
壹芯微®NDD05N50ZT4G替代國際知名品牌對應型號,MOS(場效應管)NDD05N50ZT4G詳細參數,封裝引腳圖,規格書(數據手冊)

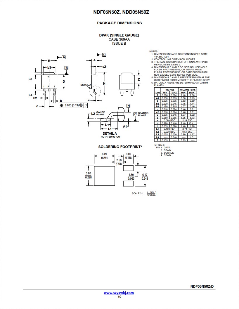
(圖:NDD05N50ZT4G場效應管封裝TO-252引腳圖)
| 參數 | 符號 | 值 | 單位 |
| 漏極-源極電壓 | VDSS | 500 | V |
| 柵極-源極電壓 | VGSS | ±30 | V |
| 雪崩電流 | IAR | - | A |
| 柵極-源極電壓(TJ=25°C) | ID | 4.7 | A |
| 柵極-源極電壓(TJ=100°C) | ID | 3 | A |
| 脈沖漏極電流 | IDM | 19 | A |
| 單脈沖雪崩能量 | EAS | 130 | mJ |
| 重復雪崩能量 | EAR | - | mJ |
| 二極管恢復峰值 | dv/dt | 4.5 | V/ns |
| 功耗,(TC=25°C) | PD | 83 | W |
| 工作結溫范圍 | TJ | -55~150 | °С |
| 貯存溫度范圍 | TSTG | -55~150 | °С |
| 熱阻-結到外殼 | RθJC | 1.5 | °C/W |
| 熱阻-結到環境 | RθJA | 38 | °C/W |
| 焊接的最高引線溫度 | TL | 260 | °С |
(參數表(如上):絕對最大額定參數與電氣特性等)
NDD05N50ZT4G.PDF規格書/數據手冊(點擊紅色字體下載)





壹芯微(二,三極管,MOS管專業生產商)主要生產與銷售:肖特基二極管,整流/高效整流二極管,快恢復/超快恢復二極管,TVS二極管,場效應管,三極管,可控硅,三端穩壓管,整流橋,IC集成電路;工廠直銷價,品質保障,提供售前選型,送樣測試,技術支持,售后FEA,如需了解產品詳情或最新報價,歡迎咨詢官網在線客服。
手機號/微信:13534146615
QQ:2881579535(點擊可咨詢)
工廠地址:安徽省六安市金寨產業園區
深圳辦事處地址:深圳市福田區寶華大廈A1428
中山辦事處地址:中山市古鎮長安燈飾配件城C棟11卡
杭州辦事處:杭州市西湖區文三西路118號杭州電子商務大廈6層B座
電話:13534146615
企業QQ:2881579535

深圳市壹芯微科技有限公司 版權所有 | 備案號:粵ICP備2020121154號