來源:壹芯微 發布日期
2021-07-29 瀏覽:-「MMBTA42」電力晶體管分類|結構|原理|特點
型號:MMBTA42(500mA,300V)
封裝:SOT-89/TO-92
多種封裝 尺寸不同 參數一致 免費樣品 歡迎咨詢

電力晶體管按英文Giant Transistor--GTR,是一種耐高電壓、大電流的雙極結型晶體管(Bipolar Junction Transistor-BJT),所以有時也稱為Power BJT;但其驅動電路復雜,驅動功率大;GTR和普通雙極結型晶體管的工作原理是一樣的。
一、電力晶體管分類及圖形符號
電力晶體管分類
目前常用的電力晶體管的單管、達林頓管和模塊這3種類型。
1. 單管電力晶體管
NPN三重擴散臺面型結構是單管電力晶體管的典型結構,這種結構可靠性高,能改善器件的二次擊穿特性,易于提高耐壓能力,并易于散出內部熱量。
2. 達林頓電力晶體管
達林頓結構的電力晶體管是由2個或多個晶體管復合而成,可以是PNP型也可以是NPN型,其性質取決于驅動管,它與普通復合三極管相似。達林頓結構的電力晶體管電流放大倍數很大,可以達到幾十至幾千倍。雖然達林頓結構大大提高了電流放大倍數,但其飽和管壓降卻增加了,增大了導通損耗,同時降低了管子的工作速度。
3. 電力晶體管模塊
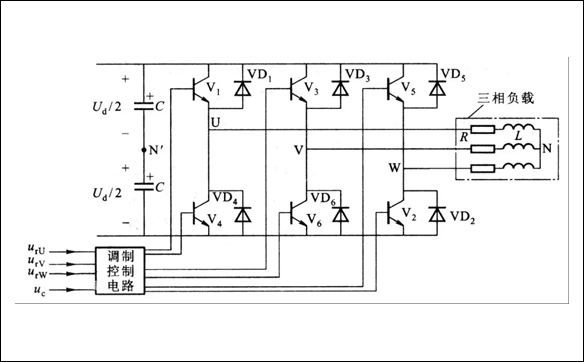
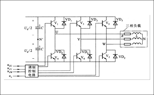
目前作為大功率的開關應用還是電力晶體管模塊,它是將電力晶體管管芯及為了改善性能的1個元件組裝成1個單元,然后根據不同的用途將幾個單元電路構成模塊,集成在同一硅片上。這樣,大大提高了器件的集成度、工作的可靠性和性能/價格比,同時也實現了小型輕量化。目前生產的電力晶體管模塊,可將多達6個相互絕緣的單元電路制在同一個模塊內,便于組成三相橋電路。
電力晶體管圖形符號
電力晶體管通常用GTR表示,GTR是巨型晶體管Giant Transis tor的縮寫。電力晶體管的電流是由電子和空穴兩種載流子運動而形成的,故又稱為雙極型電力晶體管。
在各種自關斷器件中,電力晶體管的應用最為廣泛。在數百千瓦以下的低壓電力電子裝置中,使用最多的就是電力晶體管。
電力晶體管的結構和工作原理都和小功率晶體管非常類似。電力晶體管是由三層硅半導體、兩個PN結構成的。它和小功率晶體管一樣,也有PNP和NPN兩種結構。因為在同樣結構參數和物理參數的條件下,NPN晶體管比PNP晶體管性能優越得多,所以高壓大功率電力晶體管多用NPN結構,本節主要研究這種結構的器件。
圖1-a是NPN型電力晶體管的結構圖,圖1-b是其電氣圖形符號。大多數電力晶體管是用三重擴散法制作的,或者是在集電區高摻雜的N+硅襯底上用外延生長法生長一層N漂移層,然后在上面擴散P基區,接著擴散高摻雜的N+發射區。基極和發射極在一個平面上制成叉指式,以減少電流集中,提高器件的通流能力。

二、電力晶體管結構及工作原理
電力晶體管有與一般雙極型晶體管相似的結構、工作原理和特性。它們都是3層半導體,2個PN結的三端器件,有PNP和NPN這2種類型,但GTR多采用NPN型。
在應用中,GTR一般采用共發射極接法。集電極電流i c與基極電流i b的比值為β=i c/i b 式中,β稱為GTR的電流放大系數,它反映出基極電流對集電極電流的控制能力。單管GTR的電流放大系數很小,通常為10左右。
在考慮集電極和發射極之間的漏電流時,i c=βi b+I c e o (2)GTR的結構和工作原理與普通的雙極結型晶體管基本原理是一樣的。
最主要的特性是耐壓高、電流大、開關特性好。

三、電力晶體管特點
1. 輸出電壓
可以采用脈寬調制方式,故輸出電壓為幅值等于直流電壓的強脈沖序列。
2. 載波頻率
由于電力晶體管的開通和關斷時間較長,故允許的載波頻率較低,大部分變頻器的上限載波頻率約為1.2~1.5kHz左右。
3. 電流波形
因為載波頻率較低,故電流的高次諧波成分較大。這些高次諧波電流將在硅鋼片中形成渦流,并使硅鋼片相互間因產生電磁力而振動,并產生噪音。又因為載波頻率處于人耳對聲音較為敏感的區域,故電動機的電磁噪音較強。
4. 輸出轉矩
因為電流中高次諧波的成分較大,故在50Hz時,電動機軸上的輸出轉矩與工頻運行時相比,略有減小。

「MMBTA42」采購優質國產二/三極管Mosfet選壹芯微(專注領域 專業品質),國內知名功率半導體生產商,專業進口生產設備,芯片與技術源自臺灣,完美替代進口品牌,頁面右側聯系銷售一線或工程師為您提供參數,選型,樣品申請,規格書與技術支持,歡迎咨詢
工廠地址:安徽省六安市金寨產業園區
深圳辦事處地址:深圳市福田區寶華大廈A1428
中山辦事處地址:中山市古鎮長安燈飾配件城C棟11卡
杭州辦事處:杭州市西湖區文三西路118號杭州電子商務大廈6層B座
電話:13534146615
企業QQ:2881579535

深圳市壹芯微科技有限公司 版權所有 | 備案號:粵ICP備2020121154號