來源:壹芯微 發布日期
2019-10-29 瀏覽:-兩款簡單的晶體管逆變器電路
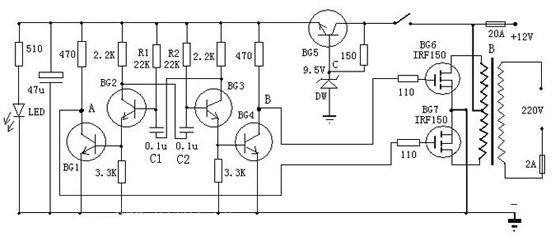
1. 晶體管逆變器電路圖1
在偏遠鄉村,經常會有停電現象,有些大學到一定時間也會自動關燈,不過這沒關系,有了它,這些就可以解決。

這是一款非常容易制作的逆變器,可以將12V電源電壓變為220V市電,電路由BG2(BC558)和BG3(BC558)組成的多諧振蕩器推動,再通過BG1(BD140)和BG4(BD140)驅動,來控制BG6(IRF150)和BG7(IRF150)工作。
其中振蕩電路由BG5(C8050)與DW(9.5V)組的穩壓電源供電,這樣可以使輸出頻率比較穩定。
在制作時,變壓器可選有常用雙12V輸出的市電變壓器。可根據需要,選擇12V蓄電池的容量。
2. 晶體管逆變器電路圖2

這里介紹一種簡單、低價的逆變電源,在交流電源停電時,給小功率電烙鐵(25w、35W等)供電使用。該電源用了8只晶體管和幾只電阻以及電容器,如附圖所示。
晶體管T1和T2(型號為BC547)組成多諧振蕩器電路,以產生50Hz信號。晶體管T1和T2的集電極互補輸出。饋入晶體管T3和T4、T5和T6(BC558和BD140)組成的PNP達林頓驅動器。該驅動器的輸出再饋入晶體管T7、T8(型號為2N3055)的推挽電路工作。對晶體管T5~T8應加適當尺寸的散熱片。
該電路用了一只230V/AC、初級到次級2x12V、4.5Ah的變壓器(x1)。變壓器次級的中心抽頭,連接到電池(+12V、7Ah)端、次級的另外兩個端分別連接到功率晶體管T7、T8的集電極上。
當你接通開關S1給電路供電時.變壓器x1的初級便感生日230V的交流電壓.該電壓就可加熱你的電烙鐵。
把電路安裝在普通的PCB上,再裝入適當的小盒內。使用適當的載流導線與電池和變壓器相連接。在小盒的前面板上,安裝功率開關S1和三腳插座,以便插入電烙鐵插頭用。
注意:電池的額定值以及晶體管T7和T8、變壓器等,這些都應隨負載(電烙鐵功率)的變化而調整相關的參數值。
壹芯微科技針對二三極管,MOS管作出了良好的性能測試,應用各大領域,如果您有遇到什么需要幫助解決的,可以點擊右邊的工程師,或者點擊銷售經理給您精準的報價以及產品介紹
工廠地址:安徽省六安市金寨產業園區
深圳辦事處地址:深圳市福田區寶華大廈A1428
中山辦事處地址:中山市古鎮長安燈飾配件城C棟11卡
杭州辦事處:杭州市西湖區文三西路118號杭州電子商務大廈6層B座
電話:13534146615
企業QQ:2881579535

深圳市壹芯微科技有限公司 版權所有 | 備案號:粵ICP備2020121154號