來源:壹芯微 發布日期
2019-11-02 瀏覽:-晶體管施密特觸發器振蕩器圖
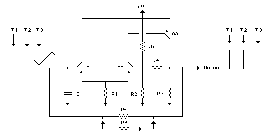
這個施密特觸發振蕩器采用3個晶體管、6個電阻器和1個電容器,以產生一個方波。脈沖波形可以用一個額外的二極管和電阻(R6)來生成。Q1和Q2都與一個共同的發射極電阻(R1)連接,使得一個晶體管的導通將導致其它要關閉。Q3由Q2控制,并提供從集電極的方波輸出。

在操作中,通過反饋電阻(RF)對輸出電壓的定時??電容充電和放電。當電容電壓上升到高于在Q2的基極電壓時,Q1開始導通,從而引起Q2和Q3關閉,輸出電壓將下降到0。這反過來又產生在Q2的基極電壓較低,并導致電容器開始朝著0放電。當電容器的電壓低于在Q2的基極電壓時,Q1將關閉引起Q2和Q3導通,輸出上升到接近供電電壓,并開始充電,并重復該循環的電容器。開關電平由R2,R4和R5建立。當輸出為高電平時,在Q2的基極電壓由R4與R5并聯和串聯的R 2的組合來確定。當輸出為低電平時,基極電壓由R4與R2的并聯和串聯的R 5的組合集合。這是假設R3為一個較小的值相比,R2。切換電平將是大約1/3和電源電壓的2/3,如果三個電阻相等(R2,R4,R5)。
有電阻值的,可用于許多不同的組合。R3應足夠低,以拉輸出信號下降時根據需要的電路被連接到一個負載遠。因此,如果負載消耗1毫安和低電壓需要的是0.5伏,R 3是0.5/.001 = 500歐姆(510標準)。當輸出為高電平時,Q3將供應給負載的電流,同時電流通過R3。如果10毫安是需要的負載和電源電壓為12時,晶體管的電流為24 mA為R3加上10 mA到負載= 34 mA的總。假設20的最小增益晶體管,集電極電流為Q2和基極電流為Q3將二十分之三十四= 1.7毫安。如果開關電平為1/3,供給的2/3(12伏),那么高電平發射極電壓為Q1和Q2將大約7伏,故發射極電阻(R1)將7/0.0017 = 3.9K標準。較低的值(1或2K)也將工作和比需要Q3提供多一點的基極驅動。其余的電阻器R2,R4,R5可以是R1的值的10倍左右或東西周圍39K。
電容和反饋電阻(RF)的組合確定的頻率。如果該開關電平為1/3,供給的2/3時,半個周期的時間間隔將是大約0.693 * RF * C,它類似于555時的公式。我組裝的單元采用的是56K和0.1 uF的上限約3.5毫秒積極的時間間隔。一個額外的22K電阻和二極管均與56K并行使用,以減少負的時間間隔約1毫秒。
在該圖中,T1表示在該電容器的電壓已下降到較低的觸發電位(4伏在Q2的基極),并引起Q1關掉和Q2和Q3進行切換的時間。T2代表一個事件,當電容電壓上升到8伏特導致第2季第3季的關閉和Q1導通。T3表示在相同的條件為T1,其中周期開始重復。現在,如果你看近的范圍內,你會發現占空比是不完全的50%,這是由于Q1的小基極電流是由電容提供。當電容充電,Q1的E / B是反向偏置和堿不作出任何電流從電容器所以充電時間稍稍長于放電。這個問題可以用如圖所示的附加的二極管和電阻(R6)與周圍的其他方式開啟二極管來補償。
壹芯微科技針對二三極管,MOS管作出了良好的性能測試,應用各大領域,如果您有遇到什么需要幫助解決的,可以點擊右邊的工程師,或者點擊銷售經理給您精準的報價以及產品介紹
工廠地址:安徽省六安市金寨產業園區
深圳辦事處地址:深圳市福田區寶華大廈A1428
中山辦事處地址:中山市古鎮長安燈飾配件城C棟11卡
杭州辦事處:杭州市西湖區文三西路118號杭州電子商務大廈6層B座
電話:13534146615
企業QQ:2881579535

深圳市壹芯微科技有限公司 版權所有 | 備案號:粵ICP備2020121154號