來源:壹芯微 發布日期
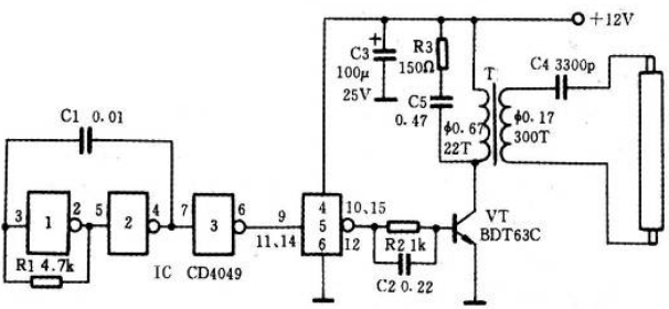
2022-11-12 瀏覽:-本設計采用 12V 蓄電池供電,可點亮節能燈,電路工作原理如下圖所示。
圖中 IC 是 CMOS 反相器,其內部非門 1、2 與 R1 和 C1 組成頻率為 15KHz 的方波發生器。經 IC 內部非門 3 緩沖后,送入內部非門 4、5 和 6,三個非門的輸入、輸出端并聯一起推動逆變管 VT 工作,以增大激勵電流。經 VT 放大后的方波電壓通過 T 和 C4 等元件組成的諧振升壓電路后,可達到 350V 左右的空載電壓,并形成近似正弦波的電流,可點燃 5~18W 的節能燈。
在元器件選擇方面,集成電路 IC 選用 CMOS 反相器 CD4049,容易起振,且振幅大。 VT 選用 BDT63C 型達林頓三極管,也可使用類似型號或用復合管代替,要求耐壓 500V、最大集電極電流 5A、截止頻率 10MHz 以上。諧振變壓器 T 采用 6.5×6 EI 型鐵氧體磁芯,初級用Φ0.67 高強度漆包線繞 22 匝,次級用Φ0.17 高強度漆包線繞 300 匝。電阻 R 可選用普通 1/8 或 1/4W 碳膜電阻器。電容 C1、C2 和 C5 選用瓷介電容或滌綸電容;C3 選用普通鋁電解電容器;C4選用聚丙烯電容,要求耐壓為 250V 以上。電路采用 12V 供電,可使用蓄電池,如摩托車電瓶來供電。
另外,制作時可自制印刷電路板,也可使用萬能印刷電路板,電路板尺寸大概在 58mm×35mm,電路安裝完成后,要對 T 和 C4 進行認真調節,不斷調節變壓器 T 的磁芯空氣隙和C4 容量,C4 調節范圍在 2200pF~6800pF,一般節能燈功率越大,變壓器 T 的磁芯空氣隙也要調大。經過調節,直至使節能燈得到最佳亮度。另外,應注意通斷電路時應控制電源正極,而不要控制負極,否則易使 VT 擊穿。
壹芯微科技專注于“二,三極管、MOS(場效應管)、橋堆”研發、生產與銷售,20年行業經驗,擁有先進全自動化雙軌封裝生產線、高速檢測設備等,研發技術、芯片源自臺灣,專業生產流程管理及工程團隊,保障所生產每一批物料質量穩定和更長久的使用壽命,實現高度自動化生產,大幅降低人工成本,促進更好的性價比優勢!選擇壹芯微,還可為客戶提供參數選型替代,送樣測試,技術支持,售后服務等,如需了解更多詳情或最新報價,歡迎咨詢官網在線客服!
手機號/微信:13534146615
QQ:2881579535
工廠地址:安徽省六安市金寨產業園區
深圳辦事處地址:深圳市福田區寶華大廈A1428
中山辦事處地址:中山市古鎮長安燈飾配件城C棟11卡
杭州辦事處:杭州市西湖區文三西路118號杭州電子商務大廈6層B座
電話:13534146615
企業QQ:2881579535

深圳市壹芯微科技有限公司 版權所有 | 備案號:粵ICP備2020121154號