來源:壹芯微 發布日期
2023-06-19 瀏覽:-功率因數校正電路PFC原理介紹
01 PFC的相關介紹
功率因數定義為設備能夠傳輸到輸出端的能量與其從輸入電源處獲取的總能量之比。
功率因數低主要有兩個原因:
位移:當電路的電壓和電流波形異相時會產生位移,通常是由電感或電容等電抗元件引起的。
失真:波的原始形狀發生改變,通常是由整流器等非線性電路引起的。這些非線性波包含很多諧波含量,會使電網中的電壓失真。
功率因數校正(PFC)是一系列嘗試提高設備功率因數的方法。 解決位移問題,通常采用外部無功元件來補償電路的總無功功率。
解決失真問題有兩種方法:
無源功率因數校正(PFC):使用無源濾波器濾除諧波以提高功率因數。這種方法適用于低功率應用,在高功率應用中,其效果遠遠不夠。
有源功率因數校正(PFC):使用開關變換器調制失真波,以將其整形為正弦波。整形后的信號中存在的唯一諧波位于開關頻率處,因此很容易濾除。有源功率因數校正被認為是最好的功率因數校正方法,但會增加設計的復雜性。
02 PFC 分類
1) 無源PFC
無源PFC一般分 “電感補償式” 和 “填谷電路式(Valley Fill Circuit)”
“電感補償式”是使交流輸入的基波電流與電壓之間相位差減小來提高功率因數,“電感補償式”包括靜音式和非靜音式。“電感補償式”的功率因數只能達到0.7~0.8,它一般在高壓濾波電容附近。
“填谷電路式”屬于一種新型無源功率因數校正電路,其特點是利用整流橋后面的填谷電路來大幅度增加整流管的導通角,通過填平谷點,使輸入電流從尖峰脈沖變為接近于正弦波的波形,將功率因數提高到0.9左右,顯著降低總諧波失真。
2) 主動式/有源式(Active PFC)
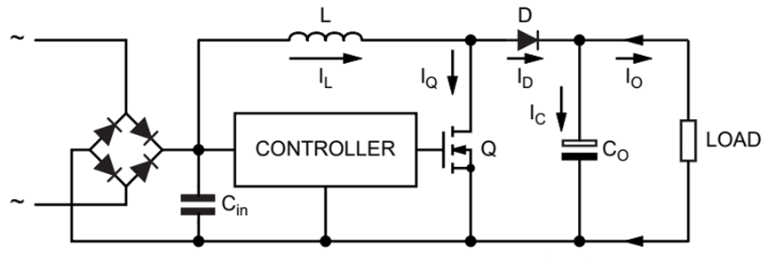
這種方法可以改變電流波形的形狀,使其跟隨電壓。這樣,諧波被移到更高的頻率上,因而更容易被濾除。使用最廣泛的有源功率因數校正電路是升壓變換器。它與變壓器類似,可以升高直流電壓,同時降低電流。最簡單的升壓變換器由電感、晶體管和二極管組成。
根據電流的導通模式,APFC可以分成3種模式:CCM,CRM(BCM),DCM。
① 連續導通模式(Continuous Conduction Mode, CCM)
在連續導通模式下,一直會有電流流過電感,因此MOSFET需要在電感電流變成0之前開通。通常來講,CCM會工作在一個固定的頻率下,以控制AC輸入電流呈正弦波。和其他模式相比,CCM的優點是能夠降低電感電流的紋波。其缺點是,當MOSFET開通時,濾波電容的電壓會反向加在二極管上,由于正向導通時的少數載流子們依舊聚集在PN結兩側,在這個反向電壓的作用下少數載流子會發生漂移運動,二極管會形成較大的反向電流。這個反向電流再加上電感電流會一起流過MOSFET,因此MOSFET會產生較大的開通損失(turn-on loss)。為了減少這種開通損失,建議選用SiC肖特基二極管(Schottky Barrier Diode, SBD),因為肖特基二極管的反向恢復時間較短。該種模式一般應用在 250W~2000W 的設備上。
②臨界導通模式(Critical Conduction Mode, CRM/Boundary Conduction Mode, BCM)
在臨界導通模式下,MOSFET會在電感電流降到0時開通,因此MOSFET的開通損失較小。CRM需要監測電路輸出電壓,然后根據電壓調整MOSFET脈沖寬度。當輸出電壓過高時,會減小MOSFET脈沖寬度;當輸出電壓過低時,會增加MOSFET脈沖寬度。所以諧振頻率也不會固定,因為需要根據輸出電壓調整。
③ 不連續導通模式(Discontinuous Conduction Mode, DCM)
在不連續導通模式下,每個周期內都存在電流為0的時期。與其他兩種模式相比,DCM的峰值電流較大,MOSFET關斷損失(turn-off loss)較大,電路的整體效率較低。但是,DCM不會受到二極管反向恢復時間的影響,MOSFET的開通損失也很小。一般應用在 250W 以下的小功率設備上。


壹芯微科技專注于“二,三極管、MOS(場效應管)、橋堆”研發、生產與銷售,20年行業經驗,擁有先進全自動化雙軌封裝生產線、高速檢測設備等,研發技術、芯片源自臺灣,專業生產流程管理及工程團隊,保障所生產每一批物料質量穩定和更長久的使用壽命,實現高度自動化生產,大幅降低人工成本,促進更好的性價比優勢!選擇壹芯微,還可為客戶提供參數選型替代,送樣測試,技術支持,售后服務等,如需了解更多詳情或最新報價,歡迎咨詢官網在線客服!
手機號/微信:13534146615
QQ:2881579535
工廠地址:安徽省六安市金寨產業園區
深圳辦事處地址:深圳市福田區寶華大廈A1428
中山辦事處地址:中山市古鎮長安燈飾配件城C棟11卡
杭州辦事處:杭州市西湖區文三西路118號杭州電子商務大廈6層B座
電話:13534146615
企業QQ:2881579535

深圳市壹芯微科技有限公司 版權所有 | 備案號:粵ICP備2020121154號