來源:壹芯微 發布日期
2019-01-07 瀏覽:-壹芯微作為國內專業生產集成電路的生產廠家,生產技術已經是非常的成熟,進口的測試儀器,可以很好的幫組到客戶朋友穩定好品質,也有專業的工程師在把控穩定質量,協助客戶朋友解決一直客戶自身解決不了的問題,像今天有位客戶來咨詢說,78L05-79系列引腳圖及電路原理圖詳解,處理好這個問題后,就來到這里,打算跟各位分享一下,后面有遇到相同的問題可以參考解決
7805是常用的三端穩壓器,一般使用的是TO-220封裝,能提供DC 5V的輸出電壓,應用范圍廣,內含過流和過載保護電路。帶散熱片時能持續提供1A的電流,如果使用外圍器件,它還能提供不通的電壓和電流。

7805是常用的三端穩壓器件,顧名思義05就是輸出電壓為5v,還可以微調,7805輸出波紋很小。

(1) 集成三端穩壓器根據穩定電壓的正、負極性分為78×××,79×××系列。附圖給出了正、負穩壓的典型電路。〈正、負穩壓7805電路〉(2) 三端穩壓器的型號規格和管腳分布。

例如:78M05三端穩壓器可輸出+5 V、0.5 A的穩定電壓;7912三端穩壓器可輸出 12V、1A的穩定電壓。 (3) 外形及管腳分布,如附圖1-25所示。

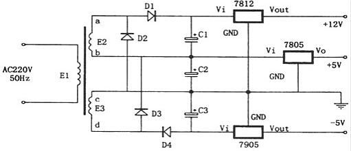
由7805,7905,7812組成的特殊的線性穩壓電源如圖所示為一種特殊的電源電路。該電路雖然簡單,但可以從兩個相同的次級繞組中產生出三組直流電壓:+5V、-5V和+12V。其特點是:D2、D3跨接在E2、E3這兩組交流電源之間,起著全波整流的作用。

7805可調穩壓電源電路圖7800系列三端穩壓集成電路廣泛用于各種電子電器電路中用作電源穩壓,它的輸出電壓是固定的,但如果對外圍電路稍作改動就可以是一個不錯的連續可調穩壓電源,用作實驗檢修之用完全可行。制作之前需了解:7800系列三端穩壓器按輸出電流區分有三種系列,分別是78L00系列最大輸出電流0.1A;78M00系列最大輸出電流0.5A;7800系列最大輸出電流1.5A。三端穩壓器輸入輸出壓差要大于2V。7805-7818的最高輸入電壓不能超過35V,7820-7824最高輸入電壓不能超過40V。

7805制作的5V-12V連續可調穩壓電源這里選用7805制作了一個5V~12V連續可調的直流穩壓電源實例。圖中R1、R2的取值決定了輸出電壓的可調范圍,按照圖示取值可在5~12V穩壓范圍內實現輸出電壓連續可調。最高輸出電壓受三端穩壓器最大輸入電壓及最小輸入輸出壓差的限制,7805最高輸入電壓為35V,輸入輸出壓差要保持在2V以上,因此該電路中由于穩壓器的直流輸入電壓約為15V,所以該電路的輸出電壓最大值設定為12V。三端穩壓器(78、79系列)管腳判斷技巧電子產品中常見到的三端穩壓集成電路有正電壓輸出的78××系列和負電壓輸出的79××系列。故名思義,三端IC是指這種穩壓用的集成電路只有三條引腳輸出,分別是輸入端、接地端和輸出端。它的樣子象是普通的三極管,TO-220的標準封裝,也有9013樣子的TO-92封裝。1、用78/79系列三端穩壓IC來組成穩壓電源所需的外圍元件極少,電路內部還有過流、過熱及調整管的保護電路,使用起來可靠、方便,而且價格便宜。該系列集成穩壓IC型號中的78或79后面的數字代表該三端集成穩壓電路的輸出電壓,如7806表示輸出電壓為正6V,7909表示輸出電壓為負9V。2、78/79系列三端穩壓IC有很多電子廠家生產,80年代就有了,通常前綴為生產廠家的代號,如TA7805是東芝的產品,AN7909是松下的產品。3、有時在數字78或79后面還有一個M或L,如78M12或79L24,用來區別輸出電流和封裝形式等,其中78L調系列的最大輸出電流為100mA,78M系列最大輸出電流為1A,78系列最大輸出電流為1.5A。它的封裝也有多種,詳見圖。塑料封裝的穩壓電路具有安裝容易、價格低廉等優點,因此用得比較多。79系列除了輸出電壓為負。引出腳排列不同以外,命名方法、外形等均與78系列的相同。4、因為三端固定集成穩壓電路的使用方便,電子制作中經常采用,可以用來改裝分立元件的穩壓電源,也經常用作電子設備的工作電源。電路圖如圖所示。5、注意三端集成穩壓電路的輸入、輸出和接地端絕不能接錯,不然容易燒壞。一般三端集成穩壓電路的最小輸入、輸出電壓差約為2V,否則不能輸出穩定的電壓,一般應使電壓差保持在4-5V,即經變壓器變壓,二極管整流,電容器濾波后的電壓應比穩壓值高一些。6、在實際應用中,應在三端集成穩壓電路上安裝足夠大的散熱器(當然小功率的條件下不用)。當穩壓管溫度過高時,穩壓性能將變差,甚至損壞。7、當制作中需要一個能輸出1.5A以上電流的穩壓電源,通常采用幾塊三端穩壓電路并聯起來,使其最大輸出電流為N個1.5A,但應用時需注意:并聯使用的集成穩壓電路應采用同一廠家、同一批號的產品,以保證參數的一致。另外在輸出電流上留有一定的余量,以避免個別集成穩壓電路失效時導致其他電路的連鎖燒毀。在78**、79**系列三端穩壓器中最常應用的是TO-220和TO-202兩種封裝。這兩種封裝的圖形以及引腳序號、引腳功能如附圖所示。圖中的引腳號標注方法是按照引腳電位從高到底的順序標注的。這樣標注便于記憶。引腳①為最高電位,③腳為最低電位,②腳居中。從圖中可以看出,不論正壓還是負壓,②腳均為輸出端。對于78**正壓系列,輸入是最高電位,自然是①腳,地端為最低電位,即③腳,如附圖所示。對與79**負壓系列,輸入為最低電位,自然是③腳,而地端為最高電位,即①腳,如附圖所示。此外,還應注意,散熱片總是和最低電位的第③腳相連。這樣在78**系列中,散熱片和地相連接,而在79**系列中,散熱片卻和輸入端相連接.
壹芯微科技針對MOS管作出了良好的性能測試,應用各大領域,如果您有遇到什么需要幫助解決的,可以點擊右邊的工程師,或者點擊銷售經理給您精準的報價以及產品介紹
工廠地址:安徽省六安市金寨產業園區
深圳辦事處地址:深圳市福田區寶華大廈A1428
中山辦事處地址:中山市古鎮長安燈飾配件城C棟11卡
杭州辦事處:杭州市西湖區文三西路118號杭州電子商務大廈6層B座
電話:13534146615
企業QQ:2881579535

深圳市壹芯微科技有限公司 版權所有 | 備案號:粵ICP備2020121154號