來源:壹芯微 發布日期
2021-07-23 瀏覽:-〔壹芯〕L7912三端可調線性穩壓電路-30V-1500mA 主要參數 中文資料
產品型號:L7912(-30V,1500mA三端可調正線性穩壓器)
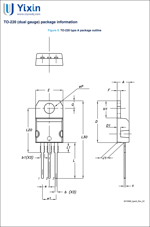
品牌:壹芯微|類型:穩壓電路|封裝:TO-220|多種封裝 尺寸不同 參數一致 免費樣品 歡迎咨詢
描述:
L79系列三端負穩壓器采用TO-220、TO-220FP和D²PAK封裝,并提供多種固定輸出電壓,適用于廣泛的應用。
這些調節器可以提供本地卡上調節,消除與單點調節相關的分配問題;此外,它們具有與L78正標準系列相同的電壓選項,特別適用于分體式電源。如果提供足夠的散熱,它們可以提供超過1.5A的輸出電流。
盡管主要設計為固定電壓調節器,但這些設備可與外部組件一起使用以獲得可調電壓和電流。
| 參數\型號 | L7912 | ||
| PD(mW) | 2000 | ||
| IO(mA) | 1500 | ||
| Vi(V) | -30 | ||
| VO(V) | -11.5~-12.5 | ||
| Iq(mA) | 8 | ||
| 封裝(PAKAGE) | TO-220 |





「L7912」采購優質國產二/三極管Mosfet選壹芯微(專注領域,專業品質),國內知名功率半導體生產商,專業進口生產設備,芯片與技術源自臺灣,完美替代進口品牌,頁面右側聯系銷售一線或工程師為您提供參數,選型,樣品申請,規格書與技術支持,歡迎咨詢
工廠地址:安徽省六安市金寨產業園區
深圳辦事處地址:深圳市福田區寶華大廈A1428
中山辦事處地址:中山市古鎮長安燈飾配件城C棟11卡
杭州辦事處:杭州市西湖區文三西路118號杭州電子商務大廈6層B座
電話:13534146615
企業QQ:2881579535

深圳市壹芯微科技有限公司 版權所有 | 備案號:粵ICP備2020121154號