來源:壹芯微 發布日期
2023-08-07 瀏覽:-小型二極管如何降低同步轉換器中的噪聲介紹
小型肖特基二極管如何幫助最小化噪聲,并了解這種技術何時以及如何提供幫助。
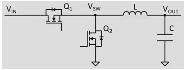
圖1.傳統降壓穩壓器拓撲圖
圖2.降壓控制器開關周期示意圖
標準降壓轉換器拓撲如圖1所示。有關其工作的詳細DC-DC降壓轉換器教程,開關周期視圖如圖2所示。每次關閉一個開關時,都會引入一個死區時間,以確保第一個開關在另一個開關打開之前完全關閉。在此死區時間內,電流必須不斷流過電感器,而該電流路徑由內置于MOSFET Q中的所謂體二極管提供。2.在這短暫的時間里,有很多事情要做,尤其是在Q1打開,這就是額外的噪音發揮作用的地方。
圖3.體二極管反向恢復電流曲線圖
圖 3 從 Q 之后放大2直到 Q 之后才關閉1打開。當 Q2關閉時,由于電感的磁場崩潰,電流將繼續流過電感。這會導致電感兩端的電壓換向(反轉),將開關節點(VSW)拉低,直到體二極管在Q2打開并傳導。一旦死區時間過去,Q1已打開。這導致體二極管在Q2變得反向偏向。體二極管是PN結二極管結構,因此具有反向恢復時間的不幸特性。當體二極管最初反向偏置時,電流反向流過二極管。在表示的時間段內 t一個PN結中的電荷載流子被掃除。然后在時間 tb反向電流降至零,因為PN結建立了一個耗盡區域,可以阻止反向偏置。在 t 期間發生的電流脈沖RR在寄生電容和電感中感應電壓,這些電壓會對電路中的噪聲產生重大影響。
有幾個因素會影響反向恢復曲線的特性。最大的因素是體二極管具有固有的長反向恢復時間。MOSFET 經過優化,可降低柵極電荷和導通電阻;它們的體二極管是寄生PN結構,與在電力電子中使用的其他二極管相比,反向恢復速度較慢。恢復時間也取決于溫度,在較高溫度下會變得更糟。dI 的比率F反向恢復開始時的/dt主要受電路中的寄生電感的限制,設計人員試圖將其降至最低。較低的寄生電感導致較高的dIF/dt,這導致更高的 |我R,最大|.幾乎無法改善這些因素,因此要么接受額外的噪聲,要么從工具箱中取出更好的二極管。
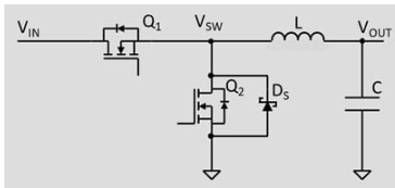
圖4.添加肖特基二極管D的傳統降壓轉換器示意圖S
工具箱中更好的二極管是肖特基二極管(DS) 與 MOSFET 的體二極管并聯放置,如圖 4 所示。肖特基二極管具有較低的正向電壓,因此當電感換向時,它而不是體二極管導通。Q 之后1導通,反向偏置 Q2,體二極管已經關閉(因為它從未打開過)。肖特基二極管由金屬-半導體結而不是PN結制成,并立即關閉。肖特基二極管中有少量結電容,需要通過從Q1.這看起來類似于體二極管的反向恢復,但幅度較小。
這留下了一些問題:何時需要考慮減輕體二極管噪聲,如何選擇合適的二極管,以及應該如何物理實現?先把理論和跳腳的世界留到實踐中去,將從一般指導而不是精確計算的角度來思考。導致反向恢復期間功耗的因素可以提供一些見解,由下式給出:
PRR = QRR x VIN x fSW (1)
其中 PRR是以瓦特為單位的功率,QRR是以庫侖為單位的體二極管反向恢復電荷,fSW是以赫茲為單位的開關頻率。QRR可以在MOSFET數據手冊中找到,但通常在室溫和特定dI下指定F/dt,這可能與您的特定條件不匹配。例如,QRR可能是指定值的 2.5 倍,因為 MOSFET 遠高于 25°C。 盡管如此,等式1提供了一些總體趨勢。體二極管噪聲往往最高:
當開關頻率高于300kHz-500kHz時
當輸入電壓較高時
當MOSFET溫度較高時
頻率在 10 秒到 100 兆赫之間
選擇肖特基二極管時,要注意它只承載非常短的時間(通常為10s的ns),因此會看到輕熱負載。一個相對較小的二極管就足夠了。盡可能低的引線電感是肖特基二極管選擇的優先事項。最好采用扁平引線的小型表面貼裝封裝。二極管應盡可能靠近MOSFET放置,以盡量減少兩者之間的寄生電感。事實上,有些MOSFET可以集成肖特基二極管,因為寄生電感是有害的。雖然本文以傳統的降壓轉換器拓撲為例,但這些概念同樣適用于其他開關轉換器類型。
壹芯微科技專注于“二,三極管、MOS(場效應管)、橋堆”研發、生產與銷售,21年行業經驗,擁有先進全自動化雙軌封裝生產線、高速檢測設備等,研發技術、芯片源自臺灣,專業生產流程管理及工程團隊,保障所生產每一批物料質量穩定和更長久的使用壽命,實現高度自動化生產,大幅降低人工成本,促進更好的性價比優勢!選擇壹芯微,還可為客戶提供參數選型替代,送樣測試,技術支持,售后服務等,如需了解更多詳情或最新報價,歡迎咨詢官網在線客服!
手機號/微信:13534146615
QQ:2881579535
工廠地址:安徽省六安市金寨產業園區
深圳辦事處地址:深圳市福田區寶華大廈A1428
中山辦事處地址:中山市古鎮長安燈飾配件城C棟11卡
杭州辦事處:杭州市西湖區文三西路118號杭州電子商務大廈6層B座
電話:13534146615
企業QQ:2881579535

深圳市壹芯微科技有限公司 版權所有 | 備案號:粵ICP備2020121154號