來源:壹芯微 發布日期
2020-11-07 瀏覽:-穩壓開關肖特基二極管SOD123封裝以及SOD123FL封裝有什么不同
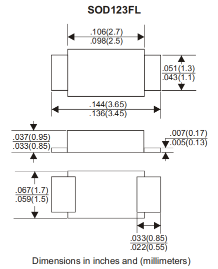
SOD123封裝是海歐腳,引線從本體中間出來。
SOD123FL封裝(DFLS240-7)是平腳,引線從本低底部出來。
這兩種封裝焊盤位置相同,生產工藝不同。SOD123封裝一般常用于穩壓管打金線工藝生產,SOD123FL封裝常用于小體積大電流肖特基用框架工藝。這兩種從生產效率及價格上各有不同。在穩壓管上應用差別不同,穩壓管屬于小功率器件。

壹芯微科技針對二三極管,MOS管作出了良好的性能測試,應用各大領域,如果您有遇到什么需要幫助解決的,可以點擊右邊的工程師,或者點擊銷售經理給您精準的報價以及產品介紹
工廠地址:安徽省六安市金寨產業園區
深圳辦事處地址:深圳市福田區寶華大廈A1428
中山辦事處地址:中山市古鎮長安燈飾配件城C棟11卡
杭州辦事處:杭州市西湖區文三西路118號杭州電子商務大廈6層B座
電話:13534146615
企業QQ:2881579535

深圳市壹芯微科技有限公司 版權所有 | 備案號:粵ICP備2020121154號