來源:壹芯微 發布日期
2019-12-03 瀏覽:-穩壓二極管穩壓二極管(又叫齊納二極管)它的電路符號是:此二極管是一種直到臨界反向擊穿電壓前都具有很高電阻的半導體器件.在這臨界擊穿點上,反向電阻降低到-一個很少的數值,在這個低阻區中電流增加而電壓則保持恒定,穩壓二極管是根據擊穿電壓來分檔的,因為這種特性穩壓管主要被作為穩壓器或電壓基準元件使用其伏安特性見圖1,穩壓二極管可以串聯起來以便在較高的電壓上使用,通過串聯就可獲得更多的穩定電壓.穩壓管的應用:1、浪涌保護電路(如圖2):穩壓管在準確的電壓下擊穿,這就使得它可作為限制或保護之元件來使用,因為各種電壓的穩壓二極管都可以得到,故對于這種應用特別適宜.圖中的穩壓二 _極管D是作為過壓保護器件只要電源電壓VS超過二極管的穩壓值D就導通使繼電器吸合負載RL就與電源分開.

2、電視機里的過壓保護電路(如圖3):EC是電視機主供電壓,當EC電壓過高時,D導通三極管BG導通其集電極電位
將由原來的高電平(5V)變為低電平,通過待機控制線的控制使電視機進入待機保護狀態.

3、電弧抑制電路如圖4:在電感線圈上并聯接入一-只合適的穩壓二極管(也可接入- -只普通二_極管原理一樣)的話,
當線圈在導通狀態切斷時,由于其電磁能釋放所產生的高壓就被二_極管所吸收,所以當開關斷開時,開關的電弧也就
被消除了.這個應用電路在工業上用得比較多,如一-些較大功率的電磁吸控制電路就用到它.

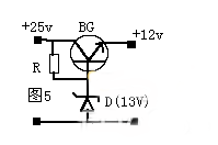
4、串聯型穩壓電路(如圖5):在此電路中,串聯穩壓管BG的基極被穩壓二極管D鉗定在13V,那么其發射極就輸出恒
定的12V電壓了.這個電路在很多場合下都有應用

壹芯微科技針對二三極管,MOS管作出了良好的性能測試,應用各大領域,如果您有遇到什么需要幫助解決的,可以點擊右邊的工程師,或者點擊銷售經理給您精準的報價以及產品介紹
工廠地址:安徽省六安市金寨產業園區
深圳辦事處地址:深圳市福田區寶華大廈A1428
中山辦事處地址:中山市古鎮長安燈飾配件城C棟11卡
杭州辦事處:杭州市西湖區文三西路118號杭州電子商務大廈6層B座
電話:13534146615
企業QQ:2881579535

深圳市壹芯微科技有限公司 版權所有 | 備案號:粵ICP備2020121154號