來源:壹芯微 發布日期
2020-07-28 瀏覽:-為什么小電容通高頻-大電容通低頻
首先我們來了解下電容的工作原理!

電容器是兩個極板上積累的電荷,一個積累正電荷,一個積累負電荷而形成電位差...類似于一個電池!你可以這么理解,只不過電容的電是一次性的,放完了就沒了..電池則有不斷的化學反應
其實電容兩個極板是不能通過電流的.如果高電位電子躍遷到低電位電極上,那么這個電容就擊穿了.燒毀沒用了.
因此在直流電路中,電容就是一個斷路器,正極積滿正電荷,負極積滿負電荷,就這樣...在交流電中,電流也沒有真正通過電容,而是因為交流電源不斷地更換方向,因此電流在極板和電源之間流動,電容的電動勢和電源的電動勢頻繁交換..產生了電流.但絕對沒有從電容內部通過..

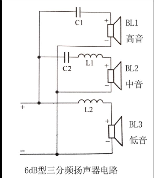
如圖,這是個典型的高頻電路,揚聲器的頻率比工頻高的不要太多,電源上的高低電位不斷交換,電容上的高低電位也不斷交換,電流在極板和電源之間流動...因此電流是建立起來了,但是并沒有穿過空氣...
電容隔直通交的特性,就是這樣來的...
對于隔直通交這句話,我們可以翻譯一下...在電容容抗(容值高容抗低,容值低容抗高)固定的前提下,變化越大的電流越容易通過,也就是頻率越高,越容易通過電容...同樣的容抗,對高頻電的阻礙作用小一些..
所以高頻電我們只需要用小電容就可以了..不是說不能用大電容,而是浪費....沒這個必要,你想想高頻電變化這么快,你電容大了,還沒充滿就換了個方向,這對電容不是一種浪費嗎?我們不如取一個容量小的電容,在高頻的情況下,那么極為短暫的一瞬間就充個七七八八,然后再換向放電..
那么低頻為什么不用小電容呢,第一,小電容容抗大,能通過的電流小...低頻本身又導致容抗大..這樣電流就更小了...第二,低頻電裝電容大多是為了穩壓濾波,需要大容量的電容存夠足夠的電量來作為緩沖池...當電源或者負載功率急劇變化時,緩沖池可以起到穩定電壓的作用...這個容量就必須大,越大越好...
壹芯微科技針對二三極管,MOS管作出了良好的性能測試,應用各大領域,如果您有遇到什么需要幫助解決的,可以點擊右邊的工程師,或者點擊銷售經理給您精準的報價以及產品介紹
工廠地址:安徽省六安市金寨產業園區
深圳辦事處地址:深圳市福田區寶華大廈A1428
中山辦事處地址:中山市古鎮長安燈飾配件城C棟11卡
杭州辦事處:杭州市西湖區文三西路118號杭州電子商務大廈6層B座
電話:13534146615
企業QQ:2881579535

深圳市壹芯微科技有限公司 版權所有 | 備案號:粵ICP備2020121154號