來源:壹芯微 發布日期
2019-05-25 瀏覽:-壹芯微作為國內專業生產二三極管的生產廠家,生產技術已經是非常的成熟,進口的測試儀器,可以很好的幫組到客戶朋友穩定好品質,也有專業的工程師在把控穩定質量,協助客戶朋友解決一直客戶自身解決不了的問題,每天會分享一些知識或者客戶的一些問題,今天我們分享的是,TIP42C參數引腳圖電路應用及TIP42C規格書,請看下方

查看tip42c參數詳情

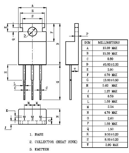
tip42c參數封裝尺寸

tip42c概述
tip42是由美國得克薩斯儀表公司生產的,應用材料是SI-NPN.應用于低頻,音頻,或功率放大之用,TIP41C的極限工作電壓max為100V.最大工作電流I=6A。TIP41 NPN中功率三極管,廣泛用于信號放大及音頻功放用晶體管,可與TIP42 PNP管做互補對稱管使用.
tip42c引腳圖電路圖及引腳定義

1、基集
2、集電極
3、發射極
tip42c應用電路
(一)
當PB01端輸入1時,也就是光耦管截止(或開路),則Q2必定截止,Q4跟隨截止(繼電器斷電);當PB01端輸入0時,也就是光耦管導通(或短路),則Q2必將導通,Q4也導通(繼電器加電);為了控制穩定,必須給Q2提供可靠的集電極電流,就是加個集電極電阻(一端直接接地),如陳堅道先生給的那個圖。因為你用了個大功率管,也不知道你繼電器電流需要多大,如果Q4基極電流不夠,可以去掉R14(即短路掉),R11的值減小些以加大Q2集電極電流。

(二)

壹芯微科技針對二三極管作出了良好的性能測試,應用各大領域,如果您有遇到什么需要幫助解決的,可以點擊右邊的工程師,或者點擊銷售經理給您精準的報價以及產品介紹
工廠地址:安徽省六安市金寨產業園區
深圳辦事處地址:深圳市福田區寶華大廈A1428
中山辦事處地址:中山市古鎮長安燈飾配件城C棟11卡
杭州辦事處:杭州市西湖區文三西路118號杭州電子商務大廈6層B座
電話:13534146615
企業QQ:2881579535

深圳市壹芯微科技有限公司 版權所有 | 備案號:粵ICP備2020121154號