來源:壹芯微 發布日期
2020-03-19 瀏覽:-三相變壓器原理圖與工作原理
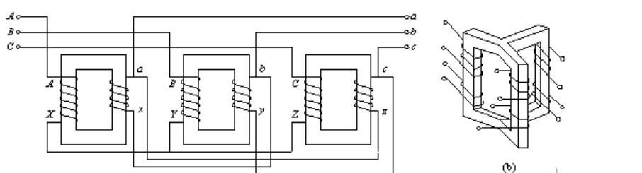
三相變壓器原理圖

三相變壓器工作原理
三相變壓器工作原理::變壓器的基本工作原理是電磁感應原理。當交流電壓加到一次側繞組后交流電流流入該繞組就產生勵磁作用,在鐵芯中產生交變的磁通,這個交變磁通不僅穿過一次側繞組,同時也穿過二次側繞組,它分別在兩個繞組中引起感應電動勢。這時如果二次側與外電路的負載接通,便有交流電流流出,于是輸出電能。
關于三相變壓器

三相變壓器圖解
三相變壓器是3個相同的容量單相變壓器的組合。它有三個鐵芯柱,每個鐵芯柱都繞著同一相的2個線圈,一個是高壓線圈,另一個是低壓線圈。三相變壓器是產生幅值相等、頻率相等、相位互差120°電勢的發電機稱為三相發電機;以三相發電機作為電源,稱為三相電源;以三相電源供電的電路,稱為三相電路。
由于三相磁通對稱(各相磁通幅值相等,相位互差 120 °),所以通過中間鐵心的總磁通為零,故中間鐵心柱可以取消。這樣,實際制作時,通常把三個鐵心柱排列在同一平面。這種三相變壓器比三個單相變壓器組合效率高,成本低,體積小,因此應用廣泛。 原副邊可以根據實際需要連接成星形或三角形。原邊與三相電源連接,副邊和三相負載連接,構成三相電路。
U、V、W稱為三相,相與相之間的電壓是線電壓,電壓為380V.相與中心線之間稱為相電壓,電壓是220V.三相變壓器工作原理:變壓器的基本工作原理是電磁感應原理。當交流電壓加到一次側繞組后交流電流流入該繞組就產生勵磁作用,在鐵芯中產生交變的磁通,這個交變磁通不僅穿過一次側繞組,同時也穿過二次側繞組,它分別在兩個繞組中引起感應電動勢。
壹芯微科技針對二三極管,MOS管作出了良好的性能測試,應用各大領域,如果您有遇到什么需要幫助解決的,可以點擊右邊的工程師,或者點擊銷售經理給您精準的報價以及產品介紹
工廠地址:安徽省六安市金寨產業園區
深圳辦事處地址:深圳市福田區寶華大廈A1428
中山辦事處地址:中山市古鎮長安燈飾配件城C棟11卡
杭州辦事處:杭州市西湖區文三西路118號杭州電子商務大廈6層B座
電話:13534146615
企業QQ:2881579535

深圳市壹芯微科技有限公司 版權所有 | 備案號:粵ICP備2020121154號