來源:壹芯微 發布日期
2020-07-06 瀏覽:-整流電路是什么-四種整流電路-半波整流-全波整流-全波橋式整流-倍壓整流
何為整流電路,身為硬件工程師的你如果連這都不知道,那還真是枉費了這個職稱,而且你不僅要知道什么是整流電路,還要知道整流電路的類型,以及作用,原理等,才能更好的去應用,去工作,去提升自己。
“整流電路”(rectifying circuit)是把交流電能轉換為直流電能的電路。大多數整流電路由變壓器、整流主電路和濾波器等組成。它在直流電動機的調速、發電機的勵磁調節、電解、電鍍等領域得到廣泛應用。整流電路通常由主電路、濾波器和變壓器組成。20世紀70年代以后,主電路多用硅整流二極管和晶閘管組成。濾波器接在主電路與負載之間,用于濾除脈動直流電壓中的交流成分。變壓器設置與否視具體情況而定。變壓器的作用是實現交流輸入電壓與直流輸出電壓間的匹配以及交流電網與整流電路之間的電隔離。

整流電路的作用是將交流降壓電路輸出的電壓較低的交流電轉換成單向脈動性直流電,這就是交流電的整流過程,整流電路主要由整流二極管組成。經過整流電路之后的電壓已經不是交流電壓,而是一種含有直流電壓和交流電壓的混合電壓。習慣上稱單向脈動性直流電壓。
整流電路也分四種類型:
第一種是半波整流
半波整流電路一般情況下只需要一個二極管。詳細的情況我們可以看下下面的圖1,在圖1中你能看到在交流電正半周時 VD 導通,負半周時 VD 截止,負載 R 上得到的是脈動的直流電。

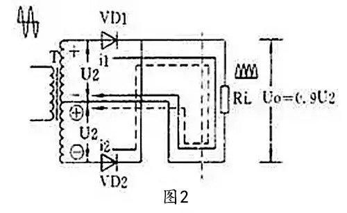
第二種是全波整流
全波整流則是要用到二個二極管,ASEMI工程上也會要求需要有帶中心抽頭的兩個次級線圈,這兩個次級線圈需要圈數相同,以保證相同的電阻。詳細的情況我們可以看下圖2,負載RL得到的就是全波整流電流,輸出電壓比半波整流電路要高。

第三種就是我們常見的全波橋式整流
像我們ASEMI的整流橋一般情況下也都是全波橋式整流,全波橋式整流用的是4個二極管組成的橋式電路,這種電路只能有單個次級線圈的變壓器。見圖3,負載上的電流波形和輸出電壓值與第二種全波整流電路是完全相同的。

第四種就是倍壓整流
這種整流電路會用多個二極管和電容器來獲得較高的直流電壓。
壹芯微科技針對二三極管,MOS管作出了良好的性能測試,應用各大領域,如果您有遇到什么需要幫助解決的,可以點擊右邊的工程師,或者點擊銷售經理給您精準的報價以及產品介紹
工廠地址:安徽省六安市金寨產業園區
深圳辦事處地址:深圳市福田區寶華大廈A1428
中山辦事處地址:中山市古鎮長安燈飾配件城C棟11卡
杭州辦事處:杭州市西湖區文三西路118號杭州電子商務大廈6層B座
電話:13534146615
企業QQ:2881579535

深圳市壹芯微科技有限公司 版權所有 | 備案號:粵ICP備2020121154號