來源:壹芯微 發布日期
2023-07-29 瀏覽:-三極管BE端并聯電阻的作用介紹
三極管又分NPN型三極管和PNP型三極管。
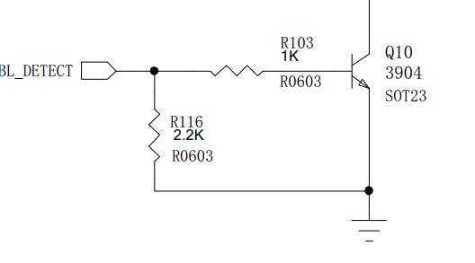
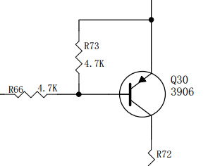
常用NPN三極管為3904,PNP三極管為3906。
NPN:
NPN三極管的基極為高電平時三極管導通。
PNP:
PNP三極管的基極為低電平時三極管導通。
三極管BE端并聯電阻的作用:
三極管B-E間電阻不是限流更不是分壓,但截止則是相對的,因為 b-e間有漏電流,而且,作為單片機的I/O口,其“0”狀態也不完全是“0V”的(對地有一個MOS管的壓降),這就有可能導致輸出三極管截止不良(關不斷),通過B-E間并一電阻可以讓B極電壓等與E級電壓,從而讓三極管可靠地截止,提高可靠性。
壹芯微科技專注于“二,三極管、MOS(場效應管)、橋堆”研發、生產與銷售,21年行業經驗,擁有先進全自動化雙軌封裝生產線、高速檢測設備等,研發技術、芯片源自臺灣,專業生產流程管理及工程團隊,保障所生產每一批物料質量穩定和更長久的使用壽命,實現高度自動化生產,大幅降低人工成本,促進更好的性價比優勢!選擇壹芯微,還可為客戶提供參數選型替代,送樣測試,技術支持,售后服務等,如需了解更多詳情或最新報價,歡迎咨詢官網在線客服!
手機號/微信:13534146615
QQ:2881579535
工廠地址:安徽省六安市金寨產業園區
深圳辦事處地址:深圳市福田區寶華大廈A1428
中山辦事處地址:中山市古鎮長安燈飾配件城C棟11卡
杭州辦事處:杭州市西湖區文三西路118號杭州電子商務大廈6層B座
電話:13534146615
企業QQ:2881579535

深圳市壹芯微科技有限公司 版權所有 | 備案號:粵ICP備2020121154號