來源:壹芯微 發布日期
2019-06-10 瀏覽:-壹芯微作為國內專業生產二三極管的生產廠家,生產技術已經是非常的成熟,進口的測試儀器,可以很好的幫組到客戶朋友穩定好品質,也有專業的工程師在把控穩定質量,協助客戶朋友解決一直客戶自身解決不了的問題,每天會分享一些知識或者客戶的一些問題,今天我們分享的是,三端穩壓管7805引腳分辨技巧和引腳圖解析,請看下方
本文主要是講三端穩壓管7805引腳如何判斷及引腳圖解析,在78 ** 、79 ** 系列三端穩壓器中最常應用的是TO-220 和TO-202 兩種封裝。這兩種封裝的圖形以及引腳序號、引腳功能如附圖所示。
圖中的7805引腳號標注方法是按照引腳電位從高到底的順序標注的。這樣標注便于記憶。引腳①為最高電位,③腳為最低電位,②腳居中。從圖中可以看出,不論正壓還是負壓,②腳均為輸出端。對于78**正壓系列,輸入是最高電位,自然是①腳,地端為最低電位,即③腳,如附圖所示。對與79**負壓系列,輸入為最低電位,自然是③腳,而地端為最高電位,即①腳,如附圖所示。
引腳序號、引腳功能圖示此外,還應注意,散熱片總是和最低電位的第③腳相連。這樣在78**系列中,散熱片和地相連接,而在79**系列中,散熱片卻和輸入端相連接。

三端穩壓管7805引腳圖
7805是常用的三端穩壓器,一般使用的是TO-220封裝,能提供DC 5V的輸出電壓,應用范圍廣,內含過流和過載保護電路。帶散熱片時能持續提供1A的電流,如果使用外圍器件,它還能提供不通的電壓和電流。

7805是常用的三端穩壓器件,顧名思義05就是輸出電壓為5v,還可以微調,7805輸出波紋很小。

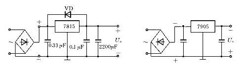
(1) 集成三端穩壓器根據穩定電壓的正、負極性分為78×××,79×××系列。附圖給出了正、負穩壓的典型電路。
〈正、負穩壓7805電路〉
(2) 三端穩壓器的型號規格和管腳分布。

例如:78M05三端穩壓器可輸出+5 V、0.5 A的穩定電壓;7912三端穩壓器可輸出 12V、1A的穩定電壓。
(3) 外形及管腳分布,如附下圖所示。

由7805,7905,7812組成的特殊的線性穩壓電源。
如圖所示為一種特殊的電源電路。該電路雖然簡單,但可以從兩個相同的次級繞組中產生出三組直流電壓:+5V、-5V和+12V。其特點是:D2、D3跨接在E2、E3這兩組交流電源之間,起著全波整流的作用。

7805可調穩壓電源電路圖
7800系列三端穩壓集成電路廣泛用于各種電子電器電路中用作電源穩壓,它的輸出電壓是固定的,但如果對外圍電路稍作改動就可以是一個不錯的連續可調穩壓電源,用作實驗檢修之用完全可行。
制作之前需了解:7800系列三端穩壓器按輸出電流區分有三種系列,分別是78L00系列最大輸出電流0.1A;78M00系列最大輸出電流0.5A;7800系列最大輸出電流1.5A。三端穩壓器輸入輸出壓差要大于2V。7805-7818的最高輸入電壓不能超過35V,7820-7824最高輸入電壓不能超過40V。

7805制作的5V-12V連續可調穩壓電源
這里選用7805制作了一個5V~12V連續可調的直流穩壓電源實例。圖中R1、R2的取值決定了輸出電壓的可調范圍,按照圖示取值可在5~12V穩壓范圍內實現輸出電壓連續可調。
最高輸出電壓受三端穩壓器最大輸入電壓及最小輸入輸出壓差的限制,7805最高輸入電壓為35V,輸入輸出壓差要保持在2V以上,因此該電路中由于穩壓器的直流輸入電壓約為15V,所以該電路的輸出電壓最大值設定為12V。
壹芯微科技針對二三極管作出了良好的性能測試,應用各大領域,如果您有遇到什么需要幫助解決的,可以點擊右邊的工程師,或者點擊銷售經理給您精準的報價以及產品介紹
工廠地址:安徽省六安市金寨產業園區
深圳辦事處地址:深圳市福田區寶華大廈A1428
中山辦事處地址:中山市古鎮長安燈飾配件城C棟11卡
杭州辦事處:杭州市西湖區文三西路118號杭州電子商務大廈6層B座
電話:13534146615
企業QQ:2881579535

深圳市壹芯微科技有限公司 版權所有 | 備案號:粵ICP備2020121154號