來源:壹芯微 發布日期
2019-09-26 瀏覽:-由于隧道二極管的脈沖電路,結構簡單,變化速度快,功耗小,因此在高速脈沖技術中得到廣泛的應用,可以用隧道二極管構成雙穩電路,單穩電路,多諧振蕩電路,以及用作整形和分頻電路等。
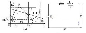
一、隧道二極管的伏安特性及其參數
隧道二極管的伏安特性[見圖一(a)]是一條S型特性曲線。曲線中最大電流點P,稱為峰點;最小電流點V,稱為谷點,隧道二極管的主要參數:
(1)峰點電壓Up,約幾十毫伏,谷點電壓Uv,約幾百毫伏
(2)峰點電流Ipi,約幾毫安,谷點電流Iv約幾百微安
(3)峰谷電流比,約為5-6,越大越好
(4)谷點電容Cv,幾微法至幾十微法,越小越好,國產2BS4A:Up=80毫伏,Ip=4毫安,峰谷電流比≥5,Cv=10~15微法,Uv=280毫伏。

圖一、隧道二極管的伏安特性
圖一(b)是常用的隧道二極管脈沖電路,若選取R、E的不同數值,可作三種具有代表性的直流負載線:
負載線Ⅰ圖一(a)與伏安特性交于低壓正阻區a點,它是穩定點,用于構成單穩電路。
負載線Ⅱ與伏安特性相交于負阻區的b點,它是不穩定點,用于構成多諧振蕩電路。
負載線Ⅲ與伏安特性交于C、D、E三點,C、E為穩定點,D為不穩定點,用于構成雙穩電路,因此,選取不同的靜態工作點負載線,就可獲得不同類型的脈沖電路。
二、隧道二極管單穩態電路

圖2、隧道二極管單穩態電路
圖2(a)是單穩態是路,若調節電位器R1,使由R1//R2及R2E/(R1+R2)作出的負載線I處于低壓正阻區內,其靜態工作點Q是穩定點(圖2(b),這時若無觸發脈沖作用,電路處于穩定狀態。但在觸發脈沖us作用下,負載線從I移至II,由于隧道不能停留在負阻區,及電感不答應電流突變,所以當電流I增至峰點電流時,就發生如下的恒流躍變:

各點變化的電壓組成的輸出波形如圖2(C)所示,脈沖寬度為:
ts=(L/RΣ)In[(ET-IvRΣ)/(ET-IpRΣ)](適用于工作在特性曲線低壓段)
式中:RΣ=RT+R1//R2,RT=Up/Ip
ET=E[R2/(R1+R2)
L≈UFts/2(Ip-Iv)
脈沖前沿:tr≈Cs[(Uv-UA)/Iv]
Cs為隧道二極管的結電容和分布電容
三、隧道二極管多諧振蕩電路

圖三、隧道二極管諧振蕩器
圖三(a)為自激多諧振蕩電路。靜態工作點Q置于負阻區(見圖3(b))。當接通電源后,電流I從零開始增至峰點電流,Ipo但由于靜態點不穩點,加上電感不答應電流突變,所以電流增至Ip后,周而復始地進行,從而產生了快速的矩形脈沖[見圖3(C)]。其參數如下:
脈沖寬度:T1≈(L/RΣ)In[(UF-ET+IpRΣ1)/(Uv-ET+IvRΣ1)]
脈沖間隔:T2≈(L/RΣ2)In[(ET-IvRΣ2)/ET-IpRΣ2)]
式中:RΣ1=R1//R2+(UF-Uv)/(Ip-Iv)
RΣ2=R1//R2+(Up/Ip),ET=E[R2/(R1+R2)]
四、隧道二極管雙穩態電路
圖4(a)為雙穩態電路,它有兩個穩定的靜態點Q1及Q3和一個不穩定點Q2(見圖4(b))。當接通電源后,電流增至IQ1就穩定下來。設觸發脈沖U2經過Rs及C1作用于隧道二極管。若幅度足夠大,就能把負載線推至P點外[虛線①,又由于電感存在,從P點恒流躍變至F點,再從F→Q3(當正尖脈沖消失后,負載線回至實線位置)接著,負尖脈沖又把負載線推至左邊(虛線②),開始恒流躍變:即從V→M→Q1。隨著正、負尖脈沖的交替作用,產生了周期的矩形波(見圖4(C)

圖4、隧道二極管雙穩態電路
五、隧道二極管與晶體管的組合使用
國產的隧道二極管全都是鍺材料做成的,其峰值電壓約為0.25伏左右,若這種鍺的遂道二極管要與硅晶體管并聯使用時,則遂道二極管BG2要串接反向二極管BG1(同了圖5(a),反向二極管是一種變種的隧道二極管,其峰點電流特別小,正向特性與普通二極管相似,但反向電壓作用時,電流急劇增加,溫度特性十分穩定。

圖5、隧道二極管整形電路
從圖5(b)可見,反向二極管與隧道二極管串接后,其組合特性:在電壓較低時由反向二極管決定:在電壓較高時,與硅晶體管的正向特性類似,兩者之間又存在負阻區,若按圖5(b)設置靜態點Q1,當A為低平電平時,B為高電平(0.8伏),BG3導通,集電極電壓Uc3=3伏。BG4的射極輸出端Uo為零伏低電平,當A點為負電平Um時,負載線向左轉移,很快地進進另一穩定點Q3。UQ3低于BG3的載止電壓,故BG3載止,輸出,輸出Uo為高電平,約18伏左右。一旦當A點回到零平時,負載線回到右邊,工作點從Q3→P→F→Q1點,輸出Uo又迅速回到零電平,由于隧道二極管的變化速度特別快,所以輸出脈沖的前后沿很陡。晶體管示波器常用隧道二極管]作整形電路。
壹芯微科技針對二三極管,MOS管作出了良好的性能測試,應用各大領域,如果您有遇到什么需要幫助解決的,可以點擊右邊的工程師,或者點擊銷售經理給您精準的報價以及產品介紹
工廠地址:安徽省六安市金寨產業園區
深圳辦事處地址:深圳市福田區寶華大廈A1428
中山辦事處地址:中山市古鎮長安燈飾配件城C棟11卡
杭州辦事處:杭州市西湖區文三西路118號杭州電子商務大廈6層B座
電話:13534146615
企業QQ:2881579535

深圳市壹芯微科技有限公司 版權所有 | 備案號:粵ICP備2020121154號