來源:壹芯微 發布日期
2023-04-14 瀏覽:-如何判定二極管和穩壓管的工作狀態
二極管電路的工作狀態的判定
依據:二極管正負極的電位相對大小
常見的兩種模型
理想二極管模型
當二極管正極電壓>負極電壓時管就導通,反之就截止
恒壓降模型
當二極管正極電壓-負極電壓>導通電壓降時就導通,反之截止。
步驟:
先假定二極管截止,計算二極管兩端的壓降,與相應的模型進行匹配,分析其導通還是截止。
注意:
二極管導通時壓降固定,電流任意,在截止時,電流固定,壓降任意
單個二極管
如圖所示,假設二極管導通電壓為0.7V,求UO1
判斷是否導通:先把二極管斷開,將二極管正極電壓為2V,負極電壓為-2V,2-(-2)>0.7,所以二極管導通。
計算電壓:二極管導通,所以U=2-0.7=1.3V
多個二極管并聯
如果多個二極管并聯,他們的正極電勢相同/負極電勢相同,則多個二極管中只能有一個導通,其余全部截止。
正極電勢相同且導通電壓相同,套結論
陽極電勢相同,導通電壓相同:負極電勢誰低誰先導通。如果負極電位低的那個二級管都無法導通,則這幾個二極管都截斷,如果判斷負極電位低的二極管可以導通,則導通壓降就固定在該二級管的導通電壓了。
陰極電勢相同,導通電壓相同:正極電勢誰高誰先導通。分析方法同上
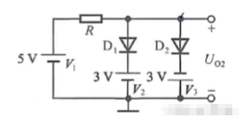
設二極管導通電壓為0.7V,求UO2的大小
共陽看負極,UD1=3V,UD2=-3V,所以D2導通,D1截斷,則=0.7-3=-2.3V
正極電勢相等但導通電壓不同,假設法
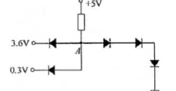
設二極管導通電壓為0.7V,求A點的電位
分析:將右邊三個二極管看成一個大的二極管,則大的二極管的截止電壓為3*0.7=2.1V
假設D1導通,則A點電勢為4.2V,此時發現D2,D3都會導通,所以假設不成立;
假設D2導通,則A點電勢為1V,此時發現D1,D3都截斷,假設成立。
假設D3導通,則A點電勢為2.1V,此時D2也會導通,假設不成立。
綜上,應為D2導通,D1,D3截斷,A點電位=1V
正負極電勢都不等,分段分析
已知U1=5sinwt(V),假設二極管導通電壓為0.7V,試著畫出Ui和Uo的波形,并標出關鍵的數值。簡述此電路中的二極管實現什么功能。
假設A點電位為0,則Ub=3V,Uc=-3V,如果D1要導通,則D點電勢應該大于3.7V,在這個區間Uo=3.7V不變,如果D2要導通,則D點電勢應該小于-3.7V,在這個區間Uo維持在-3,7V不變。而當D點電勢在-3.7~3.7V之間時,兩個二極管都導通,則Uo=U1。
所以畫出圖像應為
穩壓管工作狀態的判定
前置知識
穩壓器雖然也是二極管,但在反向擊穿的時候,他電流在一個區間內變化時并不會擊穿,而是電壓穩定在一個值不變,電流超出這個區間后才會被擊穿。
一個穩壓管
如圖所示,已知穩壓管的穩壓值為6V,穩定電流的最小值Imin=5mA,負載電阻為5kΩ,求解當電阻R=500Ω或2kΩ時兩種情況下的Uo各為多少?
假設法:
假設穩壓管進入反向穩壓狀態
若R=500Ω,Uo=6V,則i總=(10-6)/500=8mA,iR=6/5000=1.2mA。
則i=8-1.2=6.8mA>5mA,所以假設成立,穩壓管在穩壓區,Uo=6V。
若R=2000Ω,則則i總=(10-6)/2000=2mA,i=2-1.2=0.8mA<5mA,表明穩壓管不在穩壓區,與假設矛盾,此時穩壓管在截止區(相當于斷路),Uo=10x(5/7)=7.14V。
兩個穩壓管反向串聯
Dz1的穩定電壓為6V,Dz2的穩定電壓為12V,設穩壓管的正向導通壓降為0.7V,則輸出電壓Uo為多少?
假設法:
如果Dz1處于穩壓區,則流過Dz1的電流為從上到下,U2=24V,Dz2正向導通,電流也為從上到下,符合,此時Uo=6+0.7=6.7V。
如果Dz2處于穩壓區,則流過Dz2的電流為從下到上。U1=-48V,Dz1處于截斷狀態,Dz1中沒有電流,這與Dz2中的電流流向產生矛盾,所以假設錯誤。
壹芯微科技專注于“二,三極管、MOS(場效應管)、橋堆”研發、生產與銷售,20年行業經驗,擁有先進全自動化雙軌封裝生產線、高速檢測設備等,研發技術、芯片源自臺灣,專業生產流程管理及工程團隊,保障所生產每一批物料質量穩定和更長久的使用壽命,實現高度自動化生產,大幅降低人工成本,促進更好的性價比優勢!選擇壹芯微,還可為客戶提供參數選型替代,送樣測試,技術支持,售后服務等,如需了解更多詳情或最新報價,歡迎咨詢官網在線客服!
手機號/微信:13534146615
QQ:2881579535
工廠地址:安徽省六安市金寨產業園區
深圳辦事處地址:深圳市福田區寶華大廈A1428
中山辦事處地址:中山市古鎮長安燈飾配件城C棟11卡
杭州辦事處:杭州市西湖區文三西路118號杭州電子商務大廈6層B座
電話:13534146615
企業QQ:2881579535

深圳市壹芯微科技有限公司 版權所有 | 備案號:粵ICP備2020121154號