來源:壹芯微 發布日期
2023-06-25 瀏覽:-場效應管MOSFET電性能相關參數介紹
本篇主要介紹電性能相關的參數。相關的參數如下表所示
圖:電性能相關參數
1、漏-源極擊穿電壓(BVDSS)
BVDSS 是反向偏壓的體二極管被擊穿,且雪崩倍增引發大量的電流在源極和漏極之間流動的電壓。
BVDSS的含義雖然與VDS略有差異,但是在數值上一般是相同的。一般技術手冊中給出的VDSS為額定值,BVDSS給出的是最小值,所謂數值相同,是VDSS的額定值與BVDSS的最小值相同。
VDS電壓偶爾超過VDSS,MOSFET會進入雪崩擊穿區,可能不會馬上損壞MOSFET,但是經常超過的話會使MOSFET性能下降或者損壞。
圖:MOSFET結構示意圖
BVDSS電壓呈現兩個特性:
①如下圖所示,當測試的IDSS值越大,所得到的BVDSS電壓值越高。因此使用不同的測試標準時,實際的性能會有較大的差異。
②BVDSS并不是一成不變的,它具有正溫度系數,溫度越高耐壓越高。如下圖所示
其中ΔBVDSS/ΔTJ參數表明了BVDSS的正溫度系數,它表示溫度每上升1℃則BVDSS升高0.6V。
溫度越低耐壓也越低,有時候低溫啟動的損壞有可能就是這個原因,所以要降額使用。
因此在MOSFET的使用中,一定要保留足夠的VDS電壓裕量,其中一點就是為了考慮到低溫時MOSFET的BVDSS變小,另外一點是為了應對各種惡劣條件下的VDS電壓尖峰。
BVDSS測試方法:
參考下圖,短接G-S端,在S-D端串入直流電源和負載。
設置負載恒流模式和負載拉載值115mA,設置直流電源電壓。同時使用數字萬用表測試S-D端電壓VSD。
環境搭建完成后,從0開始逐步增加電壓源電壓,當Load到達額定電流(電流值根據數據手冊來確定)后,記錄此時的Source-Drain端電壓,即為VSD。
2、柵極門檻電壓 ( VGS(TH) )
VGS(th)是指加的柵源電壓使mosfet打開的起始電壓,MOSFET的GS電壓要大于VGS(th)才能夠開通。它與VGS/VGSS參數不同,VGS表示MOSFET所能承受的最大柵-源極電壓。
VGS電壓的兩個特性:
①VGS(th)電壓小于VGS(th)MOSFET是不開啟的,當VGS電壓超過閾值后,MOSFET才逐漸導通,即RDS逐漸減小,只有當VGS電壓增加到一定程度時,此時RDS達到最小值并基本保持不變。
如上圖所示,當ID電流一定的情況下,VGS電壓越小,VDS之間的壓差越大(VDS電壓與RDS成正比)。
如上圖所示,VGS=4.5V的時候,RDS隨著ID的增加而增加。VGS電壓增加到10V以后,RDS基本保持不變。
②VGS(th)呈現負溫度系數特性,當溫度上升時,MOSFET將在比較低的VGS電壓下開啟。假設產品要在負溫度條件下運行,避免不能正常開機,要考慮VGS(th)的情況。
如下圖所示,當ID保持不變時,溫度越高,VGS電壓在比較低的情況下就可以打開MOSFET
VGS(th)測試方法:
參考下圖,短接G-D端,在D-S端串入直流電源和負載,設置負載恒流模式。同時使用萬用表測試G-S端電壓。
環境搭建完成后,啟動負載拉載,從0開始逐步增加電壓源電壓,當Load到達額定電流(電流值根據數據手冊來確定)后,記錄此時的萬用表電壓即為VGS(th)。
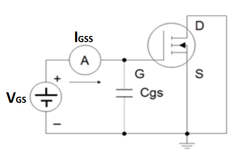
3、柵極漏電流(IGSS)
IGSS表示柵極驅動漏電流,值越小越好,對系統的效率影響就越小,通常在nA級別。
柵極漏電流一般通過驅動電壓和測量相應電流來確定,由于氧化物的質量或材料的物料特性,漏電流有很大的區別。
IGSS測試方法:
參考下圖,短接D-S端,然后在柵極-源極兩端施加最大允許電壓,再監測柵極-源極漏電流。
由于漏電流比較小,所以要使用SMU來進行測量。SMU是一個具有測量功能的四象限源電流/吸電流操作設備,它采用FVMI(電壓驅動、電流測量)和FIMV(電流驅動、電壓測量)模式。它可以提供指定的電壓并測量電流。它也可以提供指定的電流,然后測量通過DUT的電壓。SMU可以實現非常低的電流范圍(nA,pA),分辨率為fA,甚至aA。因此,毫無疑問,SMU可以準確測量MOSFET漏電流。
下圖所示為典型測量 MOSFET 柵漏電流的配置。進行MOSFET漏電流測試需要三個SMU通道,SMU1 連接到柵極并掃描柵極電壓和測量產生的泄漏電流。連接到漏極端的 SMU2和連接到源極端的 SMU3 都將偏置設為 0V。
4、漏-源極漏電流 ( IDSS )
測量漏源極漏電流,首先將柵極和源極短路,然后在漏極-源極兩端之間施加最大允許電壓,監測漏極-源極的漏電流。測試方法與IGSS相類似。
5、漏-源極導通電阻 ( RDS(on) )
Rds(ON)是MOSFET工作(啟動)時,漏極D和源極S之間的電阻值。MOSFET在導通后,Rds(ON)的值不是一成不變的,主要取決于VGS的值。Rds(ON)的值一般都是在mΩ級別,當MOSFET電流達到最大時,則Rdson必然是最小的。
RDS(on)測試方法:
參考上圖,使用直流電源1給G-S端供電,并設置直流電源1的電壓(VGS)遠大于導通電壓。
在D-S端串入直流電源2和負載,設置負載恒流模式和負載拉載值Id,設置直流電源2電壓。同時使用數字萬用表測試D-S端電壓VDS。
啟動電源1、電源2、電子負載,記錄此時的萬用表電壓即為VD-S。根據歐姆定律:Rds(ON)= VDS/Id。
6、正向跨導 ( gfs )
正向跨導表示 MOSFET 的信號增益(漏極電流除以柵極電壓,漏極輸出電流的變化量與柵源
電壓變化量之比)。高gfs 表明柵極 VGS 低電壓可以獲得高電流 ID 的能力。它也可以由下列公式計算出:
gfs反應了柵極電壓對漏源電流控制的能力,gfs過小會導致MOSFET關斷速度降低,關斷能力減弱。過大會導致關斷加快,EMI特性差,同時伴隨關斷時漏源會產生更大的關斷電壓尖峰。
壹芯微科技專注于“二,三極管、MOS(場效應管)、橋堆”研發、生產與銷售,20年行業經驗,擁有先進全自動化雙軌封裝生產線、高速檢測設備等,研發技術、芯片源自臺灣,專業生產流程管理及工程團隊,保障所生產每一批物料質量穩定和更長久的使用壽命,實現高度自動化生產,大幅降低人工成本,促進更好的性價比優勢!選擇壹芯微,還可為客戶提供參數選型替代,送樣測試,技術支持,售后服務等,如需了解更多詳情或最新報價,歡迎咨詢官網在線客服!
手機號/微信:13534146615
QQ:2881579535
工廠地址:安徽省六安市金寨產業園區
深圳辦事處地址:深圳市福田區寶華大廈A1428
中山辦事處地址:中山市古鎮長安燈飾配件城C棟11卡
杭州辦事處:杭州市西湖區文三西路118號杭州電子商務大廈6層B座
電話:13534146615
企業QQ:2881579535

深圳市壹芯微科技有限公司 版權所有 | 備案號:粵ICP備2020121154號