來源:壹芯微 發布日期
2023-06-25 瀏覽:-MOSFET場效應管動態性能參數介紹
本篇主要介紹MOSFET動態性能相關的參數。主要包括Qg、MOSFET的電容、開關時間等。參數列表如下所示
1、柵極電荷 ( Qg )
柵極電荷是指為導通MOSFET而注入到柵極電極的電荷量,有時也稱為總柵極電荷。總柵極電荷包括 Qgs 和 Qgd。Q gs表示柵極-源的電荷量,Qgd 表示柵極-漏極的電荷量,也稱米勒電荷量。
單位為庫倫(C),總柵極電荷量越大,則導通MOSFET所需的電容充電時間變長,開關損耗增加。數值越小,開關損耗就越小,從而實現高速開關。換言之,柵極電荷也可以表示為器件轉換為導通狀態時電流進入選通端接的時間積分,此時開關損耗等于柵極電荷、柵電壓和頻率的乘積。
通常,MOSFET的芯片尺寸(表面積)越小,總電荷量就越小,但是導通電阻會變大,因此開關損耗與工作時的損耗之間存在一個平衡關系。
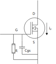
2、電容(Ciss, Coss, Crss)
Ciss, Coss, 和 Crss,跟柵極電荷一樣影響著開關性能。MOSFET 作動的過程,就是柵極電壓對源極、漏極電容充放電的過程。
Cgs:柵極和源極之間的等效電容。實際上控制電壓輸出后,就開始給電容Cgs開始充電,GS電容充電過程分三個階段:
①上電瞬間電容等效成短路,GS電容的內阻為0,幾乎所有的電流,都從電容上走;
②GS電容沒有充滿的情況下,電流分別從電阻及電容流過,但主要的電流依舊從電容走;
③ 電容充滿了,電流不從電容走,只有很小的電流從電阻走。
Cgd:柵極和漏極之間的等效電容。這個電容也稱為米勒電容,臭名昭著的“米勒效應”也因此產生。米勒效應,實際上是有一個固有的轉移特性:柵極的電壓Vgs和漏極的電流Id保持一個比例關系。
產生的問題:因為米勒電容的影響,造成mos管不能很快的進行開通和關斷,中間有一段延遲時間。通過示波器測量VGS電壓波形,會發現VGS波形在上升期間有一段平臺,這個平臺又稱為米勒平臺。(下圖加粗線表示)
米勒平臺大家首先想到的麻煩就是米勒振蕩。(即,柵極先給Cgs充電,到達一定平臺后再給Cgd充電)因為這個時候源級和漏級間電壓迅速變化,內部電容相應迅速充放電,這些電流脈沖會導致mos寄生電感產生很大感抗,這里面就有電容,電感,電阻組成震蕩電路,造成MOS誤導通、燒毀等問題。
產生問題的原因:
通過上圖我們分析,在t0-t1這段時間內,VGS一開始隨著柵極電荷的增加而增加,開始給Cgs充電,當電容達到門檻電壓后,VGS=VGSth后,MOS開始進入導通狀態。
在t1-t2這段時間內,MOS開始導通,此時的id就已經開始有電流,但是電流很小。此時的D極電壓比G極電壓高,電容Cgd是上正下負。
然后Vgs電壓繼續上升,Id也會繼續上升,當上升到米勒平臺電壓Va的時候,就會發生固有轉移特性(Vgs不變,id也保持不變)。
在t2-t3這段時間內,雖然柵極電荷繼續增加,但是柵極電荷也有了另外一條通路(下圖紫色標注通路),柵極電荷這個時間大部分用來給電容Cgd進行充電,導致VGS電壓不在增加。此時的Cgd極性與漏極充電相反,即下正上負,因此也可理解為對Cgd反向放電,最終使得Vgd電壓由負變正,結束米勒平臺進入可變電阻區。米勒平臺時間內,Vds開始下降,米勒平臺的持續時間即為Vds電壓從最大值下降到最小值的時間。
通過上圖我們可以分析在米勒平臺的這段時間內,VGS 和id都是保持不變的,VDS從最大值降到了最小值。所以剛進入米勒平臺時,在MOS管上產生的導通損耗非常的大。我們假設VDS電壓從12V減低到了0.5V,id=10A保持不變,可以計算導通功耗也從 120W變為5W,這個功率的變化時很大的,如果開通時間慢,意味著發熱從120w到5w過渡的慢,mos結溫會升高的厲害。所以開關越慢,結溫越高,容易燒mos。
Cds電容:源極和漏極之間的等效電容。
3、柵極電阻 (Rg)
Rg 是被設計在芯片柵極區域里,在 MOSFET 嵌入 Rg 下,柵極驅動電路可以簡化設計。
4、開關時間
MOSFET的開通時間ton由開通延遲時間td(on)和上升時間tr組成,關斷時間toff由關斷延遲時間td(off)和下降時間tf組成。
4、1 td(on) –導通延遲時間
td(on)是指從 VGS 輸入電壓升到 10% 到 VDS下降到 90% 兩點之間的時間。t0-t1時刻,驅動電平置高,打算開通MOSFET,但是由于柵極等效電容的存在,柵極電壓VGS緩慢上升,由于VGS尚未達到VGS(th),所以MOSFET尚未開通,這段時間代表從開始“開通”到“開通開始生效”的延遲。
4、2 tr –導通上升時間
tr是指 VDS 從 90%下降到 VDS 的 10% 兩點之間的時間。
t1時刻,VGS電壓達到開通門限,MOSFET開始導通,由于漏源之間的等效電容,從t1時刻開始,VD逐漸降低,ID逐漸增大。t2時刻,VD達到最低,ID增至最大,MOSFET完成開通過程。
實際上,在tr時間段內,VGS電壓會因為“米勒平臺”維持不變,在t2時刻以后,VGS電壓逐漸上升到驅動電壓的最大值。
這段時間稱為上升時間,代表了ID電流上升到最大所需要的時間。
4、3 td(off) –關斷延遲時間
td(off)是指 VGS 下降到 90% 到 VDS 上升到其關斷電壓的 10% 兩點之間的時間。t3-t4時刻,驅動電平置低,打算關斷MOSFET。同樣由于柵極等效電容的存在,VGS只能緩慢降低,在VGS尚未降低到門限電壓之前,MOSFET的導通狀態不會有變化,這段時間代表開始“關斷”到“關斷開始生效”的延遲。
4、4 tf – 關斷下降時間
tf是指 VDS 從 10%上升 到其關斷電壓的 90% 兩點之間的時間。在t4時刻,VGS電壓降低到門限電壓,MOSFET關斷,t5時刻,VD達到最高,ID減小至最低,MOSFET完成關斷過程。
這段時間稱為下降時間,代表了ID電流下降到最低所需要的時間。
壹芯微科技專注于“二,三極管、MOS(場效應管)、橋堆”研發、生產與銷售,20年行業經驗,擁有先進全自動化雙軌封裝生產線、高速檢測設備等,研發技術、芯片源自臺灣,專業生產流程管理及工程團隊,保障所生產每一批物料質量穩定和更長久的使用壽命,實現高度自動化生產,大幅降低人工成本,促進更好的性價比優勢!選擇壹芯微,還可為客戶提供參數選型替代,送樣測試,技術支持,售后服務等,如需了解更多詳情或最新報價,歡迎咨詢官網在線客服!
手機號/微信:13534146615
QQ:2881579535
工廠地址:安徽省六安市金寨產業園區
深圳辦事處地址:深圳市福田區寶華大廈A1428
中山辦事處地址:中山市古鎮長安燈飾配件城C棟11卡
杭州辦事處:杭州市西湖區文三西路118號杭州電子商務大廈6層B座
電話:13534146615
企業QQ:2881579535

深圳市壹芯微科技有限公司 版權所有 | 備案號:粵ICP備2020121154號