來源:壹芯微 發布日期
2020-07-11 瀏覽:-lm317可調穩壓電源板如何連
LM317可調穩壓直流電源電路
直流穩壓電源是一種將220V工頻交流電轉換成穩壓輸出的直流電的裝置,它需要變壓、整流、濾波、穩壓四個環節才能完成。一般由電源變壓器、整流濾波電路及穩壓電路所組成,基本框圖如下:

1、降壓部分
源變壓器是降壓變壓器,它的作用是將220V的交流電壓變換成整流濾波電路所需要的交流電壓Ui。變壓器的變比由變壓器的副邊按比例確定,變壓器副邊與原邊的功率比為P2/P1=n,式中n是變壓器的效率。
2、整流部分
該設計采用單相橋式整流電路。其由四只二極管組成,其構成原則就是保證在變壓器副邊電壓u的整個周期內,負載上的電壓和電流方向始終不變。為達到這一目的,需要在Uz的正、負半周內正確引導流向負載的電流,使其方向不變,設變壓器副邊兩端分別為a和b,則a為“+”b為“一”時應有電流流出a點,a為“一”b為“+”時應有電流流入a點;相反,a為“+”b為“一”時應有電流流入b點,因而a和b點均應接兩只二極管,以引導電流,具體電路原理如圖2所示。

果橋式整流電路變壓器副邊中點接地,就應將兩個負載電阻相連接且連接中點接地。根據橋式整流電路的工作原理,當a點為“+”b點為“一”時,Dl、D3導通,D2、D4截止,U01=U2,U02=一U2;而當b點為“+”a點為“一”時,D2、D4導通,D1、D3截止,U01=一U2,U02=U2,這樣兩個負載上就分別獲得正、負電壓。 若設變壓器副邊電壓u2=U2sinwt,U2為其有效值。當u2為正半周時,電流由a點流出,經Dl、RL、D3流入b點,因而負載電阻RL上的電壓等于變壓器副邊電壓,即uo=u2,D2和D4管承受的反向電壓為一u2。當u2為負半周時,電流由b點流出,經D2、RL、D4流入a點,負載電阻RL上的電壓等于一u2,即uo=一u2,D1、D3承受的反向電壓為u2。這樣,由于D1、D3和D2、D4兩對二極管交替導通,致使負載電阻RL上在u2的整個周期內都有電流通過,而且方向不變,則輸出電壓uo=|U2sinwt|。
3、濾波電路
經過整流后的直流電幅值變化很大,會影響電路的工作性能。可利用電容的“通交流,隔直流”的特性,在電路中并人兩個并聯電容作為電容濾波器,濾去其中的交流成分。
電容濾波電路是最常見也是最簡單的濾波電路,在整流電路的輸出端(即負載電阻兩端)并聯一個電容即構成電容濾波電路。濾波電容容量較大,因此一般均采用電解電容,在接線時要注意電解電容的正負極。電容濾波電路利用電容的充、放電作用,使輸出電壓趨于平滑。如果將兩個濾波電容相連接,且連接點接地,就可同時得到輸出電壓平滑的正負電源。
在理想情況下,變壓器副邊無損耗,二極管導通電壓為零,所以電容兩端電壓相等。而當其上升到峰值后開始下降,電容便通過負載電阻放電,其電壓也開始下降,趨勢與電容兩端電壓基本相同。但是由于電容按指數規律放電,所以當其下降到一定數值后,電容將繼續通過負載放電,電容兩端電壓按指數規律緩慢下降。
LM317典型應用電路

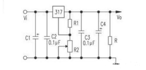
1,2腳之間為1.25V電壓基準。為保證穩壓器的輸出性能,R1應小于240歐姆。改變R2阻值即可調整穩壓電壓值。D1,D2用于保護。
lm317如何用作穩流器
1、明確LM317的輸入和輸出端

2、Lm317做穩流器的電路原理圖。

3、LM317用作穩流器的例子。

通過LM317控制3個LED燈發光。LED燈的額定電壓是3V。
4、第三步中,為什么要用LM317作為穩流管而不是穩壓管?
原因是:如果D1、D2、D3中有一個短路了,而且LM317做的是穩壓管,剩下的兩個好的led發光二極管也會因為電壓變大二壞掉。
但是如果LM317用作穩流管,即使D1、D2、D3中有一個短路了,LM317也會自動調整電流,以保持電流恒定,從而起到保護電路的作用
LM317工作原理
LM317作為輸出電壓可變的集成三端穩壓塊,是一種使用方便、應用廣泛的集成穩壓塊。
317系列穩壓塊的型號很多:例如LM317HVH、W317L等。電子愛好者經常用317穩壓塊制作輸出電壓可變的穩壓電源(其電路的基本形式如下圖所示)。穩壓電源的輸出電壓可用下式計算,Vo=1.25(1+R2/R1)。僅僅從公式本身看,R1、R2的電阻值可以隨意設定。

然而作為穩壓電源的輸出電壓計算公式,R1和R2的阻值是不能隨意設定的。首先317穩壓塊的輸出電壓變化范圍是Vo=1.25V—37V(高輸出電壓的317穩壓塊如LM317HVA、LM317HVK等,其輸出電壓變化范圍是Vo=1.25V—45V),所以R2/R1的比值范圍只能是0—28.6。其次是317穩壓塊都有一個最小穩定工作電流,有的資料稱為最小輸出電流,也有的資料稱為最小泄放電流。最小穩定工作電流的值一般為1.5mA。由于317穩壓塊的生產廠家不同、型號不同,其最小穩定工作電流也不相同,但一般不大于5mA。當317穩壓塊的輸出電流小于其最小穩定工作電流時,317穩壓塊就不能正常工作。當317穩壓塊的輸出電流大于其最小穩定工作電流時,317穩壓塊就可以輸出穩定的直流電壓。如果用317穩壓塊制作穩壓電源時(如圖所示),沒有注意317穩壓塊的最小穩定工作電流,那么你制作的穩壓電源可能會出現下述不正常現象:穩壓電源輸出的有載電壓和空載電壓差別較大。
要解決317穩壓塊最小穩定工作電流的問題,可以通過設定R1和R2阻值的大小,而使317穩壓塊空載時輸出的電流大于或等于其最小穩定工作電流,從而保證317穩壓塊在空載時能夠穩定地工作。此時,只要保證Vo/(R1+R2)≥1.5mA,就可以保證317穩壓塊在空載時能夠穩定地工作。上式中的1.5mA為317穩壓塊的最小穩定工作電流。當然,只要能保證317穩壓塊在空載時能夠穩定地工作,Vo/(R1+R2)的值也可以設定為大于1.5mA的任意值。
經計算可知R1的最大取值為R1≈0.83KΩ。又因為R2/R1的最大值為28.6。所以R2的最大取值為R2≈23.74KΩ。在使用317穩壓塊的輸出電壓計算公式計算其輸出電壓時,必須保證R1≥0.83KΩ,R2≤23.74KΩ兩個不等式同時成立,才能保證317穩壓塊在空載時能夠穩定地工作。當然在317穩壓塊的輸出端并聯泄流電阻R(如圖所示),也可以為317穩壓塊提供最小穩定工作電流。但是,由于并聯的泄流電阻不能隨輸出電壓的變化而變化,如果要保證317穩壓塊在輸出電壓為1.25V時,其輸出電流大于其最小穩定工作電流,則在317穩壓塊的輸出電壓為37V時,流過泄流電阻的電流就太大了,這樣不僅浪費了電能,而且增加了317穩壓塊的負擔,不是一種妥當的辦法。
LM317電源電路原理
上述原理圖電路中,主要使用了一個三端穩壓器件LM317T,功能主要是穩定電壓信號,以便提高系統的穩定性能和可靠性能。LM317T是一種這樣的器件:由Vin端提供工作電壓后,他便可以保持其+Vout端(2腳)比其ADJ端(1腳)的電壓高1125V。因此,只需要用極小的電流來調整ADJ端的電壓,便可在Vout端得到比較大的電流輸出,并且電壓比ADJ端高出恒定的1125V。還可以通過調整ADJ端(1端)的電阻值改變輸出電壓(LM317T會保證接入ADJ端和+Vout端的那部分電阻上的電壓為1125V)。所以,當ADJ端(1端)的電阻值增大時,輸出電壓將會升高。

LM317T的輸出電壓可以從1125V連續調節到37V,其輸出電壓值可由式(1)算出:

LM317可調穩壓直流電源電路
直流穩壓電源是一種將220V工頻交流電轉換成穩壓輸出的直流電的裝置,它需要變壓、整流、濾波、穩壓四個環節才能完成。一般由電源變壓器、整流濾波電路及穩壓電路所組成,基本框圖如下:

1、降壓部分
電源變壓器是降壓變壓器,它的作用是將220V的交流電壓變換成整流濾波電路所需要的交流電壓Ui。變壓器的變比由變壓器的副邊按比例確定,變壓器副邊與原邊的功率比為P2/P1=n,式中n是變壓器的效率。
2、整流部分
該設計采用單相橋式整流電路。其由四只二極管組成,其構成原則就是保證在變壓器副邊電壓u的整個周期內,負載上的電壓和電流方向始終不變。為達到這一目的,需要在Uz的正、負半周內正確引導流向負載的電流,使其方向不變,設變壓器副邊兩端分別為a和b,則a為“+”b為“一”時應有電流流出a點,a為“一”b為“+”時應有電流流入a點;相反,a為“+”b為“一”時應有電流流入b點,因而a和b點均應接兩只二極管,以引導電流,具體電路原理如圖2所示。

果橋式整流電路變壓器副邊中點接地,就應將兩個負載電阻相連接且連接中點接地。根據橋式整流電路的工作原理,當a點為“+”b點為“一”時,Dl、D3導通,D2、D4截止,U01=U2,U02=一U2;而當b點為“+”a點為“一”時,D2、D4導通,D1、D3截止,U01=一U2,U02=U2,這樣兩個負載上就分別獲得正、負電壓。
若設變壓器副邊電壓u2=U2sinwt,U2為其有效值。當u2為正半周時,電流由a點流出,經Dl、RL、D3流入b點,因而負載電阻RL上的電壓等于變壓器副邊電壓,即uo=u2,D2和D4管承受的反向電壓為一u2。當u2為負半周時,電流由b點流出,經D2、RL、D4流入a點,負載電阻RL上的電壓等于一u2,即uo=一u2,D1、D3承受的反向電壓為u2。這樣,由于D1、D3和D2、D4兩對二極管交替導通,致使負載電阻RL上在u2的整個周期內都有電流通過,而且方向不變,則輸出電壓uo=|U2sinwt|。
3、濾波電路 經過整流后的直流電幅值變化很大,會影響電路的工作性能。可利用電容的“通交流,隔直流”的特性,在電路中并人兩個并聯電容作為電容濾波器,濾去其中的交流成分。
電容濾波電路是最常見也是最簡單的濾波電路,在整流電路的輸出端(即負載電阻兩端)并聯一個電容即構成電容濾波電路。濾波電容容量較大,因此一般均采用電解電容,在接線時要注意電解電容的正負極。電容濾波電路利用電容的充、放電作用,使輸出電壓趨于平滑。如果將兩個濾波電容相連接,且連接點接地,就可同時得到輸出電壓平滑的正負電源。
在理想情況下,變壓器副邊無損耗,二極管導通電壓為零,所以電容兩端電壓相等。而當其上升到峰值后開始下降,電容便通過負載電阻放電,其電壓也開始下降,趨勢與電容兩端電壓基本相同。但是由于電容按指數規律放電,所以當其下降到一定數值后,電容將繼續通過負載放電,電容兩端電壓按指數規律緩慢下降。
LM317典型應用電路

1,2腳之間為1.25V電壓基準。為保證穩壓器的輸出性能,R1應小于240歐姆。改變R2阻值即可調整穩壓電壓值。D1,D2用于保護。
lm317如何用作穩流器
1、明確LM317的輸入和輸出端

2、Lm317做穩流器的電路原理圖。

3、LM317用作穩流器的例子。

通過LM317控制3個LED燈發光。LED燈的額定電壓是3V。
4、第三步中,為什么要用LM317作為穩流管而不是穩壓管?
原因是:如果D1、D2、D3中有一個短路了,而且LM317做的是穩壓管,剩下的兩個好的led發光二極管也會因為電壓變大二壞掉。
但是如果LM317用作穩流管,即使D1、D2、D3中有一個短路了,LM317也會自動調整電流,以保持電流恒定,從而起到保護電路的作用
壹芯微科技針對二三極管,MOS管作出了良好的性能測試,應用各大領域,如果您有遇到什么需要幫助解決的,可以點擊右邊的工程師,或者點擊銷售經理給您精準的報價以及產品介紹
工廠地址:安徽省六安市金寨產業園區
深圳辦事處地址:深圳市福田區寶華大廈A1428
中山辦事處地址:中山市古鎮長安燈飾配件城C棟11卡
杭州辦事處:杭州市西湖區文三西路118號杭州電子商務大廈6層B座
電話:13534146615
企業QQ:2881579535

深圳市壹芯微科技有限公司 版權所有 | 備案號:粵ICP備2020121154號