來源:壹芯微 發布日期
2023-09-25 瀏覽:-幾種簡單的DC-DC升壓電路介紹
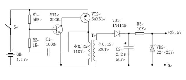
一、直流升壓電路
如圖所示是一種輸出電壓可達22.5 V的直流升壓器電路,可用來代替22.5 V的疊層電池。
它利用萬用表中的一節1.5V電池供電,工作電流為25mA,輸出電流約為0.5mA,用于萬用表的高阻擋足夠富裕。電路中VT1與VT2組成互補多諧振蕩器,它的振蕩頻率約為2kHz。T是升壓變壓器,初級就是互補多諧振蕩器的負載,次級為升壓繞組,輸出一個較高的脈沖電壓。該電壓經過二極管VD1和電容C2整流濾波后成為直流高壓,再經過電阻R3與穩壓管VD2穩壓后可輸出一個較穩定的高電壓。
電路中變壓器T可用晶體管收音機用的502型音頻輸出變壓器,次級作為升壓變壓器的初級,初級中間的抽頭不用,兩端抽頭作為升壓變壓器的次級。如果找不到合適的變壓器,也可以用收音機輸人輸出變壓器的硅鋼片自制,初級用直徑為0.25mm的高強度漆包線繞110匝,次級用直徑0.21mm的高強度漆包線繞520匝。初次級間要加一層絕緣紙,并注意初次級線圈的同名端。
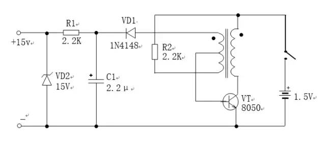
二、小型直流升壓器
如圖所示是一種構造很簡單的小型直流升壓器,可用來取代15V的疊層電池。電路的核心元件一變壓器T使用的是袖珍驗鈔器的專用變壓器。電路耗電約40mA,輸出電壓為15V。如果萬用表15V電池的正極與1.5V電池的負極相接,只需將圖7—70中VD1(C1、VDZ的極性調過來,這樣將輸出一個-15V電壓)
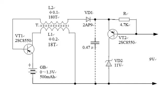
三、穩壓型直流升壓電路
如圖所示是一種穩壓型直流升壓電路。該電路可將一節1.5V的電池升壓至9V,用來取代9V疊層電池使用。電路空載輸人電流低于1.2mA,轉換效率高達60%。該電路由振蕩電路和穩壓電路構成,其中VT1、VT2、C2組成振蕩器,色碼電感L為儲能電感,VD2為整流二極管,C3為輸出濾波電容,VT3、VD1、VD3及R2為穩定輸出電壓的穩壓電路。輸出電壓約等于VD3的穩壓值。
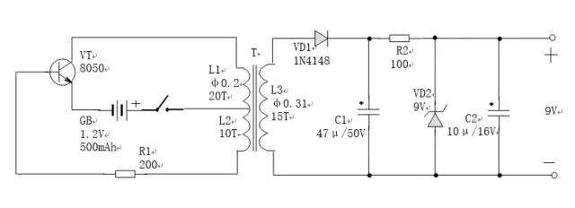
四、逆變電源電路(一)
如圖所示是一種利用1.2V、500mAh的鎳鎘電池做電源的逆變電源電路,輸出直流電壓為9V,可供數字式萬用表使用。下圖中變壓器T利用15mm的磁環穿繞而成(元器件參數圖中均已標注人名為數字萬用表的電源開關。
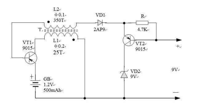
五、逆變電源電路(二)
如圖所示是自控式數字表逆變電源電路。它不需要單獨設立電源開關或對表內開關進行改造。該電路具有耗電省、穩定可靠、不影響儀表精度等特點。電路中的變壓器T是用E3型鐵氧體磁芯、各折去一角后加工成口字形,L2在內,L1在外。整個逆變電源工作時,電池工作電流約為70mA。
六、簡易仿制電路
下圖為仿制電路:輸入可低至0.8V,輸出電流可達10mA
輸出開路,輸入電流為零。
T:E3日字型磁芯L1=18匝=125μH L2=180匝=12mH
壹芯微科技專注于“二,三極管、MOS(場效應管)、橋堆”研發、生產與銷售,21年行業經驗,擁有先進全自動化雙軌封裝生產線、高速檢測設備等,研發技術、芯片源自臺灣,專業生產流程管理及工程團隊,保障所生產每一批物料質量穩定和更長久的使用壽命,實現高度自動化生產,大幅降低人工成本,促進更好的性價比優勢!選擇壹芯微,還可為客戶提供參數選型替代,送樣測試,技術支持,售后服務等,如需了解更多詳情或最新報價,歡迎咨詢官網在線客服!
手機號/微信:13534146615
QQ:2881579535
工廠地址:安徽省六安市金寨產業園區
深圳辦事處地址:深圳市福田區寶華大廈A1428
中山辦事處地址:中山市古鎮長安燈飾配件城C棟11卡
杭州辦事處:杭州市西湖區文三西路118號杭州電子商務大廈6層B座
電話:13534146615
企業QQ:2881579535

深圳市壹芯微科技有限公司 版權所有 | 備案號:粵ICP備2020121154號