來源:壹芯微 發布日期
2023-09-22 瀏覽:-低壓差線性穩壓器LDO電路詳解
在電壓轉換電路中,LDO和DC-DC電路是最常用的兩種方式,本篇主要介紹LDO相關內容。
LDO是線性電源的一種,它可以實現電源電壓的轉換,不過主要用在降壓領域。它的全稱是Low Dropout Regulaor,就是低壓差線性穩壓器,這個低壓差就表示它的輸入輸出電勢差不會太大,所以叫低壓差。
在理解上可以看作LDO=低壓差+線性+穩壓器。
那LDO有哪些特點呢?
對于LDO電路,相對與DCDC電路,它具備成本低,噪音低,靜態電流小等優點,并且在實際運用中,它需要的外接元件也更少,通常僅僅需要一兩個旁路電容就可以了。
比如型號spx3819(某一常用LDO電路芯片)的電路圖如下圖所示,可以看到它的外圍電路器件非常簡單。
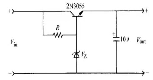
在對LDO的理解中,可以對LDO的組成部分分開理解。
比如上圖,它是一個基本的低壓降穩壓器,通過電阻R進行分壓,下半部分為穩壓電路,具有穩壓管元件,它的穩壓工作區間決定了輸出穩壓的范圍,雖然是一個簡單的電路,但是它可以實現小電流(百mA級別),小動態范圍內的穩壓作用。
如果在電路中加入一個三極管,就可以起到反饋調節的作用,如上圖,當輸入電壓Vin增大時,輸出電壓Vout就會瞬間增大,三極管的射極電Ve也會增大,此時如果基極電壓Vb不變,發射結電壓就會減少,進而輸出電流減少,Vout也相應減小,可以看成是一個基本的低壓差穩壓器。
如果加上線性,就是如下圖所示的電路(一個簡單的LDO電路)。
相比于低壓差穩壓器電路,它增加了運算放大器,作用上加深的反饋效果同時提高輸出輸出電壓的穩定性。
當輸入電壓Vin增大或輸出負載電阻增大時,輸出電壓Vout也會瞬間增加,通過R1,R2采樣得到的電壓也會增加,因為是反向端輸入,所以運放A的輸出會相應減少,則Vb-Ve就會減少,進而Vout減小。其中R1,R2的分壓作用是LDO的原理核心,所以LDO只能用于降壓,不能用于升壓,并且電流不能過大。
通過對于上面LDO電路的舉例,就可以理解LDO內部有四個部分組成:分別是基準參考電壓,誤差放大器,分壓抽取電路和晶體管調整電路。
基準參考電壓:就是正向輸入端的電壓,也是LDO的輸入電壓,也稱基準電壓。
誤差放大器:將采集到的電壓輸入到比較器反向輸入端,與正向輸入端的基準電壓進行比較,再將比較結果放大,如果反向輸入端電壓增大,則會導致運放的輸出端減小。
分壓抽取電路:就是電路圖中的R1,R2,通過它們對輸出電壓進行采集
晶體管調整電路:運放放大后的信號會輸送到晶體管的基極,從而放大后的信號可以控制晶體管的導通電壓,形成一個負反饋調節回路。
壹芯微科技專注于“二,三極管、MOS(場效應管)、橋堆”研發、生產與銷售,21年行業經驗,擁有先進全自動化雙軌封裝生產線、高速檢測設備等,研發技術、芯片源自臺灣,專業生產流程管理及工程團隊,保障所生產每一批物料質量穩定和更長久的使用壽命,實現高度自動化生產,大幅降低人工成本,促進更好的性價比優勢!選擇壹芯微,還可為客戶提供參數選型替代,送樣測試,技術支持,售后服務等,如需了解更多詳情或最新報價,歡迎咨詢官網在線客服!
手機號/微信:13534146615
QQ:2881579535
工廠地址:安徽省六安市金寨產業園區
深圳辦事處地址:深圳市福田區寶華大廈A1428
中山辦事處地址:中山市古鎮長安燈飾配件城C棟11卡
杭州辦事處:杭州市西湖區文三西路118號杭州電子商務大廈6層B座
電話:13534146615
企業QQ:2881579535

深圳市壹芯微科技有限公司 版權所有 | 備案號:粵ICP備2020121154號