來源:壹芯微 發布日期
2022-05-24 瀏覽:-基于LM324的電源測試儀設計介紹 | 壹芯微
通用型集成運放LM324內部有四個運放器,利用其中兩個運放器可以制作一個電源測試儀。此測試儀對于工廠生產線上大批量生產電源板進行檢驗特別適合,只要看指示燈即可判別電源板的好壞。本文介紹基于LM324的電源測試儀設計方案。
1.電源測試儀簡介
儀器最大的特點是體積小、重量輕,適合220V直流系統檢測,并能全自動實時在線快速準確的測試出變電站直流電源系統的穩壓精度、穩流精度、紋波系數、效率特性、電池放電容量等,并可對電池的多項測量結果和曲線顯示生成報表,并進行綜合計算分析,準確判別。
2.LM324簡介
LM324系列器件帶有真差動輸入的四運算放大器,具有真正的差分輸入。與單電源應用場合的標準運算放大器相比,其具有可以工作在低到3.0伏或者高到32伏的電源下,靜態電流為MC1741的靜態電流的五分之一等優點。采用14腳雙列直插塑料封裝,外形如圖所示。它的內部包含四組形式完全相同的運算放大器,除電源共用外,四組運放相互獨立。

圖1 LM324封裝外形圖
3.電路設計
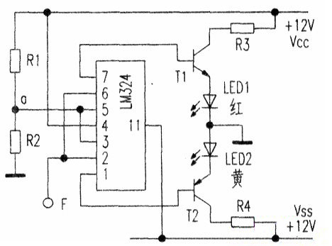
電路如圖2所示,假如要檢測的電源為9V,誤差0.8V,即小于8.2V和大于9.8V的產品為不合格。

圖2 電路原理圖
首先,選擇Rl、R2的阻值使a點電壓為9V,當F測到電壓高于9.8V時,T1導通,LEDI(紅燈)亮,此燈作為過壓指示;當F測到低于8.2V時,T2導通,LED2(黃燈)亮,把它作為欠壓指示;兩燈都不亮時,表示被測電源板正常。另外改變R1、R2,即選擇a點的電壓,可檢測不同電壓的電源。
以上就是基于LM324的電源測試儀設計方案介紹了。LM324可以工作于低至3.0V或高達32V的電源電壓,靜態電流是MC1741的五分之一左右(每個放大器)。共模輸入范圍包括負電源,因此在眾多應用中無需外部偏置元器件。
深圳壹芯微科技,20年專業生產“二極管、三極管、場效應管、橋堆”等,專業生產管理團隊對品質流程嚴格管控,超過4800家電路電器生產企業選用合作,價格低于同行(20%),更具性價比,提供選型替代,送樣測試,數據手冊,技術支持,售后FEA,如需了解更多詳情或最新報價,歡迎咨詢官網在線客服!
手機號/微信:13534146615
QQ:2881579535
工廠地址:安徽省六安市金寨產業園區
深圳辦事處地址:深圳市福田區寶華大廈A1428
中山辦事處地址:中山市古鎮長安燈飾配件城C棟11卡
杭州辦事處:杭州市西湖區文三西路118號杭州電子商務大廈6層B座
電話:13534146615
企業QQ:2881579535

深圳市壹芯微科技有限公司 版權所有 | 備案號:粵ICP備2020121154號