來源:壹芯微 發布日期
2019-10-28 瀏覽:-晶體管耐壓測試用2000V可調直流穩壓電源
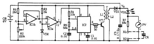
該穩壓電源可在3V~2000V之間連續調節,主要用于晶體管的耐壓測試或其它實驗應用,整機電路如圖所示: 電路中,由IC2(555時基電路)及其外圍元件組成方波發生器,振蕩頻率為20KHz。方波信號由IC2的③腳輸出經三極 ...
該穩壓電源可在3V~2000V之間連續調節,主要用于晶體管的耐壓測試或其它實驗應用,整機電路如圖所示:
電路中,由IC2(555時基電路)及其外圍元件組成方波發生器,振蕩頻率為20KHz。方波信號由IC2的③腳輸出經三極管VT功率放大后輸出到脈沖變壓器T的初級 L1,由變壓器耦合到次級L2經二極管VD2整流,給C3充電,C3兩端的直流電壓峰值最高可達2kV。

3V~2000V直流可調穩壓電源
IC1a和有關元件組成電壓比較器,由VD2提供其同相端③腳的基準電壓0.7V。比較電壓取自VE點,再通過分壓器R1和R2的A點經電壓跟隨器IC將分壓的A點電壓送到IC1a的反相端。工作時,若Va<Vb,則IC1a輸出高電位,此時IC2方波振蕩器振蕩,C3被充電,電壓VE上升,當 VE上升到使VA>VB時,VF出現低電位,IC2停振,若C3上電壓再次下降時,即VA<VB,這時方波振蕩器再次振蕩,又給C3充電,如此循環,達到輸出電壓VE在3-2000V之間連續可調穩壓的目的。
直流輸出電壓從電路中的X1和X2兩端輸出作被測器件的接口端。IC為為LM324,IC2為NE555。VD1反向工作電壓大于 2000V,VD2為任一型號的硅整流管。脈沖變壓器T的鐵心選用鐵氧體材料,尺寸為E-7,繞制時先用0.17mm漆包線在L1上繞30匝,后用 0.09漆包線在L2上繞滿為止(大約1200匝)。
L1、L2均用排繞,層間加聚乙烯薄膜。L2的兩根引線應分開一些。電容器C3耐壓應大于 2000V,可選用C404M型高壓瓷介電容器。VT的B>100、Icm>700mA,可選用3DG130、8050等。調試時若輸出電壓只有 40--50V,只需把L2兩端對調即可。其余元件如圖標注。
壹芯微科技針對二三極管,MOS管作出了良好的性能測試,應用各大領域,如果您有遇到什么需要幫助解決的,可以點擊右邊的工程師,或者點擊銷售經理給您精準的報價以及產品介紹
工廠地址:安徽省六安市金寨產業園區
深圳辦事處地址:深圳市福田區寶華大廈A1428
中山辦事處地址:中山市古鎮長安燈飾配件城C棟11卡
杭州辦事處:杭州市西湖區文三西路118號杭州電子商務大廈6層B座
電話:13534146615
企業QQ:2881579535

深圳市壹芯微科技有限公司 版權所有 | 備案號:粵ICP備2020121154號