來源:壹芯微 發布日期
2023-03-13 瀏覽:-電源濾波器
電源濾波器,又名“電源EMI濾波器”,或是“EMI電源濾波器”,是一種無源雙向網絡,是一種對電源中特定頻率的頻點或該頻點以外的頻率進行有效濾除的電氣設備。
電源濾波器是針對電源端口電磁騷擾的特點而設計的,一般是由電感、電容、電阻或鐵氧體器件構成的頻率選擇性二端口網絡,實際上是濾波器的一種,按照工作原理稱之為反射式濾波器。它可以在濾波器阻帶內提供了高的串聯阻抗和低的并聯阻抗,使它和噪聲源的阻抗和負載阻抗嚴重不匹配,從而把不希望的頻率分量發射回噪聲源。
當我們選用電源濾波器時,應主要考慮三個方面的指標:首先是電壓、電流,其次是插入損耗,最后是結構尺寸。由于濾波器內部一般是經過灌封處理的,因此環境特性不是主要問題。但是所有的灌封材料和濾波電容器的溫度特性對電源濾波器的環境特性有一定的影響。
電源濾波器結構
根據電源端口的電磁騷擾特點,電源EMI噪聲濾波器是一種無源低通濾波器,它無衰減地將交流電傳輸到電源,而大大衰減隨交流電傳入的EMI噪聲,同時又能有效地抑制電源設備產生的EMI噪聲,阻止它們進入交流電網干擾其它電子設備。
電源濾波器的典型結構如下圖所示,這是一種無源網絡結構,對交流和直流電源都適用,具有雙向抑制性能。將它插入在交流電網中與電源之間,相當于這二者的EMI噪聲之間加上一個阻斷屏障,這樣一個簡單的無源濾波器起到了雙向抑制噪聲的作用,從而在各種電子設備中獲得廣泛的應用。
圖中Cx是差模電容器,一般稱為X電容,電容量宜選為0.01-2.22μF,CY1和CY2是共模電容器,一般稱為Y電容,電容量約為幾納法(nF)到幾十納法。C3和C4的電容量不宜選得過大,否則容易引起濾波器甚至機殼漏電的危險。L為共模扼流圈,它為同向繞在同一個鐵氧體環上的一對線圈,電感量約為幾毫亨(mH)。對于共模干擾電流,兩個線圈產生的磁場是同方向的,共模扼流圈表現出較大的阻抗,從而起到衰減干擾信號的作用;而對于差模信號(在這里是低頻電源電流),兩個線圈產生的磁場抵消,所以不影響電路的電源傳輸功能。
電源濾波器工作原理
電源濾波器常用的濾波電路有無源濾波和有源濾波兩大類。無源濾波的主要形式有電容濾波、電感濾波和復式濾波(包括倒L型、LC濾波、LCπ型濾波和RCπ型濾波等)。有源濾波的主要形式是有源RC濾波,也被稱作電子濾波器。直流電中的脈動成分的大小用脈動系數S來表示,此值越大,則濾波器的濾波效果越差。
脈動系數(S)=輸出電壓交流分量的基波最大值/輸出電壓的直流分量
電源濾波器的原理就是一種阻抗適配網絡:電源濾波器輸入、輸出側與電源和負載側的阻抗適配越大,對電磁干擾的衰減就越有效。
具體工作原理如下:交流電經過二極管整流之后,方向單一了,但是大小(電流強度)還是處在不斷地變化之中。這種脈動直流一般是不能直接用來給無線電裝供電的。要把脈動直流變成波形平滑的直流,還需要再做一番“填平取齊”的工作,這便是濾波。換句話說,濾波的任務,就是把整流器輸出電壓中的波動成分盡可能地減小,改造成接近恒穩的直流電。
電源濾波器結構
交流電源濾波器電路
交流電源濾波器電路圖
圖中的100H電感、0.1F電容組成高頻濾波器,用于吸收從電源線傳導進來的中短波段的高頻噪聲干擾;圖中兩只對稱的5mH電感是由繞在同一只鐵心兩側、匝數相等的電感繞組構成的,稱為共模電感,用于吸收因電源波形畸變而產生的諧波干擾;圖中的壓敏電阻用于吸收因雷擊等引起的浪涌電壓干擾。 交流電源濾波器的內部電路。
電源濾波器中的共模電感
當50Hz電流流經共模電感時,由于進線與出線產生的磁場方向相反,相互抵消,不會產生壓降,但共模電感對共模干擾卻有較大的感抗。

AC輸入整流濾波電路
防雷電路:當有雷擊,產生高壓經電網導入電源時,由MOV1、MOV2、MOV3:F1、F2、F3、FDG1組成的電路進行保護。當加在壓敏電阻兩端的電壓超過其工作電壓時,其阻值降低,使高壓能量消耗在壓敏電阻上,若電流過大,F1、F2、F3會燒毀保護后級電路。
輸入濾波電路:C1、L1、C2、C3組成的雙π型濾波網絡主要是對輸入電源的電磁噪聲及雜波信號進行抑制,防止對電源干擾,同時也防止電源本身產生的高頻雜波對電網干擾。當電源開啟瞬間,要對C5充電,由于瞬間電流大,加RT1(熱敏電阻)就能有效的防止浪涌電流。因瞬時能量全消耗在RT1電阻上,一定時間后溫度升高后RT1阻值減小(RT1是負溫系數元件),這時它消耗的能量非常小,后級電路可正常工作。
整流濾波電路:交流電壓經BRG1整流后,經C5濾波后得到較為純凈的直流電壓。若C5容量變小,輸出的交流紋波將增大。
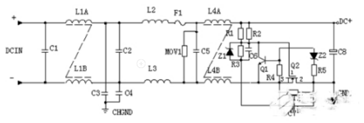
DC輸入濾波電路原理

輸入濾波電路:C1、L1、C2組成的雙π型濾波網絡主要是對輸入電源的電磁噪聲及雜波信號進行抑制,防止對電源干擾,同時也防止電源本身產生的高頻雜波對電網干擾。C3、C4為安規電容,L2、L3為差模電感。R1、R2、R3、Z1、C6、Q1、Z2、R4、R5、Q2、RT1、C7組成抗浪涌電路。在起機的瞬間,由于C6的存在Q2不導通,電流經RT1構成回路。當C6上的電壓充至Z1的穩壓值時Q2導通。如果C8漏電或后級電路短路現象,在起機的瞬間電流在RT1上產生的壓降增大,Q1導通使Q2沒有柵極電壓不導通,RT1將會在很短的時間燒毀,以保護后級電路。
分析電源濾波器電路應注意以下幾點:
(1)分析濾波電容工作原理時,主要利用電容器的“隔直通交”特性,或是充電與放電特性,即整流電路輸出單向脈動性直流電壓時對濾波電容充電,當沒有單向脈動性直流電壓輸出時,濾波電容對負載放電。
(2)分析濾波電感工作原理時,主要是認識電感器對直流電的電阻很小、無感抗作用,而對交流電存在感抗。
(3)進行電子濾波器電路分析時,要知道電子濾波管基極上的電容是濾波的關鍵元件。另外,要進行直流電路的分析,電子濾波管有基極電流和集電極、發射極電流,流過負載的電流是電子濾波管的發射極電流,改變基極電流大小可以調節電子濾波管集電極與發射極之間的管壓降,從而改變電子濾波器輸出的直流電壓大小。
(4)電子濾波器本身沒有穩壓功能,但加入穩壓二極管之后可以使輸出的直流電壓比較穩定。
壹芯微科技專注于“二,三極管、MOS(場效應管)、橋堆”研發、生產與銷售,20年行業經驗,擁有先進全自動化雙軌封裝生產線、高速檢測設備等,研發技術、芯片源自臺灣,專業生產流程管理及工程團隊,保障所生產每一批物料質量穩定和更長久的使用壽命,實現高度自動化生產,大幅降低人工成本,促進更好的性價比優勢!選擇壹芯微,還可為客戶提供參數選型替代,送樣測試,技術支持,售后服務等,如需了解更多詳情或最新報價,歡迎咨詢官網在線客服!
手機號/微信:13534146615
QQ:2881579535
工廠地址:安徽省六安市金寨產業園區
深圳辦事處地址:深圳市福田區寶華大廈A1428
中山辦事處地址:中山市古鎮長安燈飾配件城C棟11卡
杭州辦事處:杭州市西湖區文三西路118號杭州電子商務大廈6層B座
電話:13534146615
企業QQ:2881579535

深圳市壹芯微科技有限公司 版權所有 | 備案號:粵ICP備2020121154號