來源:壹芯微 發布日期
2023-07-20 瀏覽:-IGBT及場效應管隔離驅動的電路介紹
IGBT及MOSFET隔離驅動為可靠驅動絕緣柵器件,目前已有很多成熟電路。當驅動信號與功率器件不需要隔離時,驅動電路的設計是比較簡單的。
1、光電耦合器隔離的驅動器
光電耦合器的優點是體積小巧,缺點是:A、反應較慢,因而具有較大的延遲時間(高速型光耦一般也大于300ns);B、光電耦合器的輸出級需要隔離的輔助電源供電。
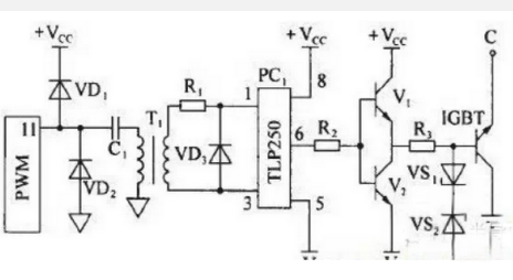
2、 無源變壓器驅動
用脈沖變壓器隔離驅動絕緣柵功率器件有三種方法:無源、有源和自給電源驅動。無源方法就是用變壓器次級的輸出直流驅動絕緣柵器件,這種方法很簡單也不需要單獨的驅動電源。缺點是輸出波型失真較大,因為絕緣柵功率器件的柵源電容Cgs一般較大。減小失真的辦法是將初級的輸入信號改為具有一定功率的大信號,相應脈沖變壓器也應取較大體積,但在大功率下,一般仍不令人滿意。另一缺點是當占空比變化較大時,輸出驅動脈沖的正負幅值變化太大,可能導致工作不正常,因此只適用于占空比變化不大的場合。
3、有源變壓器驅動
有源方法中的變壓器只提供隔離的信號,在次級另有整形放大電路來驅動絕緣柵功率器件,當然驅動波形較好,但是需要另外提供單獨的輔助電源供給放大器。而輔助電源如果處理不當,可能會引進寄生的干擾。
4、調制型自給電源的變壓器隔離驅動器
采用自給電源技術,只用一個變壓器,既省卻了輔助電源,又能得到較快的速度,當然是不錯的方法。目前自給電源的產生有調制和從分時兩種方法。
調制技術是比較經典的方法,即對PWM驅動信號進行高頻(幾個MHZ以上)調制,并將調制信號加在隔離脈沖變壓器初級,在次級通過直接整流得到自給電源,而原PWM調制信號則需經過解調取得,顯然,這種方法并不簡單。調制式的另一缺點是PWM的解調要增加信號的延時,調制方式適于傳遞較低頻率的PWM信號。
5、分時型自給電源的變壓器隔離驅動器
分時技術是一種較新的技術,其原理是,將信號和能量的傳送采取分別進行的方法,即在變壓器輸入PWM信號的上升和下降沿傳遞信息,在輸入信號的平頂階段傳遞驅動所需要的能量。由于在PWM信號的上升和下降沿只傳遞信號,基本沒有能量傳輸,因而輸出的PWM脈沖的延時和畸變都很小,能獲得陡峭的驅動輸出脈沖。分時型自給電源驅動器的不足是用于低頻時變壓器的體積較大,此外由于自給能量的限制,驅動超過300A/1200V的IGBT比較困難。
壹芯微科技專注于“二,三極管、MOS(場效應管)、橋堆”研發、生產與銷售,21年行業經驗,擁有先進全自動化雙軌封裝生產線、高速檢測設備等,研發技術、芯片源自臺灣,專業生產流程管理及工程團隊,保障所生產每一批物料質量穩定和更長久的使用壽命,實現高度自動化生產,大幅降低人工成本,促進更好的性價比優勢!選擇壹芯微,還可為客戶提供參數選型替代,送樣測試,技術支持,售后服務等,如需了解更多詳情或最新報價,歡迎咨詢官網在線客服!
手機號/微信:13534146615
QQ:2881579535
工廠地址:安徽省六安市金寨產業園區
深圳辦事處地址:深圳市福田區寶華大廈A1428
中山辦事處地址:中山市古鎮長安燈飾配件城C棟11卡
杭州辦事處:杭州市西湖區文三西路118號杭州電子商務大廈6層B座
電話:13534146615
企業QQ:2881579535

深圳市壹芯微科技有限公司 版權所有 | 備案號:粵ICP備2020121154號