來源:壹芯微 發布日期
2019-11-23 瀏覽:-功率MOSFET并聯時產生寄生振蕩的原因與解決方案
功率MOS管即功率MOSFET,具有熱漂移小,驅動電路簡單,驅動功率小,開關速度快,工作頻率高等優點。憑借出色的熱穩定性,將多個功率MOSFET并聯的方法可行而簡單,這對提高輸出電流非常有意義。
事實上,MOSFET工作于高頻率開關狀態,任何電氣特性差異和電路雜散電感均可導致瞬時電壓峰值,以及并聯MOSFET之間的電流分配不平衡。這是非常有害的,因為電流不平衡可能導致功率損耗過大并損壞器件。

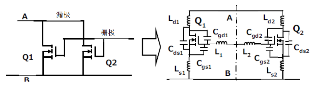
并聯MOSFET(左)及寄生振蕩狀態的等效電路(右)
并聯連接時,最重要的是避免電流集中(包括在開關轉換期間),并確保在所有可能的負載條件下,流向所有MOSFET的電流保持平衡且均勻。應特別注意以下方面:
(1) 因器件特性不匹配(并聯運行)導致的電流不平衡。
(2) 寄生振蕩(并聯運行)。
1. 器件不匹配導致的電流不平衡
(1) 穩態運行中的電流不平衡
在非開關期間,按照與并聯MOSFET的導通電阻成反比的方式為其分配電流。導通電阻最低的MOSFET將承載最高的電流。導通電阻的正溫度系數通常會為電流不平衡提供補償,使通過各個 MOSFET的電流相等。
因此,認為并聯MOSFET在穩態情況下很少出現熱擊穿。MOSFET體二極管中壓降的溫度系數非正值。因此,并聯MOSFET在其體二極管處于導通時,可能使穩態電流的分配出現大幅不平衡現象。但事實上,MOSFET的體二極管在通過電流時,MOSFET的溫度升高。所以,當其導通電阻增大時,其流過的電流就會減小。因此,穩態電流中的不平衡很少會造成問題。
(2)開關轉換期間的電流不平衡
一般來說,開通和關斷開關轉換期間會出現電流不平衡現象。這是由于并聯功率MOSFET之間的開關時間差異所致。開關時間的差異很大程度上取決于柵源閾值電壓Vth的值。即Vth值越小,開通時間越快;Vth值越大,關斷時間越快。因此,當電流集中在Vth較小的MOSFET中時,開通和關斷期間都會發生電流不平衡現象。這種電流不平衡會對器件施加過高的負載,并引發故障。并聯連接時,為了減少瞬態開關期間的開關時間差異,最好使用Vth接近的功率MOSFET。對于跨導gm較高的MOSFET,開關時間也會更快。
此外,如果并聯MOSFET在其互連線路中的雜散電感不同,電路接線布局也是開關轉換期間引發電流不平衡的一個原因。尤其是源極電感會影響柵極驅動電壓。最好使并聯MOSFET之間的互連線路長度相等。
2. 并聯運行的寄生振蕩
(1)因漏源電壓振蕩導致的柵極電壓振蕩
開關期間MOSFET的漏極端子和源極端子中會發生浪涌電壓VSurge,主要是因為關斷期間的di/dt和漏極端子及引線中的雜散電感(Ld)。如果VSurge導致的振蕩電壓通過MOSFET漏柵電容Cgd傳輸到柵極,就會與柵極線路的雜散電感L形成諧振電路。
高電流、高速MOSFET的內部柵極電阻極小。在無外部柵極電阻器的情況下,該諧振電路的品質因數會很大。如果發生諧振,諧振電路會在MOSFET的柵極端子和源極端子中產生很大的振蕩電壓,導致發生寄生振蕩。
除非并聯MOSFET的瞬態開關電流在關斷期間平衡良好,否則電流會不均勻地分配到之后關斷的MOSFET。該電流在漏極端子和源極端子中產生很大的電壓浪涌(振蕩),而電壓浪涌又傳遞到柵極,導致柵極端子和源極端子中產生振蕩電壓。如振蕩電壓過大,會導致發生柵源過電壓故障、開通故障或振蕩故障。
當最快的MOSFET關斷時,其漏極電壓上升。漏極電壓的上升通過柵漏電容Cgd傳遞到另一個MOSFET的柵極端子,導致MOSFET發生意外運轉,造成寄生振蕩。
此外,并聯MOSFET共用一個低阻抗路徑,因此也很容易發生寄生振蕩。
(2)并聯MOSFET的寄生振蕩
一般來說,并聯MOSFET比單個MOSFET更易發生寄生振蕩。這是由于漏極線路、源極線路、柵極線路、接合線和其它線路中的雜散電感,以及MOSFET的結電容導致的。
不過,寄生振蕩的發生與漏源負載、續流二極管、電源、共用柵極電阻器和柵極驅動電路無關。換句話說,可忽略續流二極管和串聯電阻器(如電容器的等效串聯電阻器)的導通電阻。因此,并聯MOSFET形成了具有高品質因數的諧振電路,由于具有高增益的反饋環路,該諧振電路極易發生振蕩。
3. MOSFET寄生振蕩的預防
并聯MOSFET的諧振電路由寄生電感和寄生電容組成(取決于其頻率)。
要避免發生寄生振蕩,首先選擇MOSFET時要求Cds/Cgs比值較低,gm值較小,這樣就不容易發生振蕩。

為每個MOSFET插入一個柵極電阻器可減小諧振
除了器件本身屬性,也可以使用外部電路來防止發生寄生振蕩,這里有兩種方法:
(1)為每個MOSFET的柵極插入一個柵極電阻器R1或一個鐵氧體磁珠,這樣可減小諧振電路的品質因數,從而減小正反饋環路的增益。實驗證實,為并聯的每個MOSFET插入串聯柵極電阻器可以有效防止發生寄生振蕩。
(2)在MOSFET的柵極和源極之間添加一個陶瓷電容器。

在MOSFET柵極和源極之間添加陶瓷電容器能預防寄生振蕩
上述方法中,gm值較小的MOSFET價格會稍高,其他兩種方法可由用戶自行優化。不過,柵極電阻器會影響MOSFET的開關速度,電阻值會導致開關損耗增大;在柵極和源極之間添加電容器時應小心,電容器種類和容值選擇不當會產生反作用。
壹芯微科技針對二三極管,MOS管作出了良好的性能測試,應用各大領域,如果您有遇到什么需要幫助解決的,可以點擊右邊的工程師,或者點擊銷售經理給您精準的報價以及產品介紹
工廠地址:安徽省六安市金寨產業園區
深圳辦事處地址:深圳市福田區寶華大廈A1428
中山辦事處地址:中山市古鎮長安燈飾配件城C棟11卡
杭州辦事處:杭州市西湖區文三西路118號杭州電子商務大廈6層B座
電話:13534146615
企業QQ:2881579535

深圳市壹芯微科技有限公司 版權所有 | 備案號:粵ICP備2020121154號