來源:壹芯微 發布日期
2021-12-25 瀏覽:-二極管整流電路工作原理圖解析
二極管最流行的應用是整流。簡單定義,整流是將交流電(AC)轉換為直流電(DC)。這涉及一種僅允許電荷單向流動的裝置,最簡單的整流電路是半波整流器,它只允許交流波形的一半通過到負載。整流電路的作用是將交流降壓電路輸出的電壓較低的交流電轉換成單向脈動性直流電,這就是交流電的整流過程,整流電路主要由整流二極管組成。經過整流電路之后的電壓已經不是交流電壓,而是一種含有直流電壓和交流電壓的混合電壓。習慣上稱單向脈動性直流電壓。下面小編為大家介紹幾種由二極管組成的整流電路:
1.半波整流電路
半波整流電路見圖1。其中B1是電源變壓器,D1是整流二極管,R1是負載。B1次級是一個方向和大小隨時間變化的正弦波電壓,波形如圖2(a)所示。0~π期間是這個電壓的正半周,這時B1次級上端為正下端為負,二極管D1正向導通,電源電壓加到負載R1上,負載R1中有電流通過;π~2π期間是這個電壓的負半周,這時B1次級上端為負下端為正,二極管D1反向截止,沒有電壓加到負載R1上,負載R1中沒有電流通過。在2π~3π、3π~4π等后續周期中重復上述過程,這樣電源負半周的波形被“削”掉,得到一個單一方向的電壓,波形如圖2(b)所示。由于這樣得到的電壓波形大小還是隨時間變化,被稱為脈動直流。

圖1半波整流電路圖

圖2半波整流波形圖
設B1次級電壓為E,理想狀態下負載R1兩端的電壓可用下面的公式求出:

整流二極管D1承受的反向峰值電壓為:

由于半波整流電路只利用電源的正半周,電源的利用效率非常低,所以半波整流電路僅在高電壓、小電流等少數情況下使用,一般電源電路中很少使用。
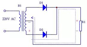
2.全波整流電路
由于半波整流電路的效率較低,于是人們很自然的想到將電源的負半周也利用起來,這樣就有了全波整流電路。全波整流電路圖見圖3。相對半波整流電路,全波整流電路多用了一個整流二極管D2,變壓器B1的次級也增加了一個中心抽頭。這個電路實質上是將兩個半波整流電路組合到一起。在0~π期間B1次級上端為正下端為負,D1正向導通,電源電壓加到R1上,R1兩端的電壓上端為正下端為負,其波形如圖4(b)所示,其電流流向如圖5所示;在π~2π期間B1次級上端為負下端為正,D2正向導通,電源電壓加到R1上,R1兩端的電壓還是上端為正下端為負,其波形如圖4(c)所示,其電流流向如圖6所示。在2π~3π、3π~4π等后續周期中重復上述過程,這樣電源正負兩個半周的電壓經過D1、D2整流后分別加到R1兩端,R1上得到的電壓總是上正下負,其波形如圖4(d)所示。

圖3全波整流電路圖

圖4全波整流波形圖

圖5全波整流電路原理分析1

圖6全波整流電路原理分析2
設B1次級電壓為E,理想狀態下負載R1兩端的電壓可用下面的公式求出:

整流二極管D1和D2承受的反向峰值電壓為:

全波整流電路每個整流二極管上流過的電流只是負載電流的一半,比半波整流小一倍。
3.橋式整流電路
由于全波整流電路需要特制的變壓器,制作起來比較麻煩,于是出現了一種橋式整流電路。這種整流電路使用普通的變壓器,但是比全波整流多用了兩個整流二極管。由于四個整流二極管連接成電橋形式,所以稱這種整流電路為橋式整流電路,如圖7所示。

圖7橋式整流電路圖
由圖8可以看出在電源正半周時,B1次級上端為正,下端為負,整流二極管D4和D2導通,電流由變壓器B1次級上端經過D4、R1、D2回到變壓器B1次級下端;由圖9可以看出在電源負半周時,B1次級下端為正,上端為負,整流二極管D1和D3導通,電流由變壓器B1次級下端經過D1、R1、D3回到變壓器B1次級上端。R1兩端的電壓始終是上正下負,其波形與全波整流時一致。

圖8橋式整流原理原理分析1

圖9橋式整流原理原理分析2
設B1次級電壓為E,理想狀態下負載R1兩端的電壓可用下面的公式求出:

整流二極管D1和D2承受的反向峰值電壓為:

橋式整流電路每個整流二極管上流過的電流是負載電流的一半,與全波整流相同。
通常情況下橋式整流電路都簡化成圖10的形式。

圖10橋式整流簡化形成電路圖
4.整流二極管選用
(1)選用整流二極管時,主要應考慮其最大整流電流、最大反向工作電流、截止頻率及反向恢復時間等參數。
(2)普通串聯穩壓電源電路中使用的整流二極管,對截止頻率的反向恢復時間要求不高,只要根據電路的要求選擇最大整流電流和最大反向工作電流符合要求的整流二極管即可。例如,1N系列、2CZ系列、RLR系列等。
(3)開關穩壓電源的整流電路及脈沖整流電路中使用的整流二極管,應選用工作頻率較高、反向恢復時間較短的整流二極管(例如RU系列、EU系列、V系列、1SR系列等)或選擇快恢復二極管。
5.關于二極管整流電路的常見問題
5.1什么是二極管整流電路?
二極管整流電路是電子設備中使用的關鍵電路之一。它們可用于開關模式電源和線性電源、RF信號解調、RF功率感測等等。
5.2整流電路中二極管的作用是什么?
二極管的特性是根據施加電壓的方向,電流流動(正向)或電流不流動(反向)。這用于將交流(AC)電壓轉換為直流(DC)。
5.3二極管整流器的工作原理是什么?
整流器是一種通過使用一個或多個接觸二極管將交流電(AC)轉換為直流電(DC)的設備。二極管只允許一個方向的電流,二極管的這種獨特特性使其可以通過將交流電轉換為直流電源來充當整流器。
5.4二極管是整流器嗎?
整流器是一種特殊類型的二極管,可將交流電(AC)轉換為直流電(DC)。這是一個重要的過程,因為交流電能夠周期性地反轉方向,而直流電始終以單一方向流動,因此易于控制。
5.5二極管整流器的局限性是什么?
這種整流器很難找到次級繞組上的中心抽頭。直流輸出很小,因為使用每個二極管只利用了變壓器次級電壓的一半。當需要小電壓整流時,不適合采用全波整流電路。
5.6二極管整流電路的目的是什么?
整流二極管的目的是在電源中用于將交流電(AC)轉換為直流電(DC),這一過程稱為整流。它們還用于需要大電流通過二極管的電路中的其他地方。
以上就是二極管整流電路工作原理圖的介紹了。在此特別指出的是,二極管作為整流元件,要根據不同的整流方式和負載大小加以選擇。如選擇不當,則或者不能安全工作,甚至燒了管子;或者大材小用,造成浪費。另外,在高電壓或大電流的情況下,如果手上沒有承受高電壓或整定大電濾的整流元件,可以把二極管串聯或并聯起來使用。
〔壹芯微〕國內功率半導體制造廠商,主營各類貼片與直插,二極管、三極管、MOS(場效應管)、可控硅、三端穩壓管、整流橋,IC(集成電路);參數達標,質量保障,工廠直銷(價省20%),免費送樣,選型替代,技術支持,專業售后,如需了解產品詳情或最新報價,歡迎咨詢官網在線客服。
手機號/微信:13534146615
QQ:2881579535(點擊可咨詢)
工廠地址:安徽省六安市金寨產業園區
深圳辦事處地址:深圳市福田區寶華大廈A1428
中山辦事處地址:中山市古鎮長安燈飾配件城C棟11卡
杭州辦事處:杭州市西湖區文三西路118號杭州電子商務大廈6層B座
電話:13534146615
企業QQ:2881579535

深圳市壹芯微科技有限公司 版權所有 | 備案號:粵ICP備2020121154號