來源:壹芯微 發布日期
2019-06-18 瀏覽:-壹芯微作為國內專業生產二三極管的生產廠家,生產技術已經是非常的成熟,進口的測試儀器,可以很好的幫組到客戶朋友穩定好品質,也有專業的工程師在把控穩定質量,協助客戶朋友解決一直客戶自身解決不了的問題,每天會分享一些知識或者客戶的一些問題,今天我們分享的是,電源mos管驅動電路如何選型,請看下方
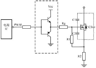
1、電源IC直接驅動MOSFET

圖 1 IC直接驅動MOSFET
電源IC直接驅動是我們最常用的驅動方式,同時也是最簡單的驅動方式,使用這種驅動方式,應該注意幾個參數以及這些參數的影響。第一,查看一下電源IC手冊,其最大驅動峰值電流,因為不同芯片,驅動能力很多時候是不一樣的。第二,了解一下MOSFET的寄生電容,如圖1中C1、C2的值。如果C1、C2的值比較大,MOS管導通的需要的能量就比較大,如果電源IC沒有比較大的驅動峰值電流,那么管子導通的速度就比較慢。如果驅動能力不足,上升沿可能出現高頻振蕩,即使把圖 1中Rg減小,也不能解決問題! IC驅動能力、MOS寄生電容大小、MOS管開關速度等因素,都影響驅動電阻阻值的選擇,所以Rg并不能無限減小。
2、電源IC驅動能力不足時
如果選擇MOS管寄生電容比較大,電源IC內部的驅動能力又不足時,需要在驅動電路上增強驅動能力,常使用圖騰柱電路增加電源IC驅動能力,其電路如圖 2虛線框所示。

圖 2 圖騰柱驅動MOS
這種驅動電路作用在于,提升電流提供能力,迅速完成對于柵極輸入電容電荷的充電過程。這種拓撲增加了導通所需要的時間,但是減少了關斷時間,開關管能快速開通且避免上升沿的高頻振蕩。
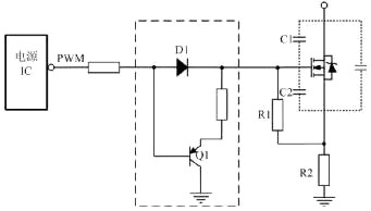
3、驅動電路加速MOS管關斷時間

圖 3 加速MOS關斷
關斷瞬間驅動電路能提供一個盡可能低阻抗的通路供MOSFET柵源極間電容電壓快速泄放,保證開關管能快速關斷。為使柵源極間電容電壓的快速泄放,常在驅動電阻上并聯一個電阻和一個二極管,如圖3所示,其中D1常用的是快恢復二極管。這使關斷時間減小,同時減小關斷時的損耗。Rg2是防止關斷的時電流過大,把電源IC給燒掉。

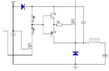
圖 4 改進型加速MOS關斷
在第二點介紹的圖騰柱電路也有加快關斷作用。當電源IC的驅動能力足夠時,對圖2中電路改進可以加速MOS管關斷時間,得到如圖4所示電路。用三極管來泄放柵源極間電容電壓是比較常見的。如果Q1的發射極沒有電阻,當PNP三極管導通時,柵源極間電容短接,達到最短時間內把電荷放完,最大限度減小關斷時的交叉損耗。與圖3拓撲相比較,還有一個好處,就是柵源極間電容上的電荷泄放時電流不經過電源IC,提高了可靠性。
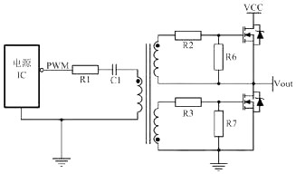
4、驅動電路加速MOS管關斷時間

圖 5 隔離驅動
為了滿足如圖 5所示高端MOS管的驅動,經常會采用變壓器驅動,有時為了滿足安全隔離也使用變壓器驅動。其中R1目的是抑制PCB板上寄生的電感與C1形成LC振蕩,C1的目的是隔開直流,通過交流,同時也能防止磁芯飽和。
5、當源極輸出為高電壓時的驅動
當源極輸出為高電壓的情況時,我們需要采用偏置電路達到電路工作的目的,既我們以源極為參考點,搭建偏置電路,驅動電壓在兩個電壓之間波動,驅動電壓偏差由低電壓提供,如下圖6所示。

圖6 源極輸出為高電壓時的驅動電路
除了以上驅動電路之外,還有很多其它形式的驅動電路。對于各種各樣的驅動電路并沒有一種驅動電路是最好的,只有結合具體應用,選擇最合適的驅動。
下面介紹一些關于開關電源經典回答。
1)開關電源變壓器如果用銅帶取代漆包線,其允許通過的電流怎么算?比如說厚度為0.1mm的銅帶,允許通過的電流怎么算?
專家解答:如果開關電源變壓器用銅帶取代漆包線,銅帶(漆包線)的渦流損耗可以大大將小,工作頻率可以相應提高,但直流損耗幾乎不變,銅帶允許通過的電流密度一般還是不要超過4.5A/平方毫米。電流密度等于電流除與以導體的截面積,導體的截面積等于厚(0.1mm)乘以寬(銅帶的寬度)。
2)電源開關交流回路和整流器的交流回路是最容易產生電磁干擾的嗎?
專家解答:開關電源產生電磁干擾最嚴重的地方是開關變壓器的初、次級線圈組成的電路,但它的干擾會通過感應對其它電路產生輻射和傳導干擾,傳導干擾和輻射干擾最嚴重的地方是電源線,因為電源線很容易成為輻射源的半波振子天線,另外它又與外線路進行連接,很容易把干擾信號傳輸給其它設備。所以在開關電源的輸入端一定要對電源線進行有效隔離。
3)降低變壓器的溫升有什么具體方法?
專家解答:降低變壓溫升的方法一個是降低變壓器磁芯的最大磁通增量(Bm)的取值,因為變壓器磁芯的損耗(磁滯損耗和渦流損耗)與磁通密度的平方成正比;另一個是降低開關電源的工作頻率,因為變壓器磁芯的損耗(磁滯損耗和渦流損耗)與工作頻率成正比;再一個是降低線圈的損耗,線圈的損耗(主要是渦流損耗),線圈的渦流損耗與集膚效應損耗也與工作頻率成正比,降低線圈的直流損耗必須降低導線的電流密度,一般漆包線的電流密度不能超過4.5A/平方毫米。
4)反激式開關電源的占空比是如何變化的?
專家解答:反激式開關電源的占空比主要由輸入電壓和開關電源管的耐壓來決定,當輸入電壓變化時占空比也要跟著變化。例如當輸入電壓為AC260V時,如果電源開關管的耐壓為650V,則占空比大為0.306;當輸入電壓為AC170V時,占空比大約為0.5;當輸入電壓低于AC170V時,占空比大于0.5。但不管輸入電壓這樣變化,開關電源都會通過改變占空比來大到穩定(或改變)輸出電壓的數值。
5)正激和反激的區別主要在哪?
專家解答:正激式開關電源是電源開關管導通的時候,電源向負責提供功率輸出,而關斷的時候沒有功率輸出。反激式開關電源正好相反,電源開關管導通時只向變壓器存儲能量,沒有給負載提供功率輸出,僅在電源開關管關斷時才向負載提供輸出。正激式開關電源輸出電壓是取整流輸出電壓的平均值,反激式開關電源輸出電壓是取整流輸出電壓的半波平均值,兩種電壓輸出的相位正好相反。
6)能具體講講環路設計嗎?
專家解答:反饋環路的增益,既不是越大越好,也不是越小越好。當反饋環路的增益過高時,輸出電壓會圍繞著平均值來回跟蹤,輸出電壓上下波動很厲害,增益越高,波動的幅度就越大,嚴重時會出現振蕩;當反饋環路的增益過低時,輸出電壓又會不穩定,因為電壓跟蹤不到位,會存在一個滯后誤差。
為了使輸出電壓穩定,但又不發生振蕩,一般都把反饋環路分成三個回路來組成,一個回路用來決定微分增益的大小,另一個回路用來決定積分增益的大小,還有一個是決定直流增益的大小。這樣做的目的是,在誤差信號很小的時候,環路增益很大,而在誤差小號很大的時候環路增益又會變小,即誤差放大器的增益是動態的。仔細調節這三個反饋環路的增益,就可以實現開關電源既穩定,又不出現振蕩。
7)反激電源開關MOS如何降到最低?特別是在硬開關條件下。
專家解答:降低占空比,但占空比太低,電源的工作效率大大降低,電壓調整范圍也會減小。
8)銅箔損耗占電源損耗比例約為多少?
專家解答:非常小,如果銅箔損耗大,銅箔的溫升會很高,如果超過80度,銅箔的油漆會發黃。但也只相當于一個1~3瓦左右的金屬膜電阻在同樣溫升時的損耗。
9)驅動波形大小波問題是什么原因引起的??我有款電源,在低壓AC85-120V的時候輸出驅動都很正常,,當電壓變為120-150V的時候,驅動出現大小波,輸出電流明顯下降。當電壓再次提升到150V-265V的時候,驅動波形的頻率完全不對頭了,輸出也不對了。
專家解答:如果你的驅動電路采用電容或變壓器輸出,會出現這種情況,因為電容或變壓器傳輸波形(信號時),信號中不能含有直流分量,如果含有直流分量,輸出波形將出現嚴重失真,只有驅動電路的輸出波形,其占空比為0.5時,輸出波形才不會產生失真,而占空比過大或過小,都會出現失真。
10)想問下關于整流橋的選擇,不同的功率選怎么樣的整流橋?還有就是我做了一款30W的電源,用了3A700V的整流橋,發現整流橋很燙,沒幾分鐘溫度就大約有60多度了。這個引起整流橋發燙的原因有哪些?
專家解答:整流二極管的選擇主要是根據流過整流二極管的電流大小和耐壓還有工作頻率這三個參數來決定,進行電路參數設計時,流過整流二極管的電流一般只能取標稱值(25℃時)的三分之一,因為流過整流二極管的工作溫度可能會上升到80℃以上。如果整流二極管的導通和關斷速度很低,它在電壓反向的情況下還會導通一段時間,即反向電流非常大,這樣整流二極管也會發熱。你的整流橋發熱可能屬于后一種情況。
11)反饋環路設計 以及 補償 如何入手?還望老師耐心解答。
專家解答:反饋環路的增益,既不是越大越好,也不是越小越好。當反饋環路的增益過高時,輸出電壓會圍繞著平均值上下波動,增益越高,波動的幅度就越大,嚴重時會出現振蕩;當反饋環路的增益過低時,輸出電壓又會不穩定。為了使輸出電壓穩定,但又不發生振蕩,一般都把反饋環路分成三個回路來組成,一個回路用來決定微分增益的大小,另一個回路用來決定積分增益的大小,還有一個是決定直流增益的大小。仔細調節這三個反饋環路的增益,就可以實現開關電源既穩定,又不出現振蕩。
12)最近在做DC TO DC效率有點低,怎樣解決呢?
專家解答:把工作頻率降低,或把電源開關管換成一個高速開關管,另外還可以把變壓器的體積加大,把最大磁通密度(Bm)的取值降低,即把開關變壓器初級線圈的匝數增加,因為開關變壓器的磁滯損耗和渦流損耗與工作頻率成正比,與最大磁通密度增量的平方成正比。
13)老師您好,您是怎么計算最小直流電壓的?我看了好幾個版本一直找不到最合適的。
專家解答:這里我不太明白你說的“最小直流電壓”是指哪方面?如果是開關電源的最小輸入直流電壓,一般可根據最低輸入交流電壓換算得來,比如,最低輸入交流電壓為AC100V(有效值),則換算為最低直流輸入電壓大約為120V(取平均值),因為整流濾波后最大值為140V,最低值為100V,取平均值就是120V。
如果最小直流電壓為晶體管自激式開關電源的正反饋電壓,則此電壓最好選為晶管導通時工作電壓的2倍,而留1倍作為可調整的余量用。如果最小直流電壓為場效應管驅動電路的最小工作電壓,則此工作電壓最低不能小于16V,因為,大功率場效應管深度飽和需要的驅動電壓都在12V以上(最好為20V)。
14)老師您好,我做的反激式變壓器電源輸出側有毛刺,且毛刺的頻率和原邊開關頻率一樣,怎么消除毛刺呢?
專家解答:在次級整流與濾波電容之間串了一個小電感,但電感流過直流時不能飽和,這種電感的磁回路不能用封閉式的,必須要留有很大的氣隙。
15)反激式電源開關頻率如何優化選擇? VOR反激電壓如何優化設置,在什么情況下最合適?謝謝!匝比如何 最優化計算?謝謝。
專家解答:反激式開關電源工作頻率的選擇主要與開關電源的工作效率和體積大小有關,而開關電源的工作效率又主要與開關電源管、開關變壓器的損耗(磁滯損耗和渦流損耗)有關,這兩者的損耗均與頻率成正比。開關電源管的損耗主要由開通損耗(導通時間損耗)和關斷損耗(關斷時間損耗)組成,開關電源管的導通時間和關斷時間越長,這兩個損耗就越大。
一般大功率開關電源管的導通時間和關斷時間都比小功率開關電源管的導通時間和關斷時間長很多,所以大功率開關電源的工作頻率一般都取得比較低。
在考慮開關電源的工作效率時,如果從開關電源的體積和成本等方面考慮,最好選工作效率為80%左右較為合適,此時,開關電源管的損耗大約占總損耗的50%,開關變壓器的損耗大約占總損耗的30%,其余電路的損耗大約占總損耗的20%。開關變壓器的匝數比與輸入輸出電壓的比值有關,與開關電源的占空比有關。
壹芯微科技針對二三極管作出了良好的性能測試,應用各大領域,如果您有遇到什么需要幫助解決的,可以點擊右邊的工程師,或者點擊銷售經理給您精準的報價以及產品介紹
工廠地址:安徽省六安市金寨產業園區
深圳辦事處地址:深圳市福田區寶華大廈A1428
中山辦事處地址:中山市古鎮長安燈飾配件城C棟11卡
杭州辦事處:杭州市西湖區文三西路118號杭州電子商務大廈6層B座
電話:13534146615
企業QQ:2881579535

深圳市壹芯微科技有限公司 版權所有 | 備案號:粵ICP備2020121154號