來源:壹芯微 發布日期
2023-05-31 瀏覽:-調試升壓轉換器遇到問題怎么分析
1.前言
解決轉換器無法啟動、輸出電壓不穩定等問題的最有效方法是進行一些基本調試。基本調試可以排除一些明顯的問題,如裝配故障或錯誤的組件,調試數據可以幫助 我們快速找到根本原因。在這篇文章中,我們將討論調試升壓轉換器的技巧。
2.檢查另一個板子的問題
如果我們發現一個升壓轉換器板出現問題,我們的第一個行動應該是確認另一塊板的行為。如果只有一塊板出現異常,則問題可能是由于焊接不良或IC損壞引起的。
焊接 IC 或其外部組件時可能會發生焊接問題。焊接不良有兩種。如果相鄰引腳短接在一起,則會發生一種情況;如果引腳及其焊盤焊接不好,則會發生另一種情況。測量相鄰引腳之間的電阻排除前一個問題,測量內部二極管排除后一個問題。
圖 1 顯示了 IC 中 GND 引腳和其他引腳之間的內部二極管。我們可以使用萬用表測試該二極管并檢查是否存在焊接問題。如果焊接良好,萬用表將顯示大約 0.7V。對于一些特殊的管腳,可能串聯兩個二極管而不是一個。在這些情況下,萬用表將顯示 1.4V。
圖 1:VIN 和 GND 引腳之間的二極管
我們可以通過在斷電期間測量 GND 引腳和任何其他引腳之間的電阻來檢查 IC 損壞情況。如果電阻遠低于普通 IC,則連接到引腳的電路(內部或外部)可能會損壞。損壞主要是由電壓過應力引起的,這可能是由于錯誤處理、不良印刷電路板 (PCB) 布局或來自外部來源的超出 IC 規格的高壓導致的靜電放電 (ESD)。
3.檢查原理圖和元件選擇
再次仔細檢查原理圖,看看外部組件是否在數據表建議范圍內。電感器和輸出電容器是升壓轉換器的關鍵部件。電感和電容應在數據表中推薦的值范圍內。我們可以在數據表的“推薦工作條件”、“電感器選擇”和“電容器選擇”部分找到建議。圖 2 顯示了 TPS61253 的推薦工作條件。建議的有效電容范圍為 3.5µF 至 50µF。建議的電感為 0.7µH 至 2.9µH。
圖 2:TPS61253 的推薦工作條件
陶瓷電容器的有效電容與其直流偏置電壓有關。例如,10μF/0603 電容器(例如 Murata 的 GRM188R60J106ME47)的有效電容在 5V 偏置電壓條件下僅為 3μF。在任何情況下,流經電感的電流都應低于飽和電流。否則,電感可能會降低到推薦范圍以下,這可能會導致意外問題。
4.檢查布局
糟糕的 PCB 布局會導致許多問題:IC 損壞、高輸出紋波、低輸出電流能力等等。損壞主要是由 SW 引腳處的高壓尖峰引起的,它使 IC 的內部功率 MOSFET 承受過大的壓力。
輸出電容是 PCB 布局中最關鍵的元件。如果發現有問題,輸出電容的走線不好,嘗試在IC附近放置一個1μF的陶瓷電容,并用最小環路連接。如果此方法解決了我們的問題,我們就會知道根本原因。
5.檢查工作波形
在尋找升壓轉換器問題的根本原因時,轉換器的工作波形非常有用。其中 VIN 引腳、SW 引腳、VOUT 引腳和電感電流的波形最為重要。圖 3 顯示了一種測量電感器電流的方法:插入與電感器串聯的導線,并使用電流探頭測量流過導線的電流。
圖 3:測量電感電流
如果可能,測量同一張圖片中的四個波形。圖 4 顯示了 TPS61258 在輕負載和重負載條件下的波形。波形中CH1、CH2、CH3、CH4分別為VOUT、SW、VIN、ICOIL(電感電流)。CH1 設置為具有 5V 直流偏移的直流耦合。因此,我們可以輕松檢查TPS61258輸出電壓的直流電壓和交流紋波。
在輕負載條件下,TPS61258以省電模式運行,在此期間,器件會切換多個周期并停止一段時間。在重負載下,TPS61258保持以 3.5MHz 頻率切換。
在器件開關期間,ICOIL 在開關約為 0V 時線性增加,在開關約為 5V 時線性減小。

圖 4:TPS61258(CH1 VOUT、CH2 SW、CH3 VIN、CH4 ICOIL)在輕負載、省電模式下的工作波形 (a);和重載 (b)
一個設備的工作波形如果與圖4中的波形不相似,則可能會異常工作。 我們可以從波形中確定問題的根本原因,例如限流觸發、設備不穩定、VIN超出規范等。
6.更多建議
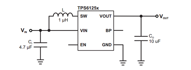
一個簡單的轉換器可以幫助從一開始就避免許多問題。TPS61xxx 系列升壓轉換器是高度集成、易于使用的設備。固定輸出電壓轉換器(例如TPS61253)僅需要三個外部電源組件:輸入電容器、電感器和功率電感器,如圖 5 所示。只需遵循數據表中的組件選擇和 PCB 布局建議。我們可以輕松實現所需的升壓轉換器。
圖 5:TPS61253升壓轉換器原理圖
壹芯微科技專注于“二,三極管、MOS(場效應管)、橋堆”研發、生產與銷售,20年行業經驗,擁有先進全自動化雙軌封裝生產線、高速檢測設備等,研發技術、芯片源自臺灣,專業生產流程管理及工程團隊,保障所生產每一批物料質量穩定和更長久的使用壽命,實現高度自動化生產,大幅降低人工成本,促進更好的性價比優勢!選擇壹芯微,還可為客戶提供參數選型替代,送樣測試,技術支持,售后服務等,如需了解更多詳情或最新報價,歡迎咨詢官網在線客服!
手機號/微信:13534146615
QQ:2881579535
工廠地址:安徽省六安市金寨產業園區
深圳辦事處地址:深圳市福田區寶華大廈A1428
中山辦事處地址:中山市古鎮長安燈飾配件城C棟11卡
杭州辦事處:杭州市西湖區文三西路118號杭州電子商務大廈6層B座
電話:13534146615
企業QQ:2881579535

深圳市壹芯微科技有限公司 版權所有 | 備案號:粵ICP備2020121154號