來源:壹芯微 發布日期
2023-10-17 瀏覽:-電路分享:單端正向開關電源電路
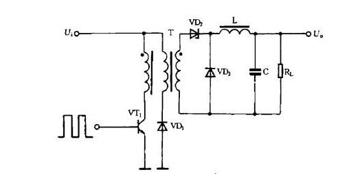
單端正向開關電源的典型電路如下圖所示。該電路在形式上與單端反激式電路相似,但工作條件不同:
當開關管VT1打開時,VD2也打開。此時,電網向負載傳遞能量,濾波電感L儲存能量;
當開關VT1關閉時,電感L繼續通過續流二極管VD3向負載釋放能量。
電路中還有一個鉗位線圈和二極管VD2。二極管可以將開關管VT1的最大電壓限制在電源電壓的兩倍之間。為了滿足磁芯復位條件,即磁通建立和復位時間應相等,因此電路中脈沖的占空比不能大于50%。
由于該電路在開關管VT1導通時通過變壓器將能量傳遞給負載,因此輸出功率范圍大,可輸出50-200W的功率。然而,該電路的實際應用很少。原因是該電路中使用的變壓器結構復雜,體積大。
壹芯微科技專注于“二,三極管、MOS(場效應管)、橋堆”研發、生產與銷售,21年行業經驗,擁有先進全自動化雙軌封裝生產線、高速檢測設備等,研發技術、芯片源自臺灣,專業生產流程管理及工程團隊,保障所生產每一批物料質量穩定和更長久的使用壽命,實現高度自動化生產,大幅降低人工成本,促進更好的性價比優勢!選擇壹芯微,還可為客戶提供參數選型替代,送樣測試,技術支持,售后服務等,如需了解更多詳情或最新報價,歡迎咨詢官網在線客服!
手機號/微信:13534146615
QQ:2881579535
工廠地址:安徽省六安市金寨產業園區
深圳辦事處地址:深圳市福田區寶華大廈A1428
中山辦事處地址:中山市古鎮長安燈飾配件城C棟11卡
杭州辦事處:杭州市西湖區文三西路118號杭州電子商務大廈6層B座
電話:13534146615
企業QQ:2881579535

深圳市壹芯微科技有限公司 版權所有 | 備案號:粵ICP備2020121154號