來源:壹芯微 發布日期
2019-11-06 瀏覽:-單結晶體管觸發電路的工作原理同步振蕩知識
如下圖所示,主回路為一單相橋式半控整流電路。圖中晶體管只有在承受正向電壓的半周內才能觸發導通。為了使VT1和VT2每次導電的控制角a都相同并固定下來,觸發脈沖必須在電源電壓每次過零后滯后a角出現。觸發脈沖與電源電壓的相位配合需要同步。采用變壓器一次側接主電路電源,二次側經整流、穩壓削波,得到梯形波,作為觸發電路電源,也作為同步信號。當主電路電壓過零時,觸發電路的電壓也過零,單結管的Ebb也降到零,滿足電容C放電完畢,在下一個半波從零開始充電以起到同步作用。從圖b還可看到,每半周中電容充放電可不止一次,晶閘管由第一個脈沖觸發導通,后面的脈沖是不起作用的。

圖a 單結晶體管的同步振蕩觸發電路

圖b 單結晶體管的同步振蕩觸發電路
改變Re,就可改變電容充電速度,達到改變a角的目的。圖b中給出改變Re后,uc、ub1和ud的波形。
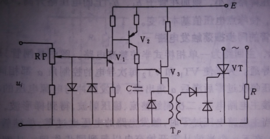
實際應用中,用晶體管V來代替電位器Re,可實現自動移相,如下圖中V2所示。脈沖也可通過脈沖變壓器Tp輸出,以實現兩個脈沖之間以及觸發電路和主電路之間的隔離單結管觸發電路較簡單,易調整,輸出脈沖前沿陡,但觸發功率小,脈沖較窄,可用的移相范圍約150°,故一般用于小容量的系統中。

與控制系統相接的單結晶管脈沖移相電路
單相可控整流電路比較簡單,由于對三相電網來說只是一相負載,輸出直流電壓的脈動也較大,因此除了在只有單相電源的電力牽引傳動裝置中應用外,通常只用在4kw以下的小功率裝置中。
壹芯微科技針對二三極管,MOS管作出了良好的性能測試,應用各大領域,如果您有遇到什么需要幫助解決的,可以點擊右邊的工程師,或者點擊銷售經理給您精準的報價以及產品介紹
工廠地址:安徽省六安市金寨產業園區
深圳辦事處地址:深圳市福田區寶華大廈A1428
中山辦事處地址:中山市古鎮長安燈飾配件城C棟11卡
杭州辦事處:杭州市西湖區文三西路118號杭州電子商務大廈6層B座
電話:13534146615
企業QQ:2881579535

深圳市壹芯微科技有限公司 版權所有 | 備案號:粵ICP備2020121154號