來源:壹芯微 發布日期
2021-08-02 瀏覽:-場效應MOS管H橋驅動電機電路解析 - 壹芯微
H橋驅動電機,正常都是驅動直流電機,小功率,電流范圍不會很大。
要想電機能夠轉動并且可以調節方向,采用H橋是最為理想的電子換向驅動。
H橋基本驅動電路一般有如下圖:

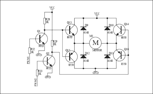
其中Q1與Q3為上橋臂,Q2與Q4為下橋臂。圖中只有對角線的管子開通,電機才能夠轉動。比如:
Q1,Q4開通時,電機正轉
Q2,Q3開通時,電機反轉
Q1,Q3或者Q2,Q4開通時,電機處于制動停止狀態。
圖中,應盡量避免同一個橋臂的兩個管子導通,比如Q1,Q2同時導通或者Q3,Q4同時導通,都會引起管子的燒毀。
圖中,上橋臂Q1和Q3采用PNP型三極管,Q2和Q4采用NPN三極管,因為Q1和Q3是高端驅動,采用了PNP管子就避免帶來驅動電路設計的麻煩。
如若采用三極管和MOS管的結合,那么只要把Q2和Q4替換成N溝通的MOS管就可以,因為N溝通的MOS管比較成熟,也比較常見,價格也合適。
具體電路圖如下:

采購優質國產二/三極管/MOS管選壹芯微(專注領域 專業品質),國內知名功率半導體生產商,專業進口生產設備,芯片與技術源自臺灣,完美替代進口品牌,頁面右側聯系銷售一線或工程師為您提供參數,選型,樣品申請,規格書與技術支持,歡迎咨詢
工廠地址:安徽省六安市金寨產業園區
深圳辦事處地址:深圳市福田區寶華大廈A1428
中山辦事處地址:中山市古鎮長安燈飾配件城C棟11卡
杭州辦事處:杭州市西湖區文三西路118號杭州電子商務大廈6層B座
電話:13534146615
企業QQ:2881579535

深圳市壹芯微科技有限公司 版權所有 | 備案號:粵ICP備2020121154號