來源:壹芯微 發布日期
2020-10-26 瀏覽:-場效應管知識-場效應管的導通電阻知識
由于CRT彩電很少用到場效應管,尤其是體積較小的貼片場效應管,因此部分工作者在初次檢修液晶電視時,對貼片場效應管能控制數安培的電流有點不可理解,下面就談談對場效應管導通電阻的認識。

半導體技術的飛速發展,使場效應管的性能大幅度提高,其中最重要的是導通電阻達到毫歐數量級(1Ω=1000mΩ,一根直徑,長度為25cm的銅線,電阻約為22mΩ)。場效應管的導通電阻是指在G、S極間加上一個偏壓(N溝道為G+、S-、P溝道為G-、S+),場效應管導通時,D、S極間的電阻值。
導通電阻這個參數在低壓大電流場合尤其重要,甚至比耐壓和電流指標還重要,所以尼克森公司的貼片低壓場效應管就直接用導通電阻的數值來作產品型號,如“P2804”就是指該型場效應管的導通電阻為28mΩ,耐壓為40V。同理,“P4404”就是指導通電阻為44mΩ,耐壓為40V。
當場效應管導通時,通過D、S極的電流會在導通電阻上產生壓降,根據焦耳定律可知:損耗在場效應管上的功率和導通電阻成正比,當導通電阻為1Ω時,通過5A電流,就有25W功耗,對于T0-220封裝的管子,就需配上大于25cm×25cm的散熱片,這樣才能長期工作;當導通電阻為Ω(50mΩ)時,功耗小至,此時不用外加散熱片,利用線路板上面積較大的銅箔散熱,就能穩定長期工作。
現在部分貼片場效應管導通電阻已低至20mΩ,此時不用散熱片也可以正常工作。有人說液晶電視中電源控制場效應管導通后,D、S極間沒有電壓,對此感到迷惑。實際上,DS極間有很小的電壓,只不過非常小而已,如電流為1A,導通電阻為30MΩ,電壓降就是。
不同結構的場效應管導通電阻差別很大,在通常情況下,耐壓越高,導通電阻就越大,如液晶電視背光板常用的N溝道+P溝道組合管P2504,耐壓40V,電流18A,導通電阻25mΩ;用于CRT彩電電源管2SK2645,耐壓600V,電流9A,功率50W,導通電阻Ω; 2SK2647,耐壓800V , 4從40W,導通電阻4Ω。
P溝道管比同規格N溝道管的導通電阻要大1倍左右,電流也小一些,所以開關電源都用N溝道管,但直流低電壓控制管大多用P溝道管,因為P溝道管的S極接電源輸入端,只要電源電壓在5V左右,G極就可以直接由CPU控制,CPU輸出低電平就可以使P溝道管導通,而N溝道管G極電壓要高于輸出電壓5V~10V才能導通,那么CPU輸出要經過電平轉換才能控制N溝道管,電路較復雜。
當場效應管工作于高頻開關狀態時,如用于開關電源、逆變器中時,由于高速開啟和關閉都需要時間,都會產生功耗(頻率越高,開/關功耗越大),因此導通電阻不是產生功耗的唯一來源,上述計算功耗的方法并不適用于此。隨著制造工藝的發展,場效應管可以適應的頻率越來越高,開關電源的電感、電容體積也越來越小。
在液晶電視主板上,有好幾個體積微小的DC-DC變換器,工作頻率達數百千赫茲,輸出電流可達數安培,效率可達90%,甚至更高。
場效應管G、S極所加偏置電壓的大小也會影響導通電阻阻值,一般標稱值是在偏置電壓為10V時的阻值。當偏置電壓為3V時,導通電阻要比標稱值大1倍;當偏置電壓介于導通和截止的臨界點電壓時,管子就處于放大狀態。
從理論上說,場效應管工作原理和電子管相似,均是電壓控制型器件,G極輸入阻抗極高,激勵信號只需要電壓不需要電流,也就是無需驅動功率,所以液晶電視中作為低壓直流電源控制的場效應管可以直接由CPU控制,數十微安電流就可以控制數安培的電流,如圖1所示。

須注意的是,場效應管和電子管不一樣,場效應管G,S極間有一只數百皮法的電容(功率較大的,此電容容量可能為數千皮法)。在上述直流開/關控制電路中,這只電容對電路影響不大,但在工作頻率很高的開關電源中,這只電容會讓G極產生很大的充放電電流,如果激勵功率不夠,就會使充電時間拉長,也就是場效應管導通的過程變長;
關斷時,這一電容如放電緩慢,也會延遲關斷,從而引起功耗大幅增加,其結果是極易導致管子燒壞。所以當把場效應管用在功率較大、頻率較高的電路中時,要設有功率激勵電路,通常由NPN和PNP型三極管組合成推挽電路,以驅動場效應管。如果激勵電路有問題,會引起場效應管功耗大增甚至燒壞。
另外,液晶面板對場效應管的導通和關斷時間要求越快越好。如時間過長,就會出現明顯的拖尾現象。所以邏輯板上的VGH(導通電壓)值較高,一般大于15V;為了加速關斷,還要加上一個-6V左右的負電壓VGL。
溫度上升也會使導通電阻增加,此特性要求場效應管在溫度較高時降額使用。在實際使用中,場效應管可以直接并聯應用,當并聯中的某一個管子溫度高于其他管子時,這只管子的導通電阻就會較大,從而使流過它的電流下降,即可以自動平衡電流,從而大大提高其可靠性。對于普通雙極型三極管而言,溫度越高,導通電阻越小,流過的電流越大,這樣會形成惡性循環,最后燒壞管子。
當場效應管處于放大狀態時(如用于音響功放中),在輸出相同功率的情況下,工作電壓越高,通過D、S極間的電流就越小,導通電阻的功耗在整個功耗中所占比例也就越小,此時主要功耗等于加在D、S極間的電壓與通過的電流的積。在這種狀態下,管子能承受的功耗和管子的最大功率和溫升有關,有時要安裝巨大的散熱片才能正常工作,效率很低。
在實際的液晶彩電維修中,筆者認為檢修或更換場效應管及相關電路時,應注意以下幾點:
1.代換場效應管時須注意導通電阻這一參數,且耐壓值并非全是越高越好。并聯的場效應管參數要基本一致,最好換用同廠家同型號的。
2.如工作一會管子溫升過高,甚至燒壞管子,在排除負載問題后要檢查激勵電路,并注意這些場效應管的導通電阻值,不能相差太大。
3.安裝貼片場效應管時,要緊貼線路板,有散熱片的要和銅箔可靠焊接,連通的引腳最好用焊錫連成一體,以利散熱。
4.在高頻率工作的開關電源中,次級整流二極管須用肖特基二極管(導通電阻很小,工作頻率很高,但耐壓不高),濾波電容須用高品質電容。如用一般的高頻二極管和電解電容代替,會大大增加元件自身功耗,甚至燒壞元件,或根本不能工作。
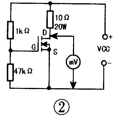
5.場效應管導通電阻的測量可按圖2所示方法測量,電壓表要用數字表低擋位,表筆要接管子引腳,以避免引線誤差。若電壓表讀數為,則表明此管導通電阻為100mn。測P溝道場效應管時,交換電源正負極即可。圖中電源電壓VCC為10V~20V,但要求用穩壓電源,輸出電流應大于1A;R1阻值為10Ω~20Ω(使流過D、S極間電流約為1A)。

注意:短時間測量時,不必給場效應管加散熱片。另外,若要求測試電路更簡單,則可不安裝47kΩ,并把1kΩ電阻用導線代替。
壹芯微科技針對二三極管,MOS管作出了良好的性能測試,應用各大領域,如果您有遇到什么需要幫助解決的,可以點擊右邊的工程師,或者點擊銷售經理給您精準的報價以及產品介紹
工廠地址:安徽省六安市金寨產業園區
深圳辦事處地址:深圳市福田區寶華大廈A1428
中山辦事處地址:中山市古鎮長安燈飾配件城C棟11卡
杭州辦事處:杭州市西湖區文三西路118號杭州電子商務大廈6層B座
電話:13534146615
企業QQ:2881579535

深圳市壹芯微科技有限公司 版權所有 | 備案號:粵ICP備2020121154號