來源:壹芯微 發布日期
2021-04-15 瀏覽:-場效應管輸入前級放大器解析
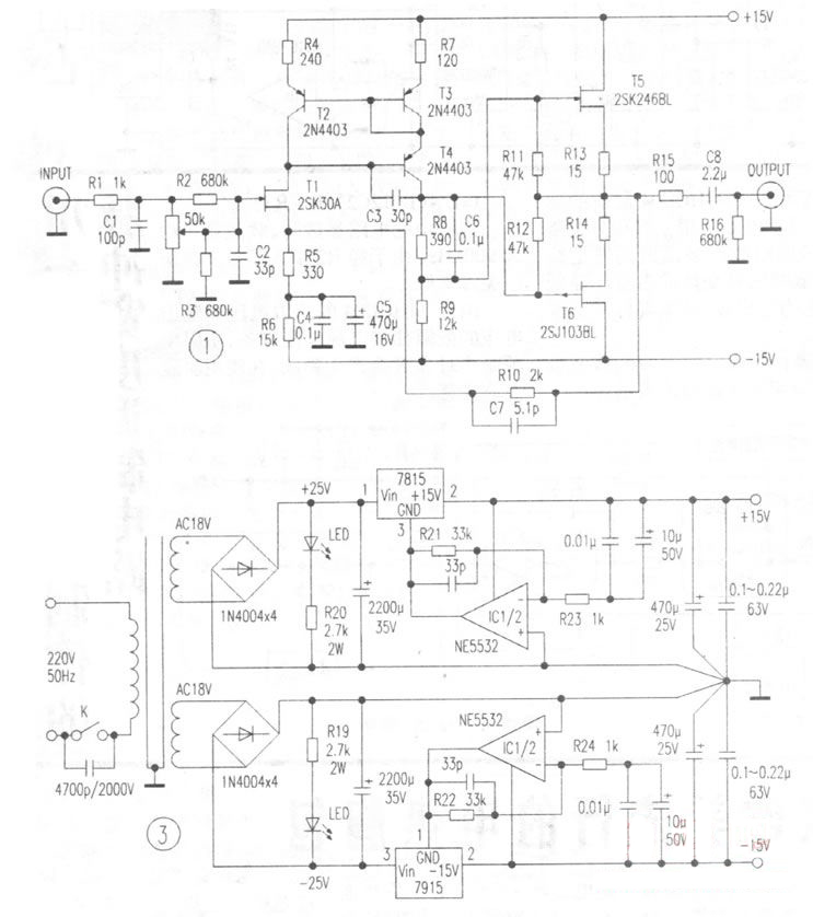
一、電路原理
該TW-J26SN1前級放大器的輸入端采用單端J型場效應管做輸入級,單管輸入可獲對比差分輸人更低的噪音,更大的動態范圍,接近電子管的輸入特性。
該管線性好、動態大、結電容低、高頻特性佳,做電壓放大非常優秀。輸出級采用東芝公司產2SK246BL/2SJl03BL型場效應管,噪聲低,Idss電流達8—12mA,線性好、頻響寬、音場寬闊。在此未采用一般的自給偏壓,而是采用固定偏壓沒計,使定位更準確,結像力更佳。前級增益A=1+(R10/R5)=1+(2000/330)=7倍,根據功放后級輸入靈敏度,可調整R10、R5比值來調整前級增益。其電路見圖1,整機元器件排列見圖2。
二、電源部分
采用雙18VAC輸入,雙橋整流。電路見圖3。濾波電容采用35V2200uF電容,在電容前串入2W10Ω電阻,以便延長整流二極管導通角,使紋波濾除更干凈,對電路影響更小。采用7815、7915三端穩壓器與運放NE5532構成低噪聲、低內阻、超線性直流電源,使放音效果更佳。電源穩壓輸出端采用470uF/16—25V并0.1uF濾波,該電解電容可選220uF-470uF進口優質電解電容。
輸入端采用四組鍍金RCA輸入端子,分別是CD、TUNER、AUX、TAPE。為了減少引線,已直接焊接在印刷板上。REC為錄音輸出端,該端通過拉索開關選擇到哪一擋輸入,即和哪一擋輸人通,該端無電壓放大。錄音時還可繼續放音。輸入電位器采用日本ALPS 2×50k(A)指數型音量專用電位器,采用進口無氧銅排線焊接,方便安裝到面板上。電源部分:變壓器選用20W-80W的優質環形、R型、EI型鐵心,雙18V采用雙線并繞,四線引出,以保證兩線圈內阻一致。注意一般雙18VAC中心帶抽頭的三線輸出端變壓器不能使用。
三、接線及安裝
“CD、TUNER、AVX、TAPE”為輸入選擇;
“REC”為錄音輸出;
“ROUT”為左聲道輸出;
“LOUrr”為右聲道輸出;
“G”為前級接地端,接機殼;
“AC18V”為雙18VAC輸入。


壹芯微科技針對二三極管,MOS管作出了良好的性能測試,應用各大領域,如果您有遇到什么需要幫助解決的,可以點擊右邊的工程師,或者點擊銷售經理給您精準的報價以及產品介紹
工廠地址:安徽省六安市金寨產業園區
深圳辦事處地址:深圳市福田區寶華大廈A1428
中山辦事處地址:中山市古鎮長安燈飾配件城C棟11卡
杭州辦事處:杭州市西湖區文三西路118號杭州電子商務大廈6層B座
電話:13534146615
企業QQ:2881579535

深圳市壹芯微科技有限公司 版權所有 | 備案號:粵ICP備2020121154號