來源:壹芯微 發布日期
2021-04-06 瀏覽:-場效應管晶體管的放大電路原理圖詳解
圖3-26所示是一種超小型收音機電路,它采用兩只晶體管,這種電路具有較高的靈敏度。

圖3-26場效應管在袖珍收音機電路中的應用
該電路中,電池作為直流電源通過負載電阻器R1為場效應管漏極提供偏置電壓,使其工作在放大狀態。由外接天線接收天空中的各種信號,交流信號通過C1,進入LC諧振電路。LC諧振電路是由磁棒線圈和電容器組成的,諧振電路選頻后,經C4耦合至場效應管VT的柵極,與柵極負偏壓疊加,加到場效應管柵極上,使場效應管的漏極電流ID相應變化,并在負載電阻器R1上產生壓降,經C5隔離直流后輸出,在輸出端即得到放大了的信號電壓。放大后的信號送入三極管的基極,由三極管放大后輸出較純凈的音頻信號送到耳機。
圖3-27所示是FM收音機調諧電路,它是由高頻放大器VT1、混頻器VT3和本機振蕩器VT2等部分構成的。天線感應的FM調頻廣播信號,經輸入變壓器L1加到VT1晶體管的柵極,VT1為高頻放大器主要器件,它將FM高頻信號放大后經變壓器L2加到混頻電路VT3的柵極,VT2和LC諧振電路構成本機振蕩器,振蕩信號由振蕩變壓器的次級送往混頻電路VT3的源極。混頻電路VT3由漏極輸出,經中頻變壓器IFT(L4)輸出10.7MHz中頻信號。

圖3-27FM收音機電路(調諧器部分)
場效應管放大電路圖(二)
與雙極型晶體管一樣,場效AM29LV017D-70EC應管也有三種基本接法:共源、共漏和共柵極接法,其中,共源相當于共發射極接法;共漏相當于共集電極接法;共柵相當于共基極接法。
共源極電路,如圖4-19(a)所示,相當于雙極晶體管的共發射極電路。當交流信號Ui經C,加到柵一源極時,使柵極偏壓隨信號而變,于是控制了ID的變化,在RL上產生壓降,通過C2將放大了的信號電壓輸出。

如果用Rc;表示場效應管的柵極偏置電阻,用R喁表示場效應管的柵一源間電阻,則共源電路的輸入電阻R,=Rc//Rcs≈Rc(因Rcs》Rc)。
如果用rDS來表示場效應管的漏一源間電阻,用RL來表示共源電路的負載電阻,則共源電路的輸出電阻R。=RDS//RL~RL(因RDS》RL)。
共源電路的電壓放大倍數:K一-gmRL,式中,gm為場效應管的跨導,相當于晶體管的放大系數口,RL為負載電阻。
由于共源極電路輸入電阻高,電壓增益大,故應用最廣,但它的截止頻率較低,在高頻工作時受到一些限制。
共漏極電路,如圖4-19(b)所示,與晶體管共集電路相似。同共源極電路一樣,其輸入電阻也取決于外加偏置電阻,即R,=Ri∥R2,電壓放大倍數K≈1,且輸入、輸出電壓同相,故也叫傲源極跟隨器。由于這種電路輸入電阻高、輸出電阻低,且有良好的電壓跟隨特性,因而常用作緩沖放大器,起到隔離、阻抗變換的作用。
共柵極電路,如圖4-19(c)所示,它與晶體管共基電路相近。其輸入電阻極低(Ri≈l/gm),輸出電阻較高R。≈R。,有良好的電壓放大特性,因而常用于高頻電壓放大。
場效應管放大電路圖(三)
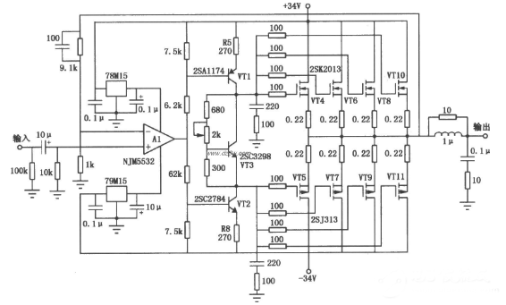
場效應管50W音頻功率放大電路

場效應管放大電路圖(四)
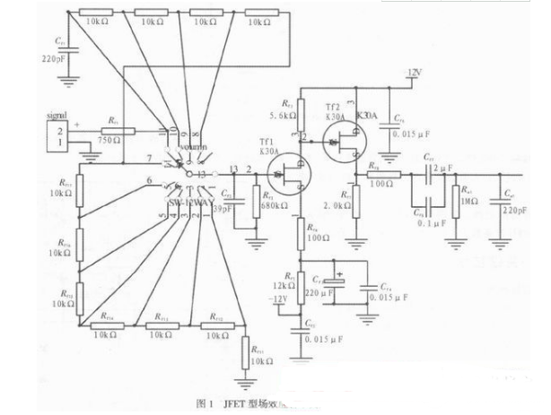
以場效應晶體管為基本元件的放大器的電路結構
場效應管單管甲類前級放大器見圖1。Tn源極電位實測為0.5V,漏極電位為5.0V,漏極電流IDSS等于1.25mA。根據2SK30AMT出廠說明書載明的相關內容,該工作點的線性最好。

該級放大器放大倍數依據公式Au=-gmRf3計算,式中gm——場效應管的跨導。
2SK30AMT在VDs=10V,VGS=0V時的最小跨導gm=1.2ms。那么該級放大器放大倍數為6.72。
音量調節通過進階開關加11個固定電阻進行,每個電阻10k。這樣做的好處是既經濟,質量又好。音量調節實為10級,聽音效果十分理想。
第二級放大電路作源極輸出器,旨在匹配電路,提高前級的負載能力,放大倍數近似為1。靜態工作點仍然十分重要,Tf2源極電位實測為5.5V,位于電源電壓的中值附近,很好。在該級上,同樣可算出漏極電流2.75mA,也要滿足甲類放大器對靜態的要求。
隔直電容C17,C18對音質的好壞影響較大,選用進口名牌WIMA電容。
后級放大電路仍采用推挽式、甲乙類放大器
對稱放大電路所用元件要檢測其靜態特性。功率放大電路如圖2所示。

以Tm1和Tm3為例,其檢測參數主要是IDDS,即當VGS=0時的漏極電流。在VGS=0時,測出IDDS,其值相近為宜。同樣地,Tm2和Tm4也要與Tm1或Tm3靜態值相差無幾,或相近。只有這4個場效應管靜態值大致相同,才有可能做出優質的放大器來。成批生產的放大器價格很高,正是這些電路中使用的元件匹配困難,造成制造成本高,制約了該技術的推廣應用。
場效應管放大電路圖(五)
對應三極管的共射、共集及共基放大電路,場效應管放大電路也有共源、共漏和共柵三種基本組態。下面以JFET組成的共源極放大電路為例,介紹場效應管放大電路的工作原理。
1.自偏壓電路
自偏壓電路如圖3-10所示。在圖中,場效應管柵極通過柵極電阻RG接地,源極通過源極電阻RS接地。這種偏置方式利用JFET(或耗盡型MOS管)在柵源電壓uGS=0時,漏極電流iD≠0的特點,以漏極電流在源極電阻RS上的直流壓降,給柵源之間提供反向偏置電壓。也就是說,在靜態時,源極電位uS=iDRS,由于柵極電流為0,RG上沒有壓降,柵極電位uG=0,所以柵源之間的偏置電壓為
uGS=uG-uS=-iDRS
要說明的是,自偏壓方式不能用于由增強型MOS管組成的放大電路。因為增強型MOS管
只有當uGS達到UT時才有iD產生。

對于圖3-10電路的靜態工作點,可以利用式(3-1)和式(3-3)求聯立方程,即
ID=IDSS(1-UGS/UP)2(3-4)
UGS=-IDRS(3-5)
求得ID和UGS之后,則有
UDS=VDD-ID(RD+RS)(3-6)
例3-1電路如圖3-10所示,已知IDSS=0.5mA,UP=-1V,試確定電路的靜態工作點。
解:根據上面分析得到的公式有
ID=0.5(1+UGS)2
UGS=-2ID
將UGS表達式代入ID表達式中,得
ID=0.5(1-2ID)2
解方程得
ID=(0.75±0.56)mA
而IDSS=0.5mA,ID不應大于IDSS,所以
IDQ=0.19mA
UGSQ=0.38V
UDSQ=11.9
2.分壓式自偏壓電路
雖然自偏壓電路比較簡單,但是當靜態工作點確定后,uGS和iD就確定了,因而RS選擇的范圍很小。分壓式自偏壓電路是在圖3-10電路的基礎上加接分壓電阻后組成的,如圖3-11所示。漏極電源VDD經分壓電阻RG1和RG2分壓后,通過RG3供給柵極電壓,uG=RG2VDD/(RG1+RG2);同時漏極電流在源極電阻RS上也產生壓降,uS=iDRS。因此,靜態時加在JFET上的柵源電壓為
uGS=uG-u=VDDRG2/(RG1+RG2)-iDRS(3-7)
同樣可根據式(3-1)和(3-7)求聯立方程,即
ID=IDSS(1-UGS/UP)2
UGS=VDDRG2/(RG1+RG2)-IDRS
從而求出ID和UGS,并求出
UDS=VDD-ID(RD+RS)
得出電路的靜態工作點。
3、場效應管放大電路的動態分析
圖3-10自偏壓電路可以用圖3-12的交流等效電路來表示,圖中RL為放大電路外加的負載電阻。從圖中不難求出電壓放大倍數Au、Ri和Ro三個性能參數。

1.電壓放大倍數Au
由圖3-12可得出
Au=uo/ui=(-idR′L)/ugs=-(gmugsR′L)/ugs
即
Au=-gmR′L(3-8)
其中,R′L=RD∥RL。
式(3-8)表明,JFET共源放大電路的電壓放大倍數Au與跨導gm成正比,且輸出電壓與輸入電壓反相。
2.輸入電阻Ri和輸出電阻Ro
由圖3-12可得
Ri≈RG(3-9)
Ro≈RD(3-10)
可見,共源放大電路的輸入電阻Ri主要由偏置電阻RG決定,而輸出電阻Ro則由漏極電阻RD決定。
壹芯微科技針對二三極管,MOS管作出了良好的性能測試,應用各大領域,如果您有遇到什么需要幫助解決的,可以點擊右邊的工程師,或者點擊銷售經理給您精準的報價以及產品介紹
工廠地址:安徽省六安市金寨產業園區
深圳辦事處地址:深圳市福田區寶華大廈A1428
中山辦事處地址:中山市古鎮長安燈飾配件城C棟11卡
杭州辦事處:杭州市西湖區文三西路118號杭州電子商務大廈6層B座
電話:13534146615
企業QQ:2881579535

深圳市壹芯微科技有限公司 版權所有 | 備案號:粵ICP備2020121154號