來源:壹芯微 發布日期
2020-01-14 瀏覽:-半導體三極管基礎知識圖解
三極管,全稱應為半導體三極管,也稱雙極型晶體管、晶體三極管,是一種控制電流的半導體器件。其作用是把微弱信號放大成幅度值較大的電信號,也用作無觸點開關。
三極管是半導體基本元器件之一,具有電流放大作用,是電子電路的核心元件。三極管是在一塊半導體基片上制作兩個相距很近的PN結,兩個PN結把整塊半導體分成三部分,中間部分是基區,兩側部分是發射區和集電區,排列方式有PNP和NPN兩種。

三極管(也稱晶體管)在中文含義里面只是對三個引腳的放大器件的統稱,我們常說的三極管,可能是 如圖所示的幾種器件。
可以看到,雖然都叫三極管,其實在英文里面的說法是千差萬別的,三極管這個詞匯其實也是中文特有的一個象形意義上的的詞匯。
電子三極管 Triode 這個是英漢字典里面“三極管”這個詞匯的唯一英文翻譯,這是和電子三極管最早出現有關系的,所以先入為主,也是真正意義上的三極管這個詞最初所指的物品。其余的那些被中文里叫做三極管的東西,實際翻譯的時候是絕對不可以翻譯成Triode的,否則就麻煩大咯,嚴謹地說,在英文里面根本就沒有三個腳的管子這樣一個詞匯!
電子三極管 Triode (俗稱電子管的一種)
雙極型晶體管 BJT (Bipolar Junction Transistor)
J型場效應管 Junction gate FET(Field Effect Transistor)
金屬氧化物半導體場效應晶體管 MOS FET ( Metal Oxide Semi-Conductor Field Effect Transistor)英文全稱
V型槽場效應管 VMOS (Vertical Metal Oxide Semiconductor )
注:這三者看上去都是場效應管,其實金屬氧化物半導體場效應晶體管 、V型槽溝道場效應管 是 單極(Unipolar)結構的,是和 雙極(Bipolar)是對應的,所以也可以統稱為單極晶體管(Unipolar Junction Transistor)
其中J型場效應管是非絕緣型場效應管,MOS FET 和VMOS都是絕緣型的場效應管
VMOS是在 MOS的基礎上改進的一種大電流,高放大倍數(跨道)新型功率晶體管,區別就是使用了V型槽,使MOS管的放大系數和工作電流大幅提升,但是同時也大幅增加了MOS的輸入電容,是MOS管的一種大功率改進型產品,但是結構上已經與傳統的MOS發生了巨大的差異。VMOS只有增強型的而沒有MOS所特有的耗盡型的MOS管。
工作原理
理論原理
晶體三極管(以下簡稱三極管)按材料分有兩種:鍺管和硅管。而每一種又有NPN和PNP兩種結構形式,但使用最多的是硅NPN和鍺PNP兩種三極管,(其中,N是負極的意思(代表英文中Negative),N型半導體在高純度硅中加入磷取代一些硅原子,在電壓刺激下產生自由電子導電,而P是正極的意思(Positive)是加入硼取代硅,產生大量空穴利于導電)。兩者除了電源極性不同外,其工作原理都是相同的,下面僅介紹NPN硅管的電流放大原理。

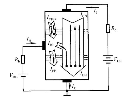
對于NPN管,它是由2塊N型半導體中間夾著一塊P型半導體所組成,發射區與基區之間形成的PN結稱為發射結,而集電區與基區形成的PN結稱為集電結,三條引線分別稱為發射極e (Emitter)、基極b (Base)和集電極c (Collector)。如右圖所示

當b點電位高于e點電位零點幾伏時,發射結處于正偏狀態,而C點電位高于b點電位幾伏時,集電結處于反偏狀態,集電極電源Ec要高于基極電源Eb。
在制造三極管時,有意識地使發射區的多數載流子濃度大于基區的,同時基區做得很薄,而且,要嚴格控制雜質含量,這樣,一旦接通電源后,由于發射結正偏,發射區的多數載流子(電子)及基區的多數載流子(空穴)很容易地越過發射結互相向對方擴散,但因前者的濃度基大于后者,所以通過發射結的電流基本上是電子流,這股電子流稱為發射極電流子。
由于基區很薄,加上集電結的反偏,注入基區的電子大部分越過集電結進入集電區而形成集電極電流Ic,只剩下很少(1-10%)的電子在基區的空穴進行復合,被復合掉的基區空穴由基極電源Eb重新補給,從而形成了基極電流Ibo.根據電流連續性原理得:
Ie=Ib+Ic
這就是說,在基極補充一個很小的Ib,就可以在集電極上得到一個較大的Ic,這就是所謂電流放大作用,Ic與Ib是維持一定的比例關系,即:
β1=Ic/Ib
式中:β1--稱為直流放大倍數,
集電極電流的變化量△Ic與基極電流的變化量△Ib之比為:
β= △Ic/△Ib
式中β--稱為交流電流放大倍數,由于低頻時β1和β的數值相差不大,所以有時為了方便起見,對兩者不作嚴格區分,β值約為幾十至一百多。
α1=Ic/Ie(Ic與Ie是直流通路中的電流大小)
式中:α1也稱為直流放大倍數,一般在共基極組態放大電路中使用,描述了射極電流與集電極電流的關系。
α =△Ic/△Ie
表達式中的α為交流共基極電流放大倍數。同理α與α1在小信號輸入時相差也不大。
對于兩個描述電流關系的放大倍數有以下關系
β=α/(1-α)
三極管的電流放大作用實際上是利用基極電流的微小變化去控制集電極電流的巨大變化。
三極管是一種電流放大器件,但在實際使用中常常通過電阻將三極管的電流放大作用轉變為電壓放大作用。
放大原理
1、發射區向基區發射電子
電源Ub經過電阻Rb加在發射結上,發射結正偏,發射區的多數載流子(自由電子)不斷地越過發射結進入基區,形成發射極電流Ie。同時基區多數載流子也向發射區擴散,但由于多數載流子濃度遠低于發射區載流子濃度,可以不考慮這個電流,因此可以認為發射結主要是電子流。
2、基區中電子的擴散與復合
電子進入基區后,先在靠近發射結的附近密集,漸漸形成電子濃度差,在濃度差的作用下,促使電子流在基區中向集電結擴散,被集電結電場拉入集電區形成集電極電流Ic。也有很小一部分電子(因為基區很薄)與基區的空穴復合,擴散的電子流與復合電子流之比例決定了三極管的放大能力。
3、集電區收集電子
由于集電結外加反向電壓很大,這個反向電壓產生的電場力將阻止集電區電子向基區擴散,同時將擴散到集電結附近的電子拉入集電區從而形成集電極主電流Icn。另外集電區的少數載流子(空穴)也會產生漂移運動,流向基區形成反向飽和電流,用Icbo來表示,其數值很小,但對溫度卻異常敏感。
產品分類
a.按材質分: 硅管、鍺管;
b.按結構分: NPN 、 PNP。如圖所示;

c.按功能分: 開關管、功率管、達林頓管、光敏管等;
d. 按功率分:小功率管、中功率管、大功率管;
e.按工作頻率分:低頻管、高頻管、超頻管;
f.按結構工藝分:合金管、平面管;
g.按安裝方式:插件三極管、貼片三極管。
結構類型
晶體三極管是在一塊半導體基片上制作兩個相距很近的PN結,兩個PN結把正塊半導體分成三部分,中間部分是基區,兩側部分是發射區和集電區,排列方式有PNP和NPN兩種。
從三個區引出相應的電極,分別為基極b發射極e和集電極c。
發射區和基區之間的PN結叫發射結,集電區和基區之間的PN結叫集電結。基區很薄,而發射區較厚,雜質濃度大,PNP型三極管發射區“發射”的是空穴,其移動方向與電流方向一致,故發射極箭頭向里;NPN型三極管發射區“發射”的是自由電子,其移動方向與電流方向相反,故發射極箭頭向外。發射極箭頭指向也是PN結在正向電壓下的導通方向。硅晶體三極管和鍺晶體三極管都有PNP型和NPN型兩種類型。
三極管的封裝形式和管腳識別
常用三極管的封裝形式有金屬封裝和塑料封裝兩大類,引腳的排列方式具有一定的規律,
底視圖位置放置,使三個引腳構成等腰三角形的頂點上,從左向右依次為e b c;對于中小功率塑料三極管按圖使其平面朝向自己,三個引腳朝下放置,則從左到右依次為e b c。
國內各種類型的晶體三極管有許多種,管腳的排列不盡相同,在使用中不確定管腳排列的三極管,必須進行測量確定各管腳正確的位置,或查找晶體管使用手冊,明確三極管的特性及相應的技術參數和資料。
產品作用
晶體三極管具有電流放大作用,其實質是三極管能以基極電流微小的變化量來控制集電極電流較大的變化量。這是三極管最基本的和最重要的特性。我們將ΔIc/ΔIb的比值稱為晶體三極管的電流放大倍數,用符號“β”表示。電流放大倍數對于某一只三極管來說是一個定值,但隨著三極管工作時基極電流的變化也會有一定的改變。
工作狀態
截止狀態
當加在三極管發射結的電壓小于PN結的導通電壓,基極電流為零,集電極電流和發射極電流都為零,三極管這時失去了電流放大作用,集電極和發射極之間相當于開關的斷開狀態,我們稱三極管處于截止狀態。
放大狀態
當加在三極管發射結的電壓大于PN結的導通電壓,并處于某一恰當的值時,三極管的發射結正向偏置,集電結反向偏置,這時基極電流對集電極電流起著控制作用,使三極管具有電流放大作用,其電流放大倍數β=ΔIc/ΔIb,這時三極管處放大狀態。
飽和導通
當加在三極管發射結的電壓大于PN結的導通電壓,并當基極電流增大到一定程度時,集電極電流不再隨著基極電流的增大而增大,而是處于某一定值附近不怎么變化,這時三極管失去電流放大作用,集電極與發射極之間的電壓很小,集電極和發射極之間相當于開關的導通狀態。三極管的這種狀態我們稱之為飽和導通狀態。
根據三極管工作時各個電極的電位高低,就能判別三極管的工作狀態,因此,電子維修人員在維修過程中,經常要拿多用電表測量三極管各腳的電壓,從而判別三極管的工作情況和工作狀態。
測判口訣
三極管的管型及管腳的判別是電子技術初學者的一項基本功,為了幫助讀者迅速掌握測判方法,筆者總結出四句口訣:“三顛倒,找基極;PN結,定管型;順箭頭,偏轉大;測不準,動嘴巴。”下面讓我們逐句進行解釋吧。
1: 三顛倒,找基極
大家知道,三極管是含有兩個PN結的半導體器件。根據兩個PN結連接方式不同,可以分為NPN型和PNP型兩種不同導電類型的三極管。
測試三極管要使用萬用電表的歐姆擋,并選擇R×100或R×1k擋位。圖2繪出了萬用電表歐姆擋的等效電路。紅表筆所連接的是表內電池的負極,黑表筆則連接著表內電池的正極。
假定我們并不知道被測三極管是NPN型還是PNP型,也分不清各管腳是什么電極。測試的第一步是判斷哪個管腳是基極。這時,我們任取兩個電極(如這兩個電極為1、2),用萬用電表兩支表筆顛倒測量它的正、反向電阻,觀察表針的偏轉角度;接著,再取1、3兩個電極和2、3兩個電極,分別顛倒測量它們的正、反向電阻,觀察表針的偏轉角度。在這三次顛倒測量中,必然有兩次測量結果相近:即顛倒測量中表針一次偏轉大,一次偏轉小;剩下一次必然是顛倒測量前后指針偏轉角度都很小,這一次未測的那只管腳就是我們要尋找的基極。
2:PN結,定管型
找出三極管的基極后,我們就可以根據基極與另外兩個電極之間PN結的方向來確定管子的導電類型。將萬用表的黑表筆接觸基極,紅表筆接觸另外兩個電極中的任一電極,若表頭指針偏轉角度很大,則說明被測三極管為NPN型管;若表頭指針偏轉角度很小,則被測管即為PNP型。
3:順箭頭,偏轉大
找出了基極b,另外兩個電極哪個是集電極c,哪個是發射極e呢?這時我們可以用測穿透電流ICEO的方法確定集電極c和發射極e。
(1) 對于NPN型三極管,穿透電流的測量電路。根據這個原理,用萬用電表的黑、紅表筆顛倒測量兩極間的正、反向電阻Rce和Rec,雖然兩次測量中萬用表指針偏轉角度都很小,但仔細觀察,總會有一次偏轉角度稍大,此時電流的流向一定是:黑表筆→c極→b極→e極→紅表筆,電流流向正好與三極管符號中的箭頭方向一致順箭頭,所以此時黑表筆所接的一定是集電極c,紅表筆所接的一定是發射極e。
(2) 對于PNP型的三極管,道理也類似于NPN型,其電流流向一定是:黑表筆→e極→b極→c極→紅表筆,其電流流向也與三極管符號中的箭頭方向一致,所以此時黑表筆所接的一定是發射極e,紅表筆所接的一定是集電極c。
4:測不出,動嘴巴
若在“順箭頭,偏轉大”的測量過程中,若由于顛倒前后的兩次測量指針偏轉均太小難以區分時,就要“動嘴巴”了。具體方法是:在“順箭頭,偏轉大”的兩次測量中,用兩只手分別捏住兩表筆與管腳的結合部,用嘴巴含住(或用舌頭抵住)基電極b,仍用“順箭頭,偏轉大”的判別方法即可區分開集電極c與發射極e。其中人體起到直流偏置電阻的作用,目的是使效果更加明顯。
壹芯微科技針對二三極管,MOS管作出了良好的性能測試,應用各大領域,如果您有遇到什么需要幫助解決的,可以點擊右邊的工程師,或者點擊銷售經理給您精準的報價以及產品介紹
工廠地址:安徽省六安市金寨產業園區
深圳辦事處地址:深圳市福田區寶華大廈A1428
中山辦事處地址:中山市古鎮長安燈飾配件城C棟11卡
杭州辦事處:杭州市西湖區文三西路118號杭州電子商務大廈6層B座
電話:13534146615
企業QQ:2881579535

深圳市壹芯微科技有限公司 版權所有 | 備案號:粵ICP備2020121154號