來源:壹芯微 發布日期
2021-01-12 瀏覽:-1.5V升3V芯片以及電路圖,DC-DC升壓IC
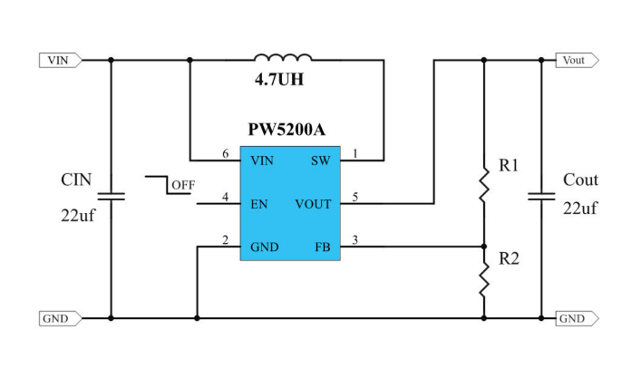
1.5V升3V的升壓芯片,3V給LED供電,或者單片機模塊供電等。
PW5200A工作頻率為1.4MHZ。輕載時自動PWM/PFM模式切換,提高效率。
PW5200A能夠提供2.5V和5V之間的可調輸出電壓,內部同步整流開關,節省了肖特基的情況下提高了效率。PW5200A的輸入電壓是1V-4.4V之間,適合1-2節干電池或者鋰電池輸入。
PW5100是同步升壓芯片,輸入電壓范圍0.7V-5.5V,輸出電壓固定3.3V,3V,5V等。超低功耗升壓芯片


壹芯微科技針對二三極管,MOS管作出了良好的性能測試,應用各大領域,如果您有遇到什么需要幫助解決的,可以點擊右邊的工程師,或者點擊銷售經理給您精準的報價以及產品介紹
工廠地址:安徽省六安市金寨產業園區
深圳辦事處地址:深圳市福田區寶華大廈A1428
中山辦事處地址:中山市古鎮長安燈飾配件城C棟11卡
杭州辦事處:杭州市西湖區文三西路118號杭州電子商務大廈6層B座
電話:13534146615
企業QQ:2881579535

深圳市壹芯微科技有限公司 版權所有 | 備案號:粵ICP備2020121154號